自动驾驶TPM技术杂谈 ———— 车辆运动经典控制理论
文章目录
- PID控制基本内容
- PID参数的调整
PID控制基本内容
对于实际的工程问题,应用最多的控制方法时比例-积分-微分(Proportion Integration Differentiation,PID)控制。基于PID控制理论设计的PID控制器因其结构简单、工作可靠、稳定性好、参数调整便利而成为工业控制的主要工具。当不能精确掌握被控制对象的数学模型和控制参数时,其他控制理论的使用受到较大的局限,需要依靠经验和现场调试来确定控制器结构和控制参数,此时PID控制器是一个有效的解决方案,主要包含以下三个过程:
1. 比例控制
比例控制的输出和输入的误差值成比例关系,但仅有比例控制时,系统的输出一般存在稳态误差。
2. 积分控制
积分控制的输出与输入误差的积分成正比关系。对于一个系统,如果系统在进入稳态后仍然存在一定的稳态误差,就称其为有差系统。为了消除这部分稳态误差,就需要引入“积分项”。对误差求关于时间的积分可知,随着时间的增加,积分项的值会随之增大。因此,即使误差很小,随着时间的增加积分项也会越来越大。积分控制是控制器的输出增大的同时,使稳态误差进一步减小,知道误差完全消除。因此,比例控制和积分控制相结合,可以很快是系统快速进入稳态,并且无稳态误差,一般称为PI控制。
3. 微分控制
微分控制的输入与输出误差值的微分(即误差变化率)成正比关系。控制系统在消除误差的过程中可能会出现频繁振荡甚至失稳现象,其原因是因为系统中存在较大惯性或滞后的环节,使得消除误差环节的变化总是滞后于误差的变化。解决该问题的方法是使消除误差的环节的变化“超前”,也就是在误差接近零时,消除误差的环节已经是零。因此,在控制器中只使用比例控制往往不够的,因为比例项的作用是放大误差的幅值,而这种情况下需要增加的是微分控制,因为他能预测系统误差的变化趋势。
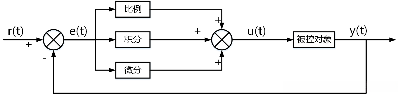
所以,具有比例控制和微分控制的控制器,能够提前使消除误差的控制环节为零,甚至变成负值,从而避免出现被控量严重超调的情况。对于具有较大惯性和滞后特点的控制对象,比例控制和微分控制能改善系统在动态调节过程中的系统特性。综上所述,PID控制就是根据系统的误差,通过比例、积分、微分三个过程计算出控制量,然后输入到被控对象。一般的PID控制的结构如下图所示。

在时域中控制器输出量和输入量之间的关系可以表达为:
u(t)=K_p[e(t) + T_d\frac{de(t)}{dt} + \frac{1}{T_i}\int e(t)dt]
其中,e(t)为误差,即控制器的输入。u(t)为控制器输出。Kp为比例系数。Td为积分时间常数。Ti为微分时间常数。上式经过拉普拉斯变换为:
U(s)=(K_p+ K_ds +\frac{K_i}{s})E(s)
其中,U(s)、E(s)分别为u(t)、e(t)的拉普拉斯变换,K_d=K_pT_d、K_i\frac{K_P}{T_i}分别为控制器的积分时间常数和微分时间常。
PID参数的调整
在对PID参数进行调整时,最理想的方法是通过理论方法计算PID参数,但在实际情况下,往往是通过试凑法来确定PID参数。例如增大比例系数时,会加快系统的响应速度,在系统存在稳态误差时,该方法有利于快速减小稳态误差。但是比例系数过大,容易使系统出现较大的超调量,且产生振荡,导致系统稳定性变差。当增大积分时间时,有利于减小系统超调量,并减少振荡,增加系统的稳定性,但同时会使系统稳态误差的消除时间增加。当增大微分时间时,会加快系统响应速度,减小系统超调量,增加系统稳定性,但会使系统对扰动的抵抗能力减弱。使用试凑法时,可参照以上三个参数对系统控制过程的影响趋势,来对参数进行调整,一般调整的顺序为比例、积分、微分,详细过程可参考如下:
1. 调整比例部分。如将比例参数增大,并观察控制系统响应,直至得到一组响应快、超调量小的曲线。如果此时系统不存在稳态误差或者稳态误差已被消除到允许的范围内,则只调节比例系数即可。
2. 如果在调节比例系数的时候,系统的稳态误差不满足要求,则必须引入积分环节。在调整时先将积分时间设定到某一较大值,再将调节好的比例系数适当缩小(通常取原来的比例系数值的0.8),然后通过减少积分时间,是系统在具有良好动态性能的同时,消除稳态误差。在此过程中,可根据系统响应曲线多次改变比例系数或积分时间系数,直至得到满意的控制效果为止。
3. 在调整过程中,如果对系统的控制过程中多次调整仍不能得到满意的控制效果,那么可以考虑引入微分环节。一般情况下,先把微分时间系数设置为0,在上述操作的基础上缓慢增加微分时间,并且相应地改变比例系数以及积分时间系数,反复试凑,直到得到预期的控制效果。
