【电机应用控制】——直流无刷电机&驱动原理&有感闭环控制&无感闭环控制
直流无刷电机(BLDC)是无电刷和换向器的电机,其转子与定子反过来看作有刷电机。其核心参数包括极对数、KV值、额定转速和转矩。BLDC的应用场景广泛,如电动车、无人机等。驱动原理中,内转子式BLDC通过三相逆变电路和PWM控制实现驱动,有感控制通过霍尔传感器读取转子位置,无感控制则通过过零信号判断转子位置。有感速度闭环控制利用反电动势和PID算法实现速度控制,无感速度闭环控制通过过零信号和PID算法实现速度控制。
目录
前言
一、概述
二、驱动原理
编辑
三、(有感)速度闭环控制
四、无感控制(无位置传感器)
四、(无感)速度闭环控制
总结
前言
声明:学习笔记来自正点原子B站教程,仅供学习交流!!
一、概述
简介:
BLDC电机是一种无电刷和换向器设计的直流电机,亦称无换向器电机。与有刷直流电机相比,BLDC电机的最大区别在于完全 absence of电刷和换向器。其独特的结构特征在于转子与定子的布置实现了位置互换。如图所示,BLDC电机的定子结构在左图中为绕线式,而传统有刷电机的定子结构则采用永磁体设计。

其运转过程类似于机电传动控制课程中所讲述的异步电机运行机制,其运动轨迹则由永磁铁转子沿着定子磁场位置不断变化而被"跟随"。
分类:


主要参数:
极对数(P):转子磁铁的NS级极对数,此参数与电机旋转速度相关:电子速度(n_e)= 电机实际转速(n_r)×极对数(P)。
KV值:值越大电机转速越大。电机转速 = KV值*工作电压
额定转速:额定的电流下的空载转速,通常单位用RPM表示
转矩:电机中转子产生的可以带动机械负载的驱动力矩。通常单位为:N-M
应用场景:(前途无量)
无刷电机的应用场景很广泛,如电动车、无人机、风扇、鼓风机、抽油烟机等等。
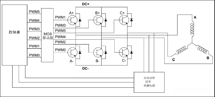
二、驱动原理
内转子式BLDC为例:
引脚:

原理分析:
内转子式BLDC经简化处理后,其工作原理如下。控制电路中,u、w、v三相电流可正可负,通过两两组合导通,形成六种不同的组合方式,也被称为六步换相控制。

如何实现三相极性切换?
通过三相逆变电路来实现极性更换。采用三个半桥电路和高功率MOS管进行开关动作。

上面的方式是通过将电源加载到线圈上进行操作,会导致电机转速迅速提升到很高的水平。因此,通常采用PWM 来替代高低电平,这样可以更灵活地控制线圈电流,从而实现对转子扭矩和转速的有效调节。


采用PWM调制的方法实现直流无刷电机的控制,如上右图所示,实验中采用的是第四种H_{\text{PWM}} - L_{\text{ON}}控制方案:上桥臂端子采用PWM调制,下桥臂端子采用高低电平直接控制,电机转速主要由上桥臂端子的PWM占空比决定。
如何确定当前转子的位置在哪?
带有位置反馈的传感器系统,其数据采集依赖霍尔式位置检测传感器;无传感器系统,其数据采集依赖反电动势信号。这里仅介绍有感控制,无感控制将在后续章节详细讲解!
霍尔传感器检测:


霍尔与绕组得电情况真值表,不同厂家不同,不需要记忆!

驱动板介绍:
该系统集成多种保护功能,包括三相逆变电路、三相电流采样、电源电压采样、温度检测、霍尔、编码器及过零检测信号,同时具备过流保护电路等完善的安全保障措施。
有感驱动配置流程:
初始化相关IO和TIM。初始化定时器和相关IO,设置6条通道,其中3条上桥臂和3条下桥臂,最后设置中断服务。
霍尔传感器的状态读取。实现霍尔传感器状态读取的函数。
③六步组合。上下桥臂的导通情况,共6种,也称为6步换向。
④设置无刷参数。设置旋转方向以及脉冲占空比,并编写无刷启停函数。
中断服务函数在内部读取霍尔状态,基于方向和霍尔状态逐步导通上下桥臂。
模拟量采集配置流程:
①电机基本驱动。实现电机的基础驱动函数,启停、6步换向组合等等。
②初始化ADC&DMA。使用DMA进行ADC的数据传输,减少CPU的使用率。
③采集函数。编写数据采集函数。
④中断服务函数。在电机未启动旋转时的基准电压采集装置,通过测量旋转后的电压值与基准电压值的差值来计算实际电压。
三、(有感)速度闭环控制

有感测速原理:

第一步:可以观察到,当单级对旋转一周时,霍尔元件输出一个完整的N-S脉冲。
在第二步中,我们计算高电平的持续时间,即,其中,t代表高电平持续时间,计算公式为t = C / Ft,其中Ft是计数频率,C为计数次数。
第三步:所以旋转一圈,需要的总时间为T = 2*C/Ft
所得出的结果就为:s/圈 ,倒数就为:圈/s ,转化为RPM即:Ft/(2*C) *60 即可
当转子为2对级时,速度公式为:Ft/(4*C)*60
有感速度闭环控制配置:
①电机基本驱动:实现电机的基础驱动函数,启停、6步换向组合等等。
PID算法体系:采用PID算法(增量式/位置式)的形式。
③速度控制:编写速度控制代码。
上位机通信:开发上位机通信功能模块,能在上位机界面动态呈现当前速度与目标速度的波形变化。
⑤中断服务函数:在中断里边计算电机速度,调用PID算法实现PID控制。
以上说的是有霍尔传感器的有感控制,下面介绍下无感控制!
四、无感控制(无位置传感器)
简介:
无感控制无需位置传感器模块(霍尔或光电)即可实现对无刷电机的驱动。仅限于黄绿蓝三根粗线段(U、V、W),无另外五根与传感器相关的细线段。因而,缺乏位置传感器的无感控制使得电机体积得以显著缩小。
有感驱动:基于霍尔信号的组合进行判断转子当前位置;无感驱动:利用过零信号的组合进行判断转子当前位置。

控制原理:
在换相操作过程中,当定子绕组进行换相时,磁场方向持续变化,导致永磁铁转子开始旋转。根据楞次定律,这种变化会产生反电动势。
过零点即为反电势由正变负或由负变正的转折点。在反电动势曲线中,过零点均位于未送电的一相。
在电机一个电周期的旋转过程中,电流和反电动势的波形图示如下:其中实线代表电流,虚线代表反电动势,红点标注过零点位置。

分析:
注意:1、多个过零信号的组合能够精确确定转子位置;2、过零点出现在换相操作提前30度的时刻。(参考左图理解操作流程)
结论:
过零信号组合对应的绕组导通真值表:

无感驱动整体框图:

利用过零点信号的综合分析,识别转子位置信息,进而控制逆变器功率器件的开/关动作,以实现绕组的换相过程。
过零电路解析:

当相电压过高时,采用电阻分压网络进行分压(左图最右侧);运算放大器不仅隔离了输入和输出信号,还增强了信号的驱动能力(中);在7脚处接入了RC低通滤波电路,以有效去除信号线上的高频干扰(中);其中,BEMF_M被视为虚拟中性点,右图是该电路的核心组成部分,若BEMF_U(V或W)电压高于中性点BEMF_M,则输出1,反之输出0;通过ZERO_U(V、W)过零信号的组合,可以精确判断转子的当前位置。

在输出三个过零信号后,到达上图左侧的复用芯片,通过右下角的跳线帽可以选择连接霍尔信号或过零信号,随后右侧端子用于连接电机开发板。类似于有感控制,仅使用H和Z引脚(V、W)进行供电,其中H或Z引脚的选取由左侧复用芯片决定。
无感驱动配置流程:
①电机基本驱动:实现电机的基础驱动函数,启停、6步换向组合等等。
②定位:固定转子在某一位置,然后以一定的速度按顺序换向旋转。
③检测过零信号:当稳定检查到过零信号时,进入过零控制。
过零信号处理流程:去除异常尖峰电压,检测过零信号的变化情况,记录延迟时间,当延迟达到30°时,启动换相过程。
⑤中断服务函数:定时调用过零控制函数
四、(无感)速度闭环控制
无感测速原理:

可以观察到,当系统处于单一级状态时,旋转一圈的过零信号会导致输出一个完整脉冲,其中包含一个高电平和一个低电平。
计算高电平的持续时间,其中,t = C / Ft(其中,Ft表示过零信号的计数频率,C为计数次数。
③所以旋转一圈,需要的总时间为T = 2*C/Ft。
结论为:s/圈,倒数即为:圈/秒,转速(RPM)为Ft/(2C)×60。当转子为2对级时,转速公式为:Ft/(4C)×60。
无感速度闭环控制配置:
①电机基本驱动:实现电机的基础驱动函数,启停、6步换向组合、过零控制等等。
②PID控制:实现PID算法。
上位机通信:开发上位机通信模块,通过上位机实时显示当前速度与目标速度的变化情况。
④中断服务函数:计算电机速度,调用PID算法实现PID控制。
总结
在遭遇挫折时,要有坚定的信念,积极行动,坚持不懈,永不放弃。成功者往往源于永不放弃的精神;而放弃努力的人,终将一无是处。成功之路并非没有挑战,失败是成功路上的必经之路。只有正确对待失败,才能从中吸取教训,走向成功。那些害怕失败的人,往往无法真正成功,因为他们无法从失败中吸取教训,反而会更加失败。

往期精彩:
[控制理论 PID算法]( "控制理论 PID算法")
STM32定时器输入捕获(IC)
STM32定时器输出比较(PWM波)
STM32定时中断
STM32外部中断
STM32GPIO精讲
…
