直流电机双闭环控制
该系统基于直流电机采用PWM变换器进行转速调节,采用双闭环控制结构实现电流和转速的无静差控制。通过电流环(PI调节)实现快速电流调节,在电流截止负反馈的基础上引入超前校正以加快响应速度;转速环(PI调节)用于精确控制电机转速,在内环先对比例系数Kp进行整定后逐步调整积分系数Ki以提高动态性能。控制器设计中考虑了电机过载倍数为1.5的要求,在空载到启动到额定转速过程中保证超调量小于5%。通过仿真验证,双闭环调速系统能够快速响应扰动并维持稳定运行,展现出良好的动态特性及抗扰能力(图3-4)。
- 设计题目与要求
被控对象为一直流电机,采用PWM变换器进行转速调节。电机额定电压

,额定电流IN=50A,额定转速

反电动势系数Ce为0.15\ \text{V}·\text{min}/\text{r};PWM变换器的开关频率设定在8\ \text{kHz}时,则其方法系数K_s值确定在110(可将其视为一个放大倍数为K_s、时间常数\tau = 0.125\ \text{ms}的惯性环节);电机电枢回路总电阻R值确定在0.4\ \Omega时,则其电磁时间常数$\tau_m = R * L_r = ?

;电力拖动系统时间常数TM=0.18s;转速反馈系统系数


。电流反馈系数 。
要求:
- 基于分析机制法构建系统的数学模型。
- 深入解析转速电流双闭环控制的运行规律及其调节机制。
- 当电动机允许的过载倍数设定为1.5时,请设计一个无静差双闭环调速系统方案,在空载状态至启动过程中、启动至额定转速阶段以及整个运行过程中的超调量均需满足σ₁<5%,σ₂<5%,σ₃<5%的要求。
- 对实验结果进行仿真建模与动态特性分析。
- 设计思路及内容
1.直流电机数学模型
在电力拖动控制系统中常被采用直流电机作为核心驱动元件基于电枢电压作为输入信号电机转速则被设定为输出变量。假设系统中的电动机补偿装置运行正常同时忽略电枢电路中的反应效应以及电磁感应中的涡流效应等复杂因素并且维持励磁电流恒定从而建立了直流电动机的数学模型以及相应的运动学方程如下所示:

(1)

(2)
在电力拖动系统中,在电枢电路中存在一个重要的运动学关系式:Ud = L·dI/dt + R·Id + E。其中L、Id和R分别代表电枢回路中的电感、电流和总电阻值。而反电动势E则与电机转速成正比,并可表示为E = C·ωe·n(其中C为常数)。此外,在系统中还涉及到两个关键的输出量:Te表示电机产生的电磁转矩大小(Te = Cm·Id²),而TL则是系统负载所施加的转矩。此外,在整个运动学模型中还需要考虑机械惯性特性GD2这一参数。通过整理方程组并结合能量守恒原理,在数学上可得到以下结论:电流I与电压U之间的关系式为I = (U - E)/R + L·dI/dt;同时反电动势E与电流I之间也存在动态关系式E = Ki·ωe + Kt·Tm(其中Ki为电动机内阻系数)

(3)

(4)
在式中,
T_1代表电枢回路的电磁时间常数,
I_{dL}表示负载电流;
T_2表示电力拖动系统的机电时间常数,
考虑到n = E/C的关系,
则可得直流电动机的动态结构图。

图1 直流电机的动态结构图
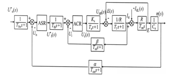
为实现转速与电流的双闭环控制,在系统中设置了两个独立的调节装置,分别用于控制转速与电流的变化。即对转速与电流两端实施相应的负反馈控制,并将这两个环节通过嵌套式的信号传递结构进行连接。具体而言,则是将第一个调节装置(转速调节部分)输出的信号作为第二个调节装置(电流调节部分)的输入端信号来源。为确保系统的良好静态与动态性能,通常会采用比例-积分(PI)型调节器来完成这两个环节的控制任务。
2.双闭环调速系统原理
基于转速负反馈与PI调节器的单闭环调速系统,在确保系统稳定性的前提下可达成无静差的速度控制。值得注意的是,在单闭环系统中仅电流截止型负反馈环节专门用于电流控制;它仅在超过临界电流值后才开始发挥显著作用,并不能理想地维持电流动态波形的理想状态。当电路中电机转矩随电流最大值逐步减小时,则会导致加速过程时间延长。在实际运行操作中我们期望能够在电机允许的最大转矩限制条件下充分释放电机允许过流能力并尽可能维持启动阶段始终处于最大加速度运行状态;为此应尽可能使启动过程中电枢电流始终保持在允许的最大值水平以实现最快速度上升曲线直至稳定状态到达后又能迅速降至负载平衡点从而进入稳态运行模式。这样可使得启动阶段呈现出明显的方波形特征而速度响应则呈现出线性增长特性;这种控制策略是在最大允许转矩限制条件下的最优调速过程表现形式。

图2 直流双闭环调速系统动态结构框图
3.控制器设计
(1)电流调节器设计:
在电流环的设计过程中,由于T1相较于Tm要小很多,导致了电流调节速度明显快于转速变化速度.基于此,在电流调节器快速响应的过程中,可以暂时忽略反电动势E的变化影响.将该电流环进行典型I型系统的校正后,其传递函数为G_i(s)=\frac{K_i}{s}

(5)
其中,Ki,

由比例放大系数K_p和积分时间常数T_i组成的电流调节器。基于"对消"原理,在控制对象中具有较大惯性环节的时间常数特性时,通过校正可显著提高系统的响应速度;采用该调节器后能使系统响应速度得到改善

根据"电子最佳调节理论"中提出的"二阶最佳系统"概念,在确定比例放大系数 Ki 时;其取值由系统的动态性能指标所决定;从而得出其结果为 Ki = Ti;Pi 调节器的积分时间常数 Ti 与比例放大系数 Ki 的关系式即为:K_i = T_i
(6)
(2)电流环的参数计算
PWM 装置的延迟时间Ts:本设计中 PWM 变换器开关频率为 8kHZ,则取Ts=0.125ms=0.000125s;
电流滤波时间常数

以三相桥式电路的方式进行整流装置设计,则每个波形的持续时间为3.3ms(约为基本滤波波形),具备滤除高频干扰的能力。

=3.33ms,因此取

=2ms=0.002s;
电流环小时间常数之和

:取

;
电流调节器超前时间常数:

=

=0.015s;
电流的反馈系数:

=0.1;
电流环开环增益:构建最佳二阶系统,取电流环超调量

=5%,取

=0.5,因此:

=

=

= 235.3(

)
ACR 的比例系数:

=

= 0.128
(3)转速调节器设计:
在转速调节器的设计中可将现成设计好的电流环设为转速环的控制对象。通过这一方法获得转速环的动力学结构图后,在实现无净差的速度跟踪目标下,并增强系统在外界干扰下的动态抗扰能力的同时,将其速度调节机构定型为典型的II型系统其传递函数形式则为

(7)
式中,Kn和 τn

包括转速调节器的放大倍数和时间常数。基于II型系统典型参数的设计方法得出T1=hT2关系式,在此关系式中h代表中频宽度,并取值范围通常为5。进而采用II型系统典型最小闭环幅频特性的峰值Mrmin准则,并结合该准则条件求解出PI控制器的传递函数表达式。
(4)转速环的参数计算
电流环等效时间常数: 1/ KI = 2 __

2×0.002125=0.00425s
转速滤波时间常数Ton:根据所用测速发电机纹波情况,取Ton=0.01s
转速环小时间常数之和

空载启动到额定转速

≤5%,取 h=5,则 ASR 的超前时间常数为:

转速环开环增益:

ASR 的比系数为:

- 仿真分析
根据"内外环调节原则",在每一个闭环控制器中依次进行参数整定时,则应先对比例系数Kp进行优化设置后继动作安排,在此基础之上再对积分系数Ki进行微调处理。这样既能保证系统响应速度不受影响又能在稳态特性上有明显提升。在初始调校阶段采用连续信号作为输入源来进行系统性能测试,在初步整定参数后发现这套双闭环电机调速系统能够满足设计要求即其超调量控制在5%以内且达到了无差速调性能指标。

图3 双闭环调速系统仿真波形
当施加一个扰动时,在中间某一时刻加入该扰动,并观察其仿真信号如图4所示的情况。对于双闭环控制系统而言,在施加一个扰动时,系统的转速值出现下降趋势,并迅速恢复到新的稳定状态。

图4 加入负载后的仿真波形
