BOOST双闭环控制simlulink仿真
发布时间
阅读量:
阅读量
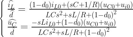
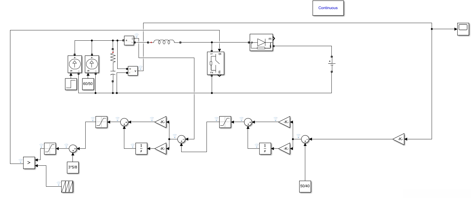
boost电路是一种常用的拓扑,但其开环运行会产生静差、负载调整率大且对电网波动敏感,因此需要闭环运行。开环特性分析包括交流小信号、平均模型和状态空间模型,其中平均模型通过将时变器件用平均值代替,在复频域中写出电路方程,得到传递函数。开环特性分析显示剪切频率较低,穿越斜率较大,相角裕度不足。通过Simulink仿真,闭环系统分为电压前馈、电压外环和电流内环,电压前馈确保输出电压稳定,电压外环通过电压误差量生成电流参考量,电流内环通过电流误差量调整PWM信号。稳态时,电压误差为零,系统输出稳定,扰动时PI调节使系统快速响应并维持设定值。
写在前面
boost电路是一种广泛应用的拓扑结构,开环运行不仅会导致静差的产生,还可能导致负载调整率显著增加,且对电网波动较为敏感。因此,闭环运行成为必要的选择。
开环特性
开环特性需要写出boost电路的开环传递函数,具体方法包括交流小信号分析、平均模型以及状态空间模型等多种方法。其中最简单的就是平均模型,其基本思路是将所有时变器件用其平均值进行替代,然后在复频域中建立电路方程,从而导出传递函数模型。由于篇幅限制,这里直接给出开环特性


可以画出Bode图看一下稳定性

剪切频率比较低,而且穿越斜率有点大,相角裕度也不是很OK
simulink仿真
仿真图

分析模型
整个闭环系统可以分为三个部分,电压前馈、电压外环以及电流内环。
电压前馈的作用:让升压输出的电压大概保证在设定值左右。
电压外环:通过电压误差量,PI得到电流参考量。
电流内环:通过电流误差量,PI得到总的PWM信号调整值。
在稳态条件下,电压误差趋于零,然而由于历史偏差量的积累,积分值依然存在。因此,电压外环输出量趋于稳定,其稳定值应当等于稳态电流值,从而实现电流误差的消除。当电流或电压发生变化时,PI控制器能够抑制变化,使PWM输入信号维持在预定值。
全部评论 (0)
还没有任何评论哟~
