2022年湖北省大学生电子设计竞赛A题(单项交流电子负载)赛后总结
本次设计围绕单相交流电子负载的模拟与能量回馈展开,要求设计电路能够模拟电阻性、电感性和电容性负载,并在50Hz交流电回馈能量。设计包括交流电源部分、前级AC-DC变换电路、后级DC-AC逆变电路、辅助电源和单片机控制。硬件电路主要由主回路、同步触发电路和全桥驱动电路组成。设计中遇到的问题包括调压器容量限制、前级电感对电流波形的影响、多变量对功率因数的影响以及辅助电源供电稳定性问题。通过增加1欧姆电阻、调整后级相位和幅度、引入PI控制等方法解决了这些问题。最终设计实现了对不同负载的模拟,并在2A输入电流下达到了较高的功率因数控制。总结中提到,这次设计不仅提升了自身能力,也为未来的设计积累了宝贵经验。
目录
一、设计要求
1、任务
2、要求
3、说明
二、方案介绍
三、硬件电路
1、主回路
2、同步触发电路
3、全桥驱动电路
四、遇到的问题及解决方法
问题一、调压器容量问题
问题二、前级电感问题
问题三、多变量影响功率因数
问题四、辅助电源问题
五、总结
前言
又一次的四天三夜,再次封箱,测试,省一。结束了我的两年电赛生活。
一、设计要求
1、任务
搭建一个单相交流电子负载系统,其结构示意图如图所示。该系统主要包含两个关键模块:负载特性模拟单元和能量回馈单元。其中,负载特性模拟单元能够模拟电阻性、电感性和电容性负载的特性,而能量回馈单元则能够将尽可能多的能量以50Hz的交流电形式回馈。

图1 单相交流电子负载原理图
2、要求
(1)模拟电阻性负载,电子负载输入为 U 1=30V, I 1=2A。(15分)
(2)模拟电感性负载的电路,电子负载的输入参数设定为 U 1=30V, I 1=2A,其功率因数cos φ 1可通过数字控制动态调节至0.50至1.00之间。(25分)
模拟电容性负荷,电子负载的输入为 U 1=30V, I 1=2A,其功率因数cos φ 1可通过数字调节在0.50至1.00之间自动变化。(25分)
在模拟电阻性负载电路中,设定输入参数为直流电压U₁=30V,直流电流I₁=2A,通过电子负载测量其输入功率P₁和回馈功率P₂,并计算功率差值ΔP=P₁-P₂,要求ΔP值越小越好,本实验满分为25分。
(5)其他。(10分)
(6)设计报告。(20分)
| 项 目 | 主要内容 | 满分 | |
|---|---|---|---|
| 设 计 报 告 | 方案论证 | 比较与选择,方案描述 | 3 |
| 理论分析与计算 | 不同类型负载的模拟,能量回馈的方法 | 6 | |
| 电路与程序设计 | 主回路与器件选择,控制电路与控制程序 | 6 | |
| 测试方案与测试结果 | 测试方案及测试条件,测试结果及其完整性,结果分析 | 3 | |
| 报告结构及规范性 | 摘要、设计报告正文结构、公式、图表的规范性 | 2 | |
| 报告总分 | 20 |
3、说明
(1)为简化题目、方便测试,电子负载回馈的能量由电阻性负载消耗。
(2)图1所示的电源模块为50Hz的正弦波交流电,形式不一,但必须采取相应的隔离等措施,以确保系统安全运行。
(3)为方便测试要求(4),交流电子负载仅由图1中的交流电源供电。
(4)题中所有交流参数均为有效值。
(5)电子负载的输入功率值 P 1等于 U 1乘以 I 1再乘以cos φ 1,输出功率值 P 2等于 U 2乘以 I 2再乘以cos φ 2。其中,输入侧的功率因数为cos φ 1,回馈侧的功率因数为cos φ 2。
(6)电路制作时应考虑测试方便,合理设置测试点。
二、方案介绍
总体方案如图所示,包括交流电源部分(由隔离变压器、调压器和功率分析仪构成),以及前级AC—DC变换电路与后级DC—AC逆变电路,辅助电源和单片机控制,如图所示。交流电源AC—DC的直流量为辅助电源提供统一供电,同步电网通过调节前级AC—DC电路接入SPWM,以调节电流与电压的相位关系,从而控制功率因数。同时,采集到的交流电流用于调节DC—AC的SPWM幅度系数,通过闭环PI控制实现输入电流大小稳定在2A。

通过前级的AC/DC实现电子负载模拟,后级DC/AC实现能量回馈。
针对前级AC/DC的PWM整流控制技术的功率因数原理,可参考教材(第五版电力电子技术)

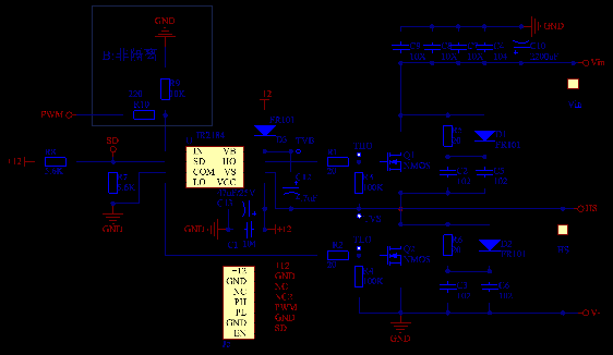
三、硬件电路
1、主回路
电路拓扑图如下:

2、同步触发电路
主要作用在于产生单片机同步触发信号,使得单片机输出的SPWM波形的相位与电网相位同步,从而实现同步整流。由于输入电压的变化,仅能依靠过零比较电路来确保每次触发的均为同一相位点。

3、全桥驱动电路
采用IR2184S驱动芯片对MOS管进行控制,通过其开关动作实现单相电子交流负载的功能,同时实现后级回馈功能。

四、遇到的问题及解决方法
问题一、调压器容量问题
单相调压器负载负载的电流最大有效值即
调压器的额定电流=调压器额定容量÷最大输出电压
2KVA的单相调压器负载最大电流=2000VA÷250A=8A

该理论型调压器具备8A电流调节能力,但在输出小电流和大电流时,调压器输出电压会出现明显变化。具体表现为:小电流时输出电压可达30V,而当电流提升至2A时,输出电压会下降1至2V。这种现象确实令人困惑。在进行三相AC-DC转换项目时,也遇到了类似问题。为了满足测试要求,需要通过调节调压器的输出电压来实现校正。
原因:根据戴维南定理,将调压器与功率分析仪的系统输入端等效为一个电压源和一个电阻。由于电流较小,内阻分担的电压也较小,因此输出电压较大,电流较大,而内阻分担的电压随之增大,导致输出电压下降。进一步的问题在于,内阻的具体位置究竟在哪里。
1、调压器容量小,内部线圈的电阻大。
2、大电流,连接线太长,中间还过了功率分析仪,线路带来了不可忽略的电阻。
问题二、前级电感问题
前级为电压型PWM整流电流电路。电感存储能量。
若电感取值太大,会带来两个问题:
经整流处理后的直流电压水平较高。在失控情况下,该电解电容可能承受的电压超过其耐压值100V。
二是电感值大,绕磁环的圈数会增加。线路会变长,会增加系统的功耗。
若电感取值过小,将直接影响电流的波形。当电路采用电阻性负载时,电流波形会发生畸变。这将导致功率因数难以达到0.995以上。
问题三、多变量影响功率因数
最后一个问题伴随了我两次的参赛经历。去年在三相AC-DC变换器的最后一项指标中,我实现了功率因数从0.9提升至1。今年则聚焦于单相变换器的主要指标。这个任务确实是个大难点。
电路系统分为前级和后级两个部分。软件具备控制能力,能够调节四个关键参数:前级的相位(相对于电网)和幅度,以及后级的相位和幅度。
在操作中,首先会整流的相位点,理论上可以通过调整前级相位来改变电流的相位。这种调整可以实现对功率因数的控制,并模拟出感性与容性负载的效果。然而,在容性方向上移动相位一两个点时,电流会突然急剧上升,导致保险丝熔断。而在感性方向上移动时,可以多调整两三个点,但调整过界同样会导致电流异常。为了扩展可调范围,建议在功率分析仪之后,在电路前端串联一个1欧姆电阻。这相当于引入了一个负反馈机制,电阻分压后会增加后级的电压,从而扩大可调范围。然而,这种调整会显著消耗能量,至少需要消耗2W的额外能量。这不仅会导致电路烧焦,还频繁引发锡熔断现象。

前级整流电路的幅度:会对其整流后的直流电压幅度产生影响,同时也会对功率因数产生影响。因此,该系统的可调范围是有限的,需要考虑直流侧电容的耐压特性。
后级相位
后级幅度:尽管题目并未明确要求直流侧保持2A电流稳定,但所有测试均在2A条件下进行。通过调节后级幅度,可以实现直流侧电流的稳流2A目标。改变后级幅度等效于调整直流侧的负载大小,从而可以利用PI调节器精确控制电流大小。后级幅度的变化会直接影响直流侧电流大小,进而影响功率因数。
当时搞明白所有的影响因数后已经是第三天的下午了。
最终还是定下了一个折中的方案:
建议在电路中添加1欧姆电阻,即便它会消耗功率,但这样做可以确保系统稳定且保护电路。
2、后级相位不动,减少影响因数
3、后级幅度PI电路2A。以达到测试条件
首先,根据不同的功率因数要求,通过查阅相关表格确定整流SPWM波的初始相位和幅度大小;接着,基于此进行功率因数控制;最后,引入三次谐波补偿以提升整体的调整精度。
除了上述四个因素外,还有其他未知因素也会影响功率因数。例如,每次通电时的电压大小不一,即便调压器的位置未变。然而,0.9至1.0范围内对功率因数的影响较小,而0.5至0.9范围内影响较大。导致了设定精度难以达到理想状态。此外,PI电流为2A,这一数值也会出现波动,功率因数随之波动。最后,电路长时间运行后会产生热量,系统特性也会随之发生变化。

作品实物图
问题四、辅助电源问题
辅助电源不仅需要为电路的各个模块供电,还必须为单片机供电。建议在比赛的最后一天断开电脑供电,改用辅助电源供电。以防供电不稳定导致的问题。单片机耗电较多,使用辅助电源供电时,若供电不足,电感会产生噪音。此问题在封箱前就已经显现出来。幸好有备用模块。在封箱后,经过三十分钟的电路恢复测试,问题得以解决。非常庆幸。
五、总结
比赛的结束标志着过去两年的电赛圆满落幕。回顾这两年的经历,感谢老师的悉心指导,学长学姐的无私帮助,伙伴之间的深入讨论。让我收获颇丰,也得到了显著的成长。感谢大家的支持与鼓励。未来,我将继续努力,争取更大的成就。
