毕设分享|基于51单片机控制的太阳能光伏双轴自动追光系统设计
本系统设计采用双轴自动跟踪技术,通过步进电机双轴驱动和光电传感器反馈控制,实现对太阳能电池板的实时优化。系统采用51单片机作为核心控制器,结合光电转换芯片、步进电机驱动电路、按键输入接口和LCD显示模块,完成太阳能发电效率的提升。硬件设计包括单片机、光敏电阻、模数转换芯片、步进电机驱动、按键和LCD模块。软件设计实现采光板方向自动调整功能,支持手动和自动模式操作,确保系统高效稳定运行。
在现代人类发展的进程中,能源的消耗量和需求规模都非常庞大。当代人类社会的生产建设活动和发展的需求,都需要依赖石油、煤炭等不可再生的矿产资源。然而,这些矿产能源不仅储量有限,而且在使用过程中会产生大量二氧化碳等其他气体,导致气温上升,对空气造成污染。为此,人类开始探索除了石油和煤炭等传统能源之外的新能源,例如太阳能系统。尽管太阳能的利用效率普遍不高,但开发提高太阳光能有效利用率的方法仍是当务之急。本系统采用了光电跟踪技术,通过控制步进电机的双轴驱动,利用光电传感器(光敏电阻)感应太阳光照强度的变化,发送反馈模拟信号至单片机。单片机通过控制太阳光跟踪模块在水平和仰俯两个自由度的调节,从而实现太阳能电池板方位和角度的优化调整,最终达到对太阳光线的有效跟踪,进一步提升太阳能的利用效率。
第一章 总体方案设计
1.1 系统方案设计要求
本发电系统技术研制的核心目标是更加高效地挖掘和利用太阳辐射能量。在新型太阳能技术的综合利用方面,普遍认为应通过新型太阳能发电装置将太阳辐射能量直接转化为其他形式的能源,从而实现整体的高效利用。在本文的研究中,我们系统阐述了如何开发新型太阳能发电电池板,使其能够直接将太阳辐射能量转化为电能,为太阳能能源的高效应用提供了新的技术路径。
在进行太阳能实时综合能效转换的过程中,由于太阳辐射位置会随着时间的不断变化而产生不同。如果未采用实时可变的太阳能接收处理装置,那么该装置就无法准确且及时地根据太阳辐射的变化进行调整。这导致太阳能接收装置只能固定在一个方向、空间和维度上接收某一时间段内的太阳辐射,从而使得综合吸收利用效率无法达到最佳状态。因此,为了显著提升实时太阳能的综合吸收利用效率,必须采用实时太阳能跟踪系统,通过该系统可以实现对太阳能源的实时光伏跟踪。在本研究课题中,主要采用了太阳光能双轴实时跟踪技术,对传统太阳能系统进行优化改造,使太阳能接收装置的轴始终正对太阳辐射方向,进一步提高系统的太阳辐射吸收效率。
本产品管理控制系统的主要产品涵盖整体结构设计和研发阶段的技术指标要求中的一个方面,即产品成本控制经济、结构简单明了、性能稳定可靠。基于本类型应用设备系统的整体结构设计要求,装置的各个组成部分需要尽量选用符合整体结构设计要求的方案。
在结构组件设计方面,广泛应用性价比高的优质结构组件,充分考虑到其在经济性和使用上的优势。在系统整体架构规划中,简洁的设计方案能够有效避免过于复杂的系统架构,同时价格投入相对较低,预算投入相对较低,确保系统设备在运行、安装和日常维护中达到最佳状态。在自动控制系统整体架构设计中,充分考虑到全天候运行控制的基本要求,选用耐用、可靠且抗干扰性强的自动控制执行器和控制元件。
避免频繁重复操作从而发生新的系统异常或者故障。
设计要求如下:
在光伏收集板块上设置了四个光敏敏感电阻,通过四个不同方位的光敏敏感电阻采集的光源模拟信号,从而可以推断出哪一个光伏采集板接收到的入射光强度较高。然后,从而自动调节光在采集板上的位置,使一个采集板对准一个光源。
②使用双轴模拟运行。
系统工程软件设计的核心功能组成部分,包括硬件和软件两部分,必须确保能够无故障运行、功能实现准确无误。
合理地正常工作运行。
该设备具备手动操作模式和自动运行模式,配置有运行状态指示,并配备有功能指示灯,自动进行状态提醒。
1.2 系统总体设计分析
硬件设计的核心内容包含光伏电能转换控制模块、AD转换控制模块、单片机控制模块、按键输入输出模块以及步进电机驱动模块的硬件设计。整体电路结构框图设计如下:

图1 太阳能自动跟踪总体框图
该装置的原理图示意图展示了其工作流程。该装置采用双轴自动跟踪系统设计,能够分别在方位角和高度角两个方向上实现对太阳光能的精准追踪。该系统由两个步进电机协同工作实现。其中,传感器接收太阳光能信号并将其转换为电信号,经由信号处理及控制电路后,输出相应的控制信号以驱动方位角调整机构和高度角调整机构,从而完成位置的精确调节。
1.3 光电转换电路部分
在光电转换电路模块中,该模块由四个相同的基电路构成,每个基本电路均由光敏电阻构成。随后连接PCF8591的模数/数模转换芯片,最后将信号传递至单片机进行数据处理。
1.4 键盘、显示接口电路
单片机应用系统中具备键盘输入数据、发送命令等功能,是进行人工干预单片机操作的重要工具。本设计中采用了四个独立的键盘按键。其中,K1键可设置当前日期和时间,通过按下K1键可依次调整年、月、日、时、分的值,当调整任一时间部分时,系统会相应闪烁提示。此外,用户可通过按下K3+K4-组合键来调整不同的时间数据。K3键负责切换工作模式。
1.5 时钟电路设计
本设计旨在通过电子器件编程实现时钟的各种功能,功能表的设计方案提供了多种实现方法。其中,常用的方法包括使用一块电子编程芯片(如555系列芯片)进行编程,通过芯片内部的电子编程系统,可以生成与单片机相关的电子时钟编程数据。本文所提出的基线设计方案要求数字晶振器的时钟日历显示芯片电路必须同时具备准确显示晶振时钟日历和精确计算分钟时间的能力。目前,针对一般晶振时钟显示芯片的基本设计方案仍缺乏有效解决方案,这在一定程度上会给操作系统和编程人员带来不便。为此,我们可以采用DS1302芯片作为解决方案,通过单个数字晶振器的时钟显示电路,直接生成晶振时钟日历数据,并将其存储在内部晶振时钟数据存储器中。按照设计要求,我们需要进行的核心工作包括持续不断地读取和解析这些晶振时钟日历数据,并将其转换为各个时钟显示器所需的时钟信号,同时确保能够准确识别和传输有效的晶振时钟日历数据,最终实现对各个时钟显示器的实时显示。通过采用具有较少硬件资源消耗且时钟值精确性、实时性显著提升的DS1302芯片,我们能够设计出一款功能强大、性能优越的通用数字射频时钟信号处理核心芯片。
第二章 系统的硬件设计
2.1 51单片机模块
单片机最小系统,或者称为最小功能系统,是指由最少数量的元器件构成的单片机可以正常运行的系统。对51系列单片机而言,最小功能系统通常需要配置包括单片机、晶振电路和复位电路。


图2 单片机最小系统
2.2 光电转换、步进电机模块
电路板上布设了4个方位各异的光敏电阻,在不同强度的太阳光照射下,光敏电阻的阻值会发生相应变化。电压也会随之变化。光敏电阻值越大,其外加电压也越大。通过pcf8591模数转换芯片将模拟信号转换为数字信号,单片机通过检测不同电压值来识别光敏电阻接收到的光照强度变化,从而控制步进电机移动至合适位置。
ULN2803由8输入/8输出的驱动芯片构成,这里采用的是基于五线四相步进电机的结构设计,其本质是单片机通过循环控制其IO口实现驱动。

图3 光电转换模块电路图
2.3 时钟、按键模块
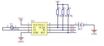
时钟芯片的1号脚、4号脚分别通过时钟电源连接VCC和GND,为时钟提供稳定的时钟信号。芯片的2、3脚连接一个振荡器,为时钟提供基准频率。为了确保时钟信号的稳定性,外置一个4.7千欧的上拉电阻,同时备用电池为时钟供电,确保时钟信号的持续性。
其中一端接地,另一端连接单片机的IO口。单片机IO口在未被操作时默认处于高电平状态。当按键被按下时,其对应的IO口与地电连接,从而将电平拉低。当按键松开后,对应的IO口电平恢复为高电平。因此,通过检测哪个IO口保持在低电平状态,即可确定是哪一个按键被按下。

2.4 液晶显示模块
LCD1602液晶显示模块具有丰富的管脚功能,其中负责数据传输的管脚共有8个,分别对应单片机的D0-D7引脚。另外三个管脚则作为控制管脚,分别连接单片机的P0、P11和P2引脚。模块内含两组VCC/GND电源,其中一组仅用于LCD模块的背景显示供电,另一组则为整个LCD显示模块供电。VO管脚的功能是调节对比度,经过3KΩ电阻接地后可确保良好的显示效果。

图5 液晶显示模块电路图
第三章 系统的软件设计
3.1系统整体软件设计
本系统设计整体软件程序流程图如下图所示:

图6 整体软件流程图
自动模式流程图:
在自动模式下,单片机利用采光板上的四个光敏电阻以检测采光板上下左右四个方向的光强度值,并控制步进电机工作,使采光板正面移向光强度值最大的一方。

