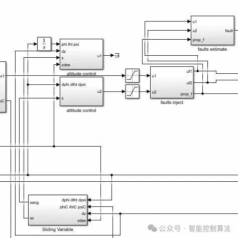
无人机动力学控制
无人机(UAVs, Unmanned Aerial Vehicles)的动力学控制研究涉及无人机飞行过程中的运动控制与稳定性优化。其动力学模型涵盖了无人机的位置、速度、加速度、姿态以及外界环境因素(如风速)对飞行性能的影响。深入理解这些动力学特性对于开发高效可靠的飞行控制系统具有重要意义。

无人机动力学基本介绍:
无人机的动力学研究主要涉及两个方面:一是平移运动(位置与速度),二是旋转运动(姿态角与角速度)。这些动态关系通常通过牛顿-欧拉方法进行建模。
l平移动力学涉及到无人机质心的线性运动。
旋转变动动力学涵盖了无人机围绕质心执行的旋转运动这一领域。在该领域内,其动力学特性具体表征为欧拉角及其四元数表示与角速度矢量的结合。
常见的无人机控制方法:
**1.**PID控制器:
核心任务是实现无人机的位置与姿态控制。PID控制器采用比例、积分和微分三项的组合来调节系统的输入,在预期的理想状态下完成位置与姿态的精确控制。
**2.**LQR控制器(线性二次调节器):
基于线性系统的状态空间模型及二次成本函数设计研究,在最优控制理论框架下构建动态系统行为描述模型;通过线性二次调节器(LQR),系统能够优化地执行各控制任务,并通过最小化路径偏差及控制能量来实现最佳性能
**3.**MPC控制器(模型预测控制):
复杂控制技术能够有效应对多变量的控制挑战,并综合考虑系统的未来状态及约束条件。模型预测控制器(MPC)通过每个时间段内求解优化问题以预测系统行为,并在此基础上计算出相应的控制输入值。
**4.**自适应控制:
在以下情况下:当系统参数存在不确定性或受到外部环境的变化影响时
**5.**鲁棒控制:
开发一种能够在对抗模型不精确性和外部干扰中保证良好性能的控制策略方案。例如,在滑模控制中采用驱动法则引导系统状态向预设轨迹渐趋收敛。
**6.**后馈线性化:
经过动态方程的转化后,并运用线性控制理论用于设计控制器
**7.**增益调度:
在这种策略中,控制参数受飞行条件(如速度或高度)影响而变化,以期应对多样的飞行情况.

无人机的控制系统设计需综合考虑多个方面因素包括无人机运动学特性任务需求以及环境条件等因素等。科学控制方案能够显著提升操作性能与安全水平同时还能使无人机在复杂多变环境中展现出更强的能力
