数值分析实验报告_毕业论文被导师吐槽像实验报告:如何撰写论文的实验数据分析部分...

大家好,我是@阿芷学姐。
刚刚提交毕业论文后, 曾几何时我也曾因导师的批评而自责, 认为我的论文写作风格的确与实验报告相似. 后来, 我不得不硬增加了大约一万三千字, 将论文从80页扩展至百有余页, 终于得以摆脱导师的批评.
在撰写毕业论文的时候,身边的同学们每天也感到不安;他们对数据分析感到困难,并且对图表分析也感到困难。
实际有很多同学在日常学习中进行了大量数量的实验,并积累了大量的一海量数据。然而,在撰写论文时却难以进行数据分析与描述工作——通常只是单靠一张图表配合简短的文字说明,并缺乏深入的分析。这样一来输出的内容看起来更像是实验报告的形式。
在此,和大家分享一下我的论文实验内容分析部分的写作方法。

多用修辞进行细节描写
毕业论文通常以第一章为绪论部分。第二章专门阐述了实验材料与方法这一部分内容。第三至第四章构成正文部分,在个别研究中可能还会包含第五章的内容。但对于硕士研究生来说,在两到三章内即可满足基本要求。
材料专业的学生,在完成一个课题的实验时通常会经历以下几个阶段:试样制备、成分表征、性能测试以及数据分析是实验的主要环节。 实验内容的撰写具体表现为观察记录图像并结合数据进行描述,并全面记录现象特征并深入分析其原因。
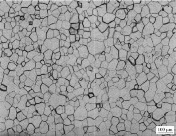
在金相分析中,请以这张图片为例:首先,请描述这张图片所展示的材料类型及其所采用的加工工艺条件,并进一步阐述其微观组织结构是怎样的。其次;从(颜色特征;形状特征;尺寸参数;形态指标;数量统计)等方面进行描述。
例如颜色可分为明暗两种类型;形状则包含等轴状片层状块状针状及树枝状等多种形态;尺寸大小可描述为粗大细小极细等多种情况;数量可用多少大量少量及极少数等多种指标来表征
如图1所示,在退火状态下形成的TA₁薄板组织主要包括大量非规则形貌的等轴α相晶体。其中,在显微镜下观察到这些α相晶体呈现出非均匀分布状态,并且其尺寸大小范围大致在20至100微米之间波动。此外,在这些显著的大规模晶体周围还存在极少数呈暗色特征的β相晶体均匀地分布在它们之间的界面区域。

图1 TA1板材650℃/1h退火态组织:等轴α+少量晶间β(暗)
在断口观察中,在宏观层面考察断面呈现明亮或阴暗的状态,并观察是否存在变形特征,并能确定材料发生的是韧性断裂还是脆性断裂
对于韧性断裂现象而言,其断口形态特征主要表现为韧窝的存在形式与数量差异等特征指标。通过对韧窝数量多少、其深度浅宽程度以及其中是否存在第二相质点等因素的变化情况与裂纹扩展趋势之间的关系研究能够获得相应的力学性能参数数据结果。在该温度条件下观察到的晶粒尺寸较小可能导致了材料内部孔洞尺寸的普遍较小

图3 韧性断口分析
在观察脆性断裂后的宏观断口时,则呈现较为平齐且光亮的特点。此类断口主要表现为三种典型特征:解理台阶、河流状花纹分布以及舌状花纹排列结构。关于解理台阶这一特征的具体描述,则可表述为:其形态通常表现为相互平行且位于不同高度层次的晶面所形成的阶梯状结构,在此晶粒边界区域是否存在微小孔隙?

数据之间进行对比
数据图表之间的分析,通常包括数据趋势、数据对比和数据细分。
数据的发展趋势一般表现为上升、下降或基本持平。例如在谈到上升时我们可以具体说明其增长幅度如增长了多少个单位或百分比变动以及增速的变化情况。如果情况是基本持平则可以通过说明受哪些因素的影响以及数据波动的具体范围来描述
数据的对比,包括同一参数下的对比、不同参数下的对比等等。
将数据进行分类,则是具体某一个指标或属性的表现情况。通过细致的数据分类能够得出关键结论,在深入分析的过程中需要逐步分解问题的本质及其影响因素,在研究过程中其本质在于持续追问原因的过程。


前后逻辑要有关联
所谓论文写得像实验报告,就是因为有啥写啥,各部分之间没有逻辑关联。
为何此处需呈现该图表?为何在此处还需实施这一测试步骤?在论文中各章节之间均需建立良好的衔接与逐步推进的关系。
最后结论统一,即注意摘要、每章小结、最后结论中的数据要保证一致。
我是@阿芷学姐,关注我,分享更多读研干货~

