matlab 图像分割_图像分割之阈值分割(matlab)
发布时间
阅读量:
阅读量

图像分割是一种重要的图像处理的技术。
对于数字图像,我们往往会对他们中的某一部分感兴趣,这些部分我们称为前景或者目标, 其余部分称为背景。为了识别和分析图像中的目标,我们需要把他们从图像中提取出来,在此基础上对图像进行进一步的处理和应用,图像分割就是为了实现这个过程。
一.阈值分割法
1.灰度阈值法分割
灰度阈值分割就是把图像灰度分成不同的等级,然后确定灰度,门阈值的方法。灰度阈值分割其实就是二值化处理,即:选择一个阈值,将图像转化为黑白二值图像,用于图像分割以及边缘提取。
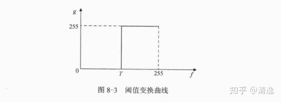
显然,图像阈值化处理是一种阶梯函数,属于图像灰度级的非线性运算,该变换函数曲线如图所示。它的功能是由用户指定一个阈值, 如果图像中某个像素的灰度值大于该阈值,则将该像素的灰度值置为255,否则将其灰度值置为0。

输入一张图像,并用imhist函数显示他的直方图。

从理论上来讲,以直方图双峰之间的谷底处灰度值作为阈值进行图像的阈值化处理,即可将目标和背景分割开来。
下面对他们进行图像分割
运行-如下代码
f=imread('ll.png');
f1=im2bw(f,91/255);
f2=im2bw(f,140/255);
f3=im2bw(f,120/255);
f4=im2bw(f,56/255);
subplot(2,2,1);imshow(f1);
subplot(2,2,2);imshow(f2);
subplot(2,2,3);imshow(f3);
subplot(2,2,4);imshow(f4);
AI写代码

可以看到,在图像分割的过程中,阈值不宜选的过大或者过小,都会大大影响分割的效果,所以,在使用阈值分割的过程中,阈值的选择很重要,但是使用直方图的方法不容易确定出合适的阈值,这时候我们就要使用科学的方法来确定,通常我们有以下几种方法来确定:
- 最小误差阈值
- 最大方差阈值
- 最佳阈值法
- 差别分析法
涉及科学计算的知识大家可以自行查阅资料掌握,下面我们重点讲述全局阈值法和局部阈值法分割。全局阈值法作为更先进的算法,可以直接算出阈值来,然后进行图像分割。
- 全局阈值分割
运行如下代码
I=imread('coins.png');
subplot(1,2,1);
imshow(I);
Level = graythresh(I); %求取二值化的阈值
BW = im2bw(I, level); %按阈值进行二值化
subplot(1,2,2);
imshow(BW);
AI写代码

2.局部阈值分割
这里采用一张我自己用手机拍的图片为例,对它进行局部阈值处理
n = imread('renjiancihua.jpg');
f=rgb2gray(n);
T = graythresh(f); % 自动获取阈值
T = T*255; % 阈值在区间[0,1],需调整至[0,255]
g = f<=T;
subplot(1,2,1);imshow(f);title('原图像');
subplot(1,2,2);imshow(g);title(['阈值处理,阈值为' num2str(T)]);
AI写代码

今天的分享就到这里,后续在图像分割这一块会更新边缘检测,区域生长,区域分割有关内容。
全部评论 (0)
还没有任何评论哟~
