关于互联网+分布式光伏运维平台的应用介绍-李亚俊
安科瑞 李亚俊 壹捌柒贰壹零玖捌柒伍柒
摘要
关键词:互联网技术;光伏监控平台;能源管理;分布式光伏
研究背景
作为一种重要的可再生能源技术, 太阳能因其储量丰富、具有可持续性以及就近取用的独特优势, 被视为当前最有潜力的能源之一. 在全球范围内, 随着持续能源战略的发展, 该技术不仅获得了广泛的关注与支持, 更迅速地在国际范围内得到了广泛应用. 近年来, 随着光伏发电行业的快速发展进入了"平价上网"新阶段, 我国光伏产业展现出广阔的发展前景. 根据预测数据显示, 2019年我国光伏新增装机容量将突破40GW, 同时累计装机容量也将达到216GW左右.
随着成规模光伏电站陆续建设和投运,在线监测与安全管理问题大量显现。设计缺陷与设备质量相关的问题以及施工规范化不足等关键因素严重制约了项目的整体效能。单靠人力难以实施有效的现场管控措施, 仅凭人力难以实现对各类发电站故障事件的有效识别与预防工作。为此, 旨在构建一套综合性的智能化管理系统, 通过实时监控平台整合能源数据, 实现资源最优配置的同时, 进一步提升发电系统的稳定运行效率与经济效益
现状及目的
当前市场上相关种类繁多的光伏监控类产品存在
数字化清洁能源电站具备实现"可信、可视、可管可控"的能力
(1)提高对生产现场的实时监控能力。
(2)实现对光伏电站的质量监控。
(3)实现对发电生产的信息化、自动化管理。
(4)为提高管理与决策水平提供信息支撑。
(5)建设光伏电站监控设备的统一管理平台。
(6)整合各类监测数据,实现对不同人员的差异化服务。
设计与实现
基于"互联网+光伏电站"的理念,在互联网技术的支持下,实现了光伏电站设备数据的数字化采集,并建立了本地智能运维管理系统以及远程协同运维管理系统。这些系统通过实时同步至集团数据中心进行存储,并对采集的数据进行深度统计与分析处理。通过大屏展示系统实现了发电效率及运行质量的实时监控与评估。该系统旨在满足用户对光伏电站高发电量、低初始投资成本、低运行维护费用以及高可靠性与安全性等方面的需求,并在25年的使用周期内实现经济效益显著、运维效能卓越以及系统扩展性良好。该系统能够帮助管理人员快速掌握电站运行状况,并有效提升运维人员的响应效率和预防措施能力,从而显著提高电站发电效率和运行质量
监控平台整体布局
该光伏监控平台基于浏览器/服务器(B/S)架构开发而成,旨在通过统一的技术手段实现区域内的电站集中监控管理目标。平台系统主要包含两大模块:子站数据采集系统和远程监控中心。实时采集各光伏电站运行参数数据并通过互联网实现对这些数据的实时传输至监控平台的数据服务器中。在监控中心设置 dedicated servers用于对每个电站的数据进行汇总分析、管理以及展示工作,并提供区域内的所有光伏电站状态实时监管能力。此外,在数据中心部分配备了用户通过浏览器或智能手机终端进行远程登录查询的功能
监控中心配备了功能强劲的大规模分布式服务器集群与高容量的数据磁盘阵列系统。
通过完善的应急备份方案确保用户运行中的所有关键数据不会丢失。
优化的数据读取与 writes独立化处理显著提升了数据库访问速度。
建立专业的监控数据中心旨在实现光伏电站的最佳管理状态——无需值守即可高效投资运营且维护便捷可靠。
系统架构设计
该平台包含设备管理模块(device management module)、数据分析模块(data analysis module)以及用户界面模块(user interface module)。其中,在智能终端节点层面引入智能采集器(smart sensor),可实现光伏电池板状态在线监测;在云端节点层面引入边缘计算节点(edge computing node),可实现本地化大数据分析;在终端节点层面引入终端服务器(terminal server),可提供标准化的数据接口和统一的数据流向。
该平台包含以下几大核心功能:第一大功能是能源转换效率在线监管功能(online efficiency monitoring),第二大功能是能源损耗在线监管功能(online loss monitoring),第三大功能是能源输出预测在线监管功能(online output prediction)。
系统技术实现
该平台可在Windows或Linux操作系统上运行;基于PHP技术开发的Web和APP应用程序接口;分别支持IIS、Apache和Ngix等服务器环境;包含Redis、InfluxDB和MySQL等多种数据库类型;基于C++语言开发的数据接入、实时计算以及规则映射模块
系统展示
决策层、管理层及运维人员可在不同地点采用多样化的途径通过监控平台实时掌握各电站运行状况,并能够迅速应对电站出现的异常情况,从而降低电站发电效率的同时提升系统运行效能。
安科瑞分布式光伏运维云平台介绍
概述
该平台借助逆变器、气象与监控设备的数据分析功能,在全球范围内管理分散式光伏电站。其核心功能涵盖电站监控、逆变器状态评估、发电数据统计、运行日志记录、故障预警以及环境数据追踪等模块。无论是通过网页端还是移动端应用访问系统后端资源,在线追踪电站发电效率及收益情况。
应用场所
当前我国主要存在两类分布式应用情境:家庭用户在农村地区的光伏发电以及企业单位在屋顶上的光伏发电项目。今年这两类光伏发电项目的建设与应用呈现出快速增长态势。
系统结构
在光伏变电站部署逆变器装置与多功能电力计量装置,并利用网关系统将采集到的数据传输至服务器并实施集中存储与管理功能。系统用户可通过个人电脑(PC)进入系统界面以实时掌握分布式光伏电站的整体运行状态及各逆变器的具体运行参数。平台整体结构如图所示。

系统功能
AcrelCloud-1200分布式光伏运维云平台软件基于B/S架构设计,在线提供全方位管理服务。任何拥有相应权限的用户均可通过Web浏览器访问系统,在线实时监控位于区域内的各个建筑及其光伏电站的各项运行指标(包括电站地理位置信息、电站运行数据、逆变器工作状态、发电功率曲线特征以及并网情况等关键参数)。
1)光伏发电
(1)综合看板
(2)电站状态
(3)逆变器状态
(4)电站发电统计
(5)逆变器发电统计
(6)配电图
(7)逆变器曲线分析
2)事件记录
3)运行环境
系统硬件配置
1)交流220V并网
采用220V并网技术的光伏发电系统主要用于居民屋顶上的光伏发电项目,其总装机容量约为8千瓦。

少部分小型光伏电站采用自发自用、余电不上网的运营模式。这类电站配备有防逆流保护装置以防止多余电力外送至电网。鉴于其规模较小且分散分布的特点,在线运维管理对于电站管理者而言具有重要价值。在这一领域中

2)交流380V并网
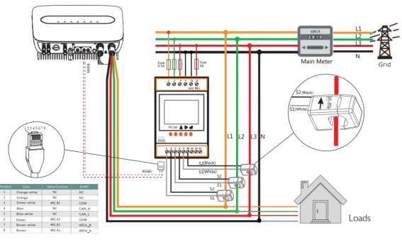
依据国家电网Q/GDW1480-2015《分布式电源接入电网技术规定》,8kW至400kW之间电压等级的光伏电站可采用380V并网方式;若超出400kW,则视具体情况决定是否可实施多点380V并网方案,请以当地电力部门的审批决策为准。此类分布式光伏发电系统主要面向工商业企业屋顶安装,在运行中实行自发自用、余电上网原则。在进行配电网接入前,则需明确各个计量点的位置设置:这一过程不仅要考虑产权分界点的问题还要兼顾分布式电源出口与用户自用电线路之间的衔接关系。对于每一个独立设置的计量点而言都应该配备一套双向电能计量装置,并确保其设备配置和技术性能指标符合DL/T448的规定同时也要满足相关行业标准和规程的技术要求。选用智能型电能表时必须保证其技术性能指标达到国家电网公司关于智能电能表的技术规范要求。A类用于结算和考核用途的分布式电源计量装置应当配备采集设备并与用电信息采集系统连接实现远方自动数据采集功能

光伏阵列通过组串式光伏逆变器接网的方式有两种:一种是直接将光伏阵列与逆变器相连接后接入企业380V电网;另一种是利用汇流箱将多块电池串联后再与逆变器相接后向企业供电的380V电网部分。为了实现自发自用的目的,在380V并网点前设置功率型电流表和电压表用于测量光伏发电的数据;与此同时,在企业的主电源进线端和公共进线端还需要安装双向电流互感器,并将所有测量数据需实时传输至供电部门的用电信息管理系统中进行处理以完成光伏发电补贴及多余电量结算的任务。
这些光伏电站的配网点需对配网点的电能质量进行监控;涵盖电源频率值(PF)、电源电压幅值(VA)、电压不平衡率(VU)、电压突变幅度(AV)、快速变化速度(TV)、谐波含量(THD)及间谐波含量(IHD)等参数;应配备专门的电能质量监控设备。其中一些光伏发电站采用自发自用模式;这类光伏发电站应配备反向电流防止器以防止往电网输送多余电力;系统接线图如下所示

3)10kV或35kV并网
参考《国家能源局关于2019年风电、光伏发电项目建设有关事项的通知》(国发新能[2019]第49号)。对于申请国家补贴的新建工商业分布式光伏发电项目而言,需满足单体并网发电 capacity低于6兆瓦且不为居民用户的条件,并可在符合 grid operation safety standards 的前提下通过内部多点接入配电系统进行配置。
此类分布式光伏发电系统的投运规模通常较大,在送电过程中必须经过升压变压器进行升压处理后才能接入主电网网络。鉴于此光伏发电系统的投运规模较大可能会导致公共电网运行状态出现较大的影响因此供电公司对于此类规模的分布式光伏电站配置稳态控制系统电力质量以及与调度系统的通信等技术指标都有较高的技术要求
光伏电站并网点应定期检测其电能质量状况。涉及以下关键参数:额定频率波动情况、幅值范围、相位不平衡程度、异常波动现象(如突然升高的情况VU、突然降低的情况VD及断开情况FI)、瞬态变化特征、谐波与间谐波叠加程度(由THD表示)、以及闪动现象等特性。为确保系统的稳定运行和高效管理需求,在此基础上应配置专门的电能质量在线监测系统。
3)10kV或35kV并网
参照《国发新能[2019] 49号》文件规定, 针对申请国家补贴的 newly established 工商业分布式光伏发电项目, 必须满足单点并网发电容量不超过6兆瓦, 并且属于非居民用户类别; 允许在确保电网安全的技术条件下, 在内部实现多点配电连接.
此类分布式光伏发电项目的装机规模通常较大,在正常运行时可能会给公共电网带来较大的电压波动和功率传输压力。由于其规模较大,在正常运行时可能会给公共电网带来较大的电压波动和功率传输压力,并且在送电过程中可能会引入谐波成分等非正弦波信号源对电网造成一定影响。因此在设计和施工阶段就需要从多个方面进行严格规划,并且在投运后也需要加强实时监测与维护工作以确保系统的稳定性和可靠性
光伏电站并网点必须进行电能质量监控工作,并应关注以下各项指标:电网频率、电压幅值、电压不平衡程度以及可能出现突然上升或下降的情况以及断续变化等参数;同时应当配备专门的电能质量监控设备以确保系统运行稳定

此图展示了1MW级分散式光伏电站的配置示意图。此图展示了1MW级分散式光伏电站的配置示意图。
光伏阵列经由光伏汇流箱连接。
直流柜作为集流组件,在必要时可省略后
将电流汇集至集中逆变器完成转换。
通过升压变压器将电压提升至10kV或35kV后
接入中压电网系统。
鉴于该电站装机容量较大程度上涉及较多
的保护装置和监控设备
结语
通过基于互联网技术,实现了光伏电站的智能监控,主要解决了以下问题:
(1)多类型电站及设备统一的接入标准化技术,简化电站数据接入复杂度;
开发了一种新的海量电站数据统计分析自动化技术, 该系统能够克服传统统计方法在处理电能统计数据时难以在关系型数据库中快速查询的局限性。
(3)改变光伏电站运维方式,实现无人值守远程运维;
(4)大数据分析技术,为电站投资决策、电站设计、设备选型提供依据。
