光伏PV三相并网逆变器MATLAB仿真 光伏+MPPT控制(boost+三相桥式逆变)
本文基于MATLAB平台对光伏PV三相并网逆变器进行仿真分析,详细探讨了其工作原理及相关控制技术。主要内容包括光伏+MPPT控制、坐标变换、锁相环、dq功率控制、解耦控制、电流内环电压外环控制和spwm调制等模块的应用,并结合LCL滤波技术以优化逆变器性能。仿真结果显示,在三项380V电网中实现同频同相的逆变输出,直流母线电压稳定在600V,d轴电压稳定在311V,q轴电压稳定为0V,并高效输出有功功率。该研究为光伏逆变器的优化设计提供了理论依据和参考价值。
光伏系统 MATLAB 仿真
购买本产品后赠送相关的参考文献



光伏系统三相并网逆转换器 Matlab 仿真及控制策略分析
基于MATLAB平台开发的光伏PV逆变器系统利用光伏PV三相并网逆变器的MATLAB仿真软件进行建模与分析,在深入探讨其工作原理的基础上全面研究相关控制技术方案。主要内容涵盖光伏+MPPT跟踪控制算法、坐标系变换过程、锁相环设计、dq域功率调节策略、电流解耦控制方法以及电流内环与电压外环双闭环控制系统设计等关键技术环节,并对PWM调制技术和LCL滤波电路设计进行深入研究。仿真结果表明,在正常运行状态下直流母线电压稳定在600V左右、d轴电压维持在311V上下且q轴电压基本为零,在有功功率输出方面实现了较高的效率和稳定性
光伏逆变系统采用先进的能量转化技术,在太阳能发电系统中发挥着关键作用。本研究基于MATLAB的仿真分析,对光伏逆变器的性能进行了全面评估,并提出了改进方案以提升能量转化效率。在系统设计中,采用了MPPT控制策略以确保在不同光照条件下系统的稳定运行,同时通过坐标系转换技术实现了系统的动态特性优化。为了提高系统的响应速度和鲁棒性,引入了锁相环电路并结合dq域功率控制系统进行协同优化,最终达到了良好的控制效果。此外,通过LCL滤波电路设计有效抑制了高频谐波对电网的影响,同时采用SPWM调制技术实现了高精度无纹波直流-交流转换过程
引言
伴随着可再生能源快速发展的趋势,
一种具有清洁和可持续利用特性的能源形式得到了广泛使用。
光伏逆变器作为光伏发电系统中不可或缺的重要组成部分,
其稳定性和输出质量对于保障电网安全运行具有重要意义。
因此,在深入研究与优化光伏逆变器控制系统方面投入大量精力是非常必要的。
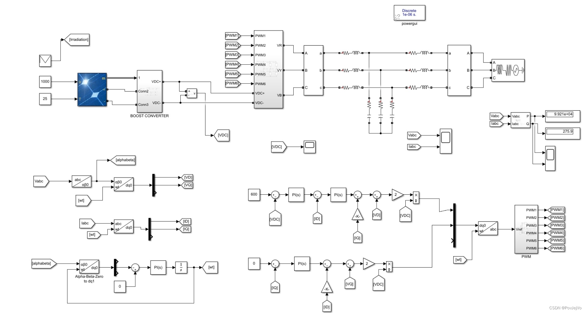
该逆变器系统由光伏+MPPT控制模块、坐标变换模块、锁相环模块、dq功率控制模块、解耦控制模块以及电流内环电压外环控制模块等组成。光伏+MPPT控制模块旨在实现对光伏阵列最大功率点的提取,并保证能量转换效率的最大化。坐标变换模块的作用是将输入的三相交流电压与电流信号转换至dq轴坐标系下以简化后续算法设计。锁相环电路则负责实现电网电压与逆变器输出电压之间的精确同步。dq功率控制系统通过调节d轴电压和q轴电流来实现对逆变器有功功率的有效输出调节。解耦控制系统主要针对逆变器内部各环节之间的耦合关系提出解决方案以提高系统精度。电流内环电压外环控制系统通过协调电流调节环和电压调节环的操作来确保输出电压与电流的稳定运行。最后采用spwm调制方法通过调整PWM信号的占空比和频率来优化输出波形特性
3. LCL滤波技术作为一种
LCL滤波技术主要应用于减少逆变器输出电流谐波的同时增强系统的抗干扰能力。该种类型的滤波电路由电感元件L、电容元件C以及电阻元件R构成。其特点包括结构紧凑(小型化)、性能卓越以及能耗低。在光伏PV三相并网逆变器中使用时,其主要功能是有效过滤逆变器输出电流中的谐波成分,并确保与电网实现良好的并网连接。
基于MATLAB进行仿真研究发现,在光伏系统中采用三相并网逆变器方案能够有效实现各功能模块的基本运行需求。该系统经过优化设计后,在与三个额定电压为380V的电网电源同步配接下完成了逆变输出任务,并维持了稳定的直流母线电压(维持在600伏特),其中d轴电压维持在311伏特、q轴电压则稳定为零伏特;此外该系统还具备良好的有功功率输出性能
本文通过MATLAB仿真对光伏PV三相并网逆变器的工作原理及相关控制技术进行了深入分析。基于光伏系统配合最大功率跟踪(MPPT)技术以及坐标系转换等方法,在逆变器中实现了锁相环与dq域功率控制策略的有效结合,并通过解耦控制实现电压与电流的独立调节。此外,在电流内环电压外环控制系统的基础上引入了SPWM调制技术以优化开关模式设计。仿真结果验证了所提出控制技术的可行性和有效性
衷心感谢各位对本文的关注与支持。为进一步深入研究及全面了解相关领域的最新发展动态,请您参考相关文献及资料。
参考文献:(具体内容将在下文详细说明)。
对应代码,程序位置:http://lanzoup.cn/743033518799.html
