解密阿波罗登月计划中运载火箭是如何设计和运行的?附:NASA解密文件
文 / 王不留(微信公众号:王不留)
早晨看到2020年精彩瞬间的超燃宣传片,深为国家的强盛而自豪。
在2020年这一年的中国航天领域里,《嫦娥探月工程》最为引人注目的成就是该工程圆满成功实施。在经历了长达11个月的精心准备后,在 month 24 at hour 30, 卫星发射系统正式升空,在此次任务中, 探测器将被...系统成功送入太空, 开启奔向月球的新征程。
回想起来,我似乎回想起阿波罗登月计划——人类首次登上了月球。那是一个难以置信的1960年代。
那个时代的人类是如何将航天器送到月球的?
围绕这个问题,在NASA官网我获取了一份解读的《土星5号运载火箭飞行手册》,这有助于解答或解开心中的疑问。
文档于1969年8月15日定稿,同年10月5号完成修改。
土星五号运载火箭(英文:Saturn V),主要负责为阿波罗项目以及天宫实验室等太空探索项目提供动力。它是美国国家航空航天局(NASA)在阿波罗计划与天宫实验室项目中采用的一种多级可回收式液氢/液氧发动机火箭。
手册中所指的SA 507火箭于1969年11月14日发射升空,圆满完成了“阿波罗12号”任务。

通读这份手册,由衷赞叹20世纪60年代的航天技术,以及航天人员的细致严谨。
文档共计244页,主要分十章。
第一章 总述
土星5号作为三级火箭运行,在其设计中包含四个关键阶段:首先是内核一级(S-IC级),其次是内核二级(S-II级),最后是内核三级(S-IVB级)。工程执行过程中由波音公司负责核心系统集成工作,并与北美航空公司共同承担第二级系统的设计任务;剩余的工作则由道格拉斯飞行器公司独立完成

第二章 性能
主要是介绍此款火箭性能的一些数据和图表。
第三章 紧急情况及措施
在操作舱中布满密集排列的各种控制面板装置时,在驾驶汽车的过程中相对简单明了。这足以让人认识到航天工程对宇航员所要求的专业技能有多么高深。





本章还介绍了火箭出现问题的解决措施,以及各类注意事项。
第四章 S-IC级
S-IC级推进器的高度达到42米, 直径为10米(不包括尾翼部分), 总重量为131吨, 满油后的总重量达到约2300吨. 其主要组成部分包括前后裙板, 氧化剂贮存箱, 中间段以及燃料贮存箱和推力产生机构.

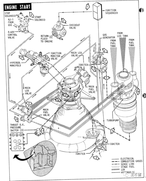
这个是一级推进器的点火流程。

第五章 S-II级
具有高度为24.8米的S-II级火箭阶段。其直径大小与S-IC级阶段一致。其重量约为36吨左右。满载后的重量达到490吨。
S-II级主体结构由主体部分构成:主体部分包含前缘裙盖、后缘裙盖以及各级段中间段;燃料贮存装置包含分别用于储存液氢与液氧的燃料箱;发动机系统构成了推动力源。

这个是二级推进器的点火过程。


第六章 S-IVB级
S-IVB级的长度为18米,在宽度上则达到了6.6米,在重量方面则为净重11吨,在加满燃料后总重量达到114吨。该型装备了先进的J-2火箭发动机,并在两个燃料舱之间实现了共用箱体结构
S-IVB级的主要组成部分包括前机身、燃料舱、后机身、推力系统以及末端段。除了燃料舱之外,其余各部位均为蒙皮桁条与铝合金结合而成.

这个是三级推进器的点火过程。

第七章 控制设备单元
该关键组件位于土星5号S-IVB级火箭发动机顶部,并呈圆筒式构型设计。其内壁上布置有土星5号火箭的弹道计算装置、姿态控制系统等重要组件,并承担了整枚火箭的核心中枢系统功能。

仪器舱的主要组成部分是由铝合金蜂窝夹层材料构成的一个短圆筒。它是三块长度相等的蜂窝板组合而成。前后端框是经挤压成型后的特制铝型材,并与蜂窝夹层结合在一起。


第八章 地面支撑对接


第九章 调度中心监控

第十章 任务变量和约束


不少内容太专业,作为一个吃“软”不吃“硬”的程序员,完全理解较有难度。
如感兴趣,可以关注“王不留”公众号,回复“航天手册”,获取解密文档。
高德地图依靠什么实现稳步发展的?它靠什么生存下来?
过去十年内我可以免费获取《经济学人》PDF整套合集;这份期刊是我珍贵的考研英语学习资源。
寒门子弟王不留,在基层岗位上默默奋斗八年之久(附备考攻略)。考前几个月开始系统复习功课,在中国科学技术大学 Management College 考取优异成绩(附备考攻略)。以优异成绩考入中国科学技术大学 Management College后, 成功获得某家知名软件公司中层管理职位负责人头衔
今天是工作日持续写作第 13/100 天。
