线性系统的频率响应分析实验报告_动态系统的建模与分析
参考:DR_CAN
1.介绍
解决一个控制系统的问题:
- 对研究对象进行分析
- 控制器设计
- 测试
分析被控对象的物理特性及动态表现,在这个基础上建立数学模型,数学模型可以是动力学模型、热力学模型、流体力学模型和经济学模型等,然后在数学模型的基础上进行控制器的设计,为满足不同的要求就要应用不同的控制方法(传统控制控制、PID控制、非线性控制、自适应控制和优化控制等),紧接着选择测试平台,可以是仿真平台、实验室模型样机和真实设备等。最后不断将实验结果与模型比较,对数学模型不断的验证和更新。
涉及的内容: 动态系统建模:
- 电力,KCL,KVL
- 流体
- 热力学
- 机械系统
拉普拉斯+微分方程 时域分析 频域分析
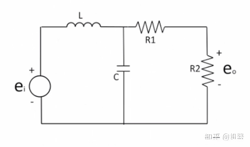
2.电路系统建模
基础元件:

流速:

电阻电压:


电量:



电感:


基尔霍夫定律 KCL :所有进入某节点的电流的总和等于所有离开这个节点的电流的总和


KVL :沿着闭合回路所有元件两端的电压的代数和为零



KVL


两边求导






loop 1 :

loop 2 :

合并:

这是一个大圈,因此在用KVL时,不一定都用小圈,也可用大圈。




loop 1 :

loop 2 :

由(1)(2)式得

由(2)得

由(3)(4)式得

求
和
的关系

由(5)(6)式得

小结: KVL列方程,然后消掉自己定义的电流

loop 1:

loop 2:

loop 3:

我们的目的是找到
和
的关系,而
,因此想先消去
和
,再消去

由(1)(2)式得

由(3)(4)式得

(5)式还有
没消去,为了不引入新的变量,对(4)式求导

由(5)(6)式得

只有电流
,这样就可以引入
了

3.流体系统建模
流体系统的几个基本元素: 此处默认为不可压缩的均质流体

压强有三个概念,比如说对于容器的液体来说,它的高度是
,横截面积是
,由流体重力产生的压强称之为静压(Hydrostatic Pressure)

除了液体的压强以外还有大气压强,绝对压强(Absolute Pressure)

测量出来的压力称为表压(Gauge Pressure)


流阻Fluid Resistance 产生流阻的原因是流体在流动的过程中,通过一些管道连接等,这些都会阻碍流体的流动,因此会产生压差,压差和流量相关

:每秒钟通过横截面的流体的质量,两边的压力差越大,每秒钟流过的流体的越多。
流阻和电阻的概念非常相似


理想压源


基本法则-质量守恒定律Conseration of Mass 有了基本元素,还需要基本法则把它们联系在一起,就像电路当中有基尔霍夫定律,在力学当中有牛顿定律一样,这里面我们用到的是质量守恒定律,容器内流体质量的变化

式子两边除以





容器底部受到的压力

其动态方程为


进口处为
,出口处
,容器得横截面积为
,出口流阻为u
,求液面高度的动态方程
.
由质量守恒定律


流阻压差



4.拉普拉斯变换
拉普拉斯变换是控制理论的基础,它广泛的应用于工程分析当中,它可以把时域(
)上的函数变换到复数域(
)上,从而大大简化系统分析的难度和复杂程度。

先从一个简单的电路系统开始,它的动态方程


定义系统的输入为
,输出为
,分析电流的变化。本质上就是求解微分方程的过程,假设
就是变化过程,
隐含了系统的特征,就是微分方程表现出来的内容,三者的关系其实是一个卷积的过程。因此分析这样一个系统,它涉及到了卷积和微分方程,分析和计算起来都非常麻烦,而且不是很直观。拉普拉斯变换可以帮助我们解决这些问题,通过拉普拉斯变换,微分方程变成了代数方程,卷积运算变成了乘法运算。

对时域函数
作拉普拉斯变换:

是一个平面图形,经过拉普拉斯变换后三维的复数域。当
时,从箭头的方向看过去,就是傅里叶变换,可以看到拉普拉斯变换和傅里叶变换的关系。


从上向下看就是复平面,做工程的往往会关注系统的极点和零点在复平面上的位置.
指数函数

的拉普拉斯变换 :

拉普拉斯变换的重要性质:符合线性变换,线性变换符合叠加原理

正弦

的拉普拉斯变换 :根据欧拉公式转化为复指数


两式相减:


因为拉普拉斯变换是一个线性变换:

导数的拉普拉斯变换:

复合函数求积分,用到分部积分:



为拉普拉斯变换,很多时候都把初始条件设置为
。
同理可得


卷积的拉普拉斯变换 能够将卷积运算变成乘积运算,大大简化运算和分析的复杂程度。

回到最初的电路的动态方程:

两端作拉普拉斯变换:


可以看到,经过拉普拉斯变换把微分方程变换为代数方程,它只有加减乘除,非常的简单。下图方框称之为传递函数。

5.拉普拉斯变换的收敛域(ROC)与逆变换(ILT)
指数函数的拉普拉斯变换 :

如果
是发散的

加上限制条件,收敛域ROC(Region of lonvergence),把


根据欧拉公式:


这一项仅仅带来的是振动,并不会对系统的收敛产生影响。因此收敛域为

前面我们已经知道,拉普拉斯能简化运算和分析,为什么还需要微分方程?因为微分方程能够描述动态世界的数学手段。
在经典控制理论和现代控制理论当中,研究对象一般是常系数微分方程,对应的系统就是线性时不变系统,如果是非线性系统的话,一般会在平衡点附近作线性化处理,或者直接采用非线性分析手段。
用拉普拉斯变换求解微分方程的三个步骤:
-
时域转化到复频域
,这里用到拉普拉斯变换 -
求解代数方程
-
把结果从复频域转回时域,用到拉普拉斯逆变换
拉普拉斯逆变换
例子





两端拉普拉斯逆变换:

称为极点Pole




其中,根据欧拉公式有


(2)-(1)


6.拉&传&微的关系
重点讲解传递函数
这部分内容非常重要,对经典控制理论、根轨迹、伯德图、信号处理等学习都有很大的帮助,因为都是从这里伸展出去的。
流体系统


令A=1
输出
输入

两端作拉普拉斯变换:


称为传递函数

假设系统的输入为常数,对常数作拉普拉斯变换







当时间
,系统收敛到
。系统的关键点在指数部分,
不变,
随着时间不断的衰减,所以系统是稳定的。

7.一阶系统的单位阶跃响应
流体系统

动态方程:

输出是一阶,输入是单位阶跃,称为一阶系统的单位阶跃响应 Unit Step Response.
一般形式:





B=-1
A=1
两边作拉普拉斯逆变换:


a越大收敛越快。
时间常数 time constant


即
的时候达到最终状态的63%。

有时候还会引入另一个概念-稳定时间(Steady State)(整定时间)Setting time


对于一阶线性系统来说,时间常数是特有的,因此可以用时间常数作系统识别。
根据上一节有:


4秒钟达到稳定时间:


系统的传递函数:



一阶系统与信号处理
一阶系统是一个低通滤波器,低通滤波器只反映了低频变化,高频变化则被过滤了。对于流体系统来说,容器内的液体就起到了抵抗高速变化的作用,是因为它有积累,所以说有积累的都是低通滤波器,它对高速变化不敏感。最典型的积累就是积分,如:

高频变化被缩放100倍,相当于被过滤掉了。所以说大家平时多做积累 ,有了容量以后面对高速变化 的世界才可以做到处乱不惊。

另一个角度
一阶线性时不变系统1st order LTI:



单调增,
逐渐减小,
增加速度减缓,最后为零,可以得到一样的图。

其他情况,
等

Phase-Portrait
8.频率响应与滤波器
信号通过线性时不变系统后频率不变

振幅响应 Magnitude Response:

辐角响应 Phase Response:


一般形式:


两边作拉普拉斯变换:

其中,


:极点Poles

拉普拉斯逆变换:

对于稳定系统,
的实部小于0,有

ss:Steady State 稳态,由上式可以看出频率响应 就是稳态响应 。求
:






复数表达:


欧拉公式:



非常非常的重要:


积分




越大,频率越高,频率响应越小,因此频率响应是一个低通滤波器

例子 :


9.一阶系统的频率响应
一阶系统:





当

当

当


所以一阶系统的频率响应是一个低通滤波
总结: 无论是室内空调系统、流体系统还是含电容器的电路系统,容器就是一个缓冲器,其本质是抑制高速变化。缓冲也会带来延迟。

Matlab 仿真

积分前后的对比

滤波信号后与原函数的对比 滤波信号延迟45°,振幅变为0.707左右


和
互换,就是高通滤波器:


把纵轴改为
,就得到伯德图了。

10.二阶系统对初始条件的动态响应
二阶系统无处不在,运动现象普遍是二阶系统,如牛顿第二定律

质量弹簧阻尼系统

阻尼和速度成正比,牛顿第二定律:

:固有频率Natural Frequency
:阻尼比Damping Ratio
研究零初始条件,无外力的情况下:

将条件代入:

simulink



位置为5,速度为0



特征方程 Characteristic Equation:



过阻尼Over damped


快




临界阻尼 Critial damped


比过阻尼收敛速度快一些


欠阻尼 Under damped


其中
为阻尼固有频率,

从
的表达式可以看出是震荡衰减的




这是正弦函数,没有衰减





11.二阶系统的单位阶跃响应
弹簧质量阻尼系统


输入:
为单位化 输出:


上一节用的是微分方程的通解和特解,这小节用拉普拉斯变换:

传递函数:


- 单位阶跃

极点



欠阻尼





时:




时:




:



因此是震荡衰减的。
Matlab 仿真



12.二阶系统的性能分析与比较
如何衡量系统的性能?
欠阻尼动态响应:

延迟时间Delay time:系统达到稳态50%所需的时间
上升时间Rise time:100%
最大超调量 Max Overshoot


稳态时间或调节时间Setting time

:




:



: 2%

5%

分析手段和方法

- 计分规则:1分,2分,3分
越小越好
越小越好
越小越好

雷达图

13.二阶系统频率响应分析
不同阻尼比的频率响应

振幅响应:

辐角响应:

用这个结论分析二阶系统
传递函数:

:固有频率
:阻尼比

其中
,输入频率比上固有频率
振幅响应:

分析




,输入频率等于固有频率





因此在
一定存在极值 求极值,令


当
时存在极值

这个频率称为系统的谐振振频率,
,谐振频率和固有频率非常接近
。
当输入频率等于谐振频率时:

时:

时:


时:

对于阻尼比比较小的系统来说,如果外力的频率在谐振频率(极值)附近,那么系统就会表现出强烈的振幅响应,不同的系统有不同的谐振频率,对外界刺激响应也就不同。
不同阻尼比的频率响应
14.伯德图
伯德图是表示频率响应的图示方法,频率响纵坐标改为
,和辐角响应合称伯德图。
对于传递函数:

直接在命令窗口输入:
>> bode([1 2],[1 4])

dB decibel 分贝 dec 指十分之一,bel人名,分贝表示的是电话、电报的信号损失

: 测量功率
: 参考功率
加对数是为了把较大的数值降低,便于记录,如

振幅和功率为平方关系


积分






低频



截至频率




高频







例:

拆分
叠加
>> bode([0 1],[0 2])

>> bode([1/4 1],[0 1])

>> bode([0 1],[1/8 1])

>> bode([1 4],[1 8])

