电液伺服系统_电液伺服系统动态特性及控制(十一)
瑞典林雪平大学讲义
原著 :Karl-Erik Rydberg Professor, PhD
本节导读:正开口(负遮盖)伺服阀特性
译者注:从本节开始,将会有大量的计算公式。如果想要提高的朋友,建议公式都自己推导一下。不懂的可以在公众号后台留言。
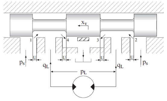
考虑图3-20所示的四通滑阀。当阀处于中位时,阀的供油口和回油口负遮盖量(开口量)为用U表示。

图3-20 阀的负遮盖量为U
假设阀为对称且配做,如果仅仅只研究负遮盖区域,lxvl≤U,节流面积为:
(译者注:w为窗口梯度,这个概念非常重要,一定要搞清楚)

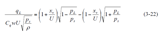
该区域的下标表示图3-20中油口的编号,端口的箭头表示流向。当负载为PL时,阀芯正向和负向移动时(lxvl≤U)的流量方程可表示为:

这是一个负遮盖四通滑阀的压力-流量曲线方程,工作于负遮盖区域(译者注:前面文章讲过,伺服阀大部分时间工作于零位区域)。归一化方程式(3-21):

方程3-21的曲线表示于图3-21中。与零遮盖的阀相比,在零位区域,负遮盖阀的流量线性度非常好。然而,在负遮盖区域之外,流量特性和零遮盖阀非常相似。因为,仅仅只有两个节流边在同时工作。(译者注:在负遮盖区域,PA,PB,AT,BT四个节流边同时在工作。如图3-20所示。但是在负遮盖区域之外,此时只能有两个节流边同时工作,要么是PA和BT;要么是PB和AT)。

图3-21 负遮盖阀的零位区域(负遮盖曲线)流量-压力特性
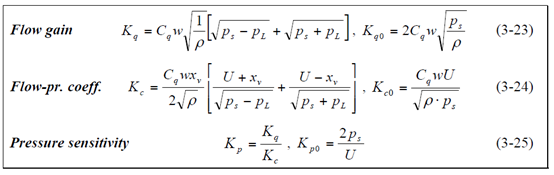
阀系数可以通过对方程3-21微分得到。在ql=pl=xv=0处求导,可以得到零位阀系数:

如前所述,零位系数是最重要的系数。可以注意到,在负遮盖区域的流量增益是零遮盖阀的两倍。此外,kc0取决于面积梯度w,而负遮盖量u和kp0与w无关。可以为负遮盖阀绘制类似于零遮盖阀同样定义的泄漏流量曲线。通过阀的零位总流量是有用的,因为它
描述零位工作时的功率损失。此时,pl=xv=0,节流面积为a1=a2=wu,总的零位流量为:

