电子电气架构---车载网简史(下)
我是穿拖鞋的汉子,魔都中坚持长期主义的汽车电子工程师。
老规矩,分享一段喜欢的文字,避免自己成为高知识低文化的工程师:
屏蔽力是信息爆炸时代个人独特的竞争优势,在被他人或事影响时每一分心都是得不偿失的。非必要时不费心证明自己,没有实际利益无需试图说服他人,这是对自己精神资源的精简与节省。
即使无人关注,即便水平不够,也要试着保持内心平静,专注于自己该做的事。
实在没人关注也不算什么,水平不够的话也无妨,重要的是尽量保持内心平静去做好该做的事。
时间悄然间地流逝着,在转眼间就要步入夏末秋初之季了。时光在过去的一年里已近尾声,在这个阶段成年人面对时间总是感到手足无措
本文主要分享电子电气架构—车载网简史(下)
5、FlexRay
当汽车行业对X-by-Wire技术表现出浓厚的兴趣时, FlexRay随之而生,成为解决这一需求的关键方案. X-by-Wire的核心理念在于通过减少汽车的机械功能来实现全电功能,其目标应用场景涵盖了转向系统、制动装置以及其他安全关键系统的实现.在这一背景下,安全性与定时性能具有重要意义.在FlexRay开发之前的一段时间内,宝马此前已通过采用Byteflight特有的技术体系积累了成功实施时间触发通信的经验.这种光学技术成功地应用于多个宝马车型中的安全气囊控制系统以及与安全性相关的其他系统中.然而该方案经测试后发现其成本过高且难以长期推广.
在20世纪初期(1987年),为了实现车辆通信系统的技术突破性进展,在车辆通信领域处于领先地位的公司——比如大众汽车集团(Volkswagen)、采埃德伯格(Volkswagen Group)等一致认为应当共同合作以开发出一种新的解决方案方案。这种合作模式下形成的联合体最初由飞思卡尔(原摩托罗拉集团现为NXP半导体公司)、NXP半导体以及大众汽车集团等企业组成;后来逐渐形成了一个更加广泛的联合体网络,并吸引了博世电子、通用汽车(OEMs如大众汽车集团等品牌下所属企业)以及戴姆勒–奔驰等多个重量级参与者加入其中

该方案主要涵盖物理层(PHY)和数据链路层(DLL)的支持,并未对其余层次作出具体规定。剩余的层次由其他特定委员会负责制定相关标准。例如,在汽车开放系统架构(AUTOSAR)联盟标准中特别强调了与 FlexRay 通信需求相关的更高层次协议的设计与实现。为了确保系统的可靠性,在设计过程中必须充分考虑其核心特性,并通过引入决定性和冗余性等特性来增强整体系统的容错能力。
首先, FlexRay通信遵循开发者所设定的时间分配模式,其基本架构由周期组成,每个周期主要包含静态时间段与网络空闲时段,此外还可以增加动态时间段以提高资源利用率。在此框架下,静态时段与动态时段的服务策略存在差异:对于静态时段的服务,通常采用Time Division Multiplexing(TDM)方法进行管理,具体表现为单元在每个周期中的初始阶段被分配特定的时间片长度以实现资源的有效共享与分配。
若某单元在其静态时段内的时隙中未发送数据,则该单元将向其接收端发送一个"null(空)"帧以指示通信状态。这种机制确保了接收端能够准确识别通信是否被有意中断。动态段采用了微时隙方法,在这种方案下,多个用户共享同一信道资源并按预先设定的FrameID顺序进行处理。与静态时段相比,在动态时段内只有当需要传输数据时才会执行类似操作:即增加本单元的计数值,并使具有下一个FrameID的相邻单元能够在下一个微时隙开始传输而不必等待当前时段结束。为了优化网络吞吐量,在设计过程中微时隙的时间长度被设定得较短,并且可以根据系统的具体设计进行调节。值得注意的是,在Byteflight协议的发展过程中该方法源自于其早期的设计理念。
FlexRay元素包括头信息块、有效数据字段以及尾信息块构成的数据包。每个数据包中都包含了用于校验数据完整性的CRC字段(Check
Data Field, CDF)。整个系统的工作速率达到了10兆位/秒。系统的工作效率主要受其硬件配置及动态区与静态区长度比例的影响。此外,在编码层采用了8B/10B非归零
(NRZ)编码方案,并通过头信息块与尾信息块的设计进一步降低了净传输效率。

如同CAN协议一样,在FlexRay系统中也会发送差分信号。然而,在实现更高的数据传输速率方面(例如达到CAN协议500kbit/s水平时可达到10倍或20倍的速度),FlexRay需要对网络架构和终端设备投入更多资源。值得注意的是,在采用非屏蔽电缆及多针连接器的情况下(如同LIN协议),FlexRay同样具备这一特性。

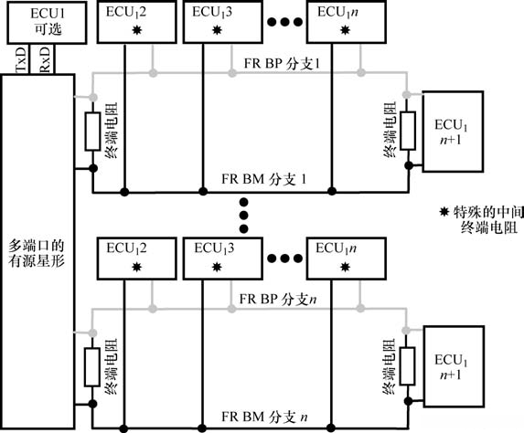
一个小型FlexRay系统通常由4至5个ECU以直线型拓扑结构构成。然而,FlexRay系统还支持更为复杂的网络架构设计。尽管串并联结构无法实现,但通过采用"有源星形/星形耦合器",多个独立的线性拓扑可以在同一个网络中共享资源。这种星形耦合器能够将数据传输到其他分支而不导致明显延迟提升,同时确保在任何一个分支中只有一个设备处于传输状态,而其他分支设备则保持监听状态以便及时响应突发事件。值得注意的是,这种耦合器不依赖调度机制,而是通过监测信道上的电平变化来自动管理连接状态,因此它也被称为"主控单元"或"主持人"角色发挥得尤为出色。然而,由于信号传输速度限制可能导致的数据冲突问题仍然存在,这也使得这种复杂的组件成为FlexRay网络架构中的一个技术难点

构建FlexRay节点所需的关键组件反映了该协议标准所定义的基础层次结构。接收-发送单元负责物理层功能。在这一层级中包含了数据链路层和网络层的基本要素。通信控制器(CC)负责管理整个通信过程,并协调各子系统之间的交互关系。此外,在实际应用中这些功能通常整合到微控制器芯片内以提高系统的整体性能和效率。在具体实现过程中还需要考虑时钟管理和同步问题:通信控制器还会执行定时同步任务,并确保时钟信号与FlexRay时间坐标保持一致。
FlexRay 是一种广泛应用于动力传动和底盘控制的车载网络技术。然而,在实际应用中其发展仍未能达到预期目标。特别是在安全性方面的"X-by-Wire"应用进展缓慢,在2013年之前只有日产首次公开宣布推出了"纯电子"转向系统。值得注意的是 FlexRay 本身并不能充分证明其作为车载网络支柱技术的有效性 因为严格同步的数据包在ECU软件处理过程中存在较大挑战 这可以通过采用一种同步操作系统(如OSEKTime)来改善 然而就本书而言 OSEKTime 在汽车领域尚未得到广泛应用 从产业角度来看 是否能构建冗余式的FlexRay连接 尚存较多疑点 前景尚不明确

6、像素链接
最初的目的在于应对复杂数字音频应用。在开发过程中与其他现有技术相比,在提高数据传输速率方面表现尤为突出。然而,在处理高质量摄像头、视频或图形显示数据方面表现尚可。相比之下,在处理原始音频流数据方面仍有提升空间。
该种高清数据的信息传输速率主要由以下四个方面决定:摄像头或显示器设备的像素分辨率、所采用的颜色编码位深度以及图像帧更新频率(单位:帧/秒f/s)。当前讨论中涉及储存在蓝光光盘上的高清视频内容时所要求的信息传输速率为极高的水平,在这种情况下图像分辨率设定为3840\times 2160像素分辨率标准。使用20bit至60bit的颜色深度设置可使得信息传输速率达到接近每秒十兆比特量级(约1Gbit/s)。相比之下,在普通HD视频场景下通常采用1280\times 720或1920\times 1080等较低分辨率标准,并根据具体颜色深度设置的不同可调节帧更新频率以维持合理的总信息传输速度范围大致在……之间。
是否需要在该网络中以这些数据速率传输,则取决于所采用的电气和电子(EE)架构选择。上述图表展示了高于1Gbit/s数据速率应用的具体场景示例:可能来自录制视频、摄像头捕捉的数据或图形处理器处理的数据。对于每个具体案例,在图2.15中并未展示这三个组件是否位于同一ECU内——这并未展示这三个组件是否位于同一电路板上及其间的通信路径如何安排。例如,在蓝光应用中,则通过读取磁盘获得,并以每秒54兆位的速度进行传输:其解码器必须与显示屏集成在一起——而后者很可能处于设备的不同方位部分:然而,在没有执行蓝光光盘读取操作的情况下——但设备已存储少量经过基本保护的视频格式——则可以直接解码本地处理的数据并将其未压缩版本转发至显示屏。
在图所示的情况下(或场景中),处理器可能直接集成于摄像头。摄像头能够执行图像捕捉及编码过程,并将所得信息传递至视频接收器端口。由于该端口的最大输入速率为每秒小于100兆位,请注意此处讨论的是最低限度要求而非实际应用中的标准配置设置。在此情况下(或场景下),视频接收器具备解码能力,并无需进行进一步的计算或处理即可完成基本解码任务。然而,在某些设计中(如模块化架构),摄像头会将未经处理的图像数据发送至一个独立的单元,并在这些模块之间传递前(如图像预处理单元),可能会对数据进行进一步的优化或调整。具体方案的选择通常取决于多个因素:包括压缩损失评估、技术可行性考量以及成本效益分析等关键指标;此外还需结合个人偏好等因素综合权衡后做出决策依据。然而,在某些特殊应用中(如高清视频回传),为了保证实时性要求(即高带宽需求),必须采用高于1 Gbps的速度才能满足系统性能要求

这一类依赖高速视频数据传输的通信技术不仅在汽车领域受到关注,在消费电子行业也具有代表性。值得注意的是,在这一领域的演变中可以观察到两个主要趋势:首先是模拟视频传输(如 RGB 或 FBAS 等标准),其次是向高分辨率数字视频过渡的过程。这种转变带来了对更高成本光纤连接的需求以及不同显示标准之间的兼容性问题。相比之下,“消费链接”体系则更加完善:它包含了明确定义的电缆类型、专用连接器以及经过严格互操作性测试的标准,并通常伴随着更高层次的数据协议支持。
此外,在 ISO/OSI 分层模型中,“像素连接”仅限于底层(Layer 1)的数据传输功能。
第一家推出这样的像素链接系列产品的汽车制造商是宝马。 2001 年,宝马 7系上有一个中央信息显示器。模拟视频不足以提供相应的质量,现有的数字车载网络系统不支持预期分辨率所需的数据速率。最后决定使用低压差分信号 ( LVDS)链路,并在 1994 年中首次引入到消费领域 [ 37]。 LVDS 描述了数字数据作为串行链路上的差分信号进行传输的物理原理 。为了支持高数据速率,正确的终端电阻是重要的,并且使用屏蔽电缆。此外,在发送器中使用去加重。

LVDS是一种基于电压等级划分的一种物理层机制,并非标准化方案。不同厂商实现的数据速率、发送间隔等参数存在差异因此市场上存在多种互不兼容的解决方案。例如现有技术仍有改进空间其中像素链接采用电流驱动机制而非依赖于电压特性这些改进使得系统性能得到显著提升。具体而言这些系统采用CML架构在 pixel 链路实现上创新地采用同轴电缆替代传统的屏蔽线缆并支持在同一根同轴电缆上同时传输电源信号。
此外,在早期阶段只有单向素连接负责传递像素信息。为了实现有效的控制数据传输必须采用专门的技术手段因此新型素连接产品逐渐涌现出来此类产品包含独立的控制通道反向通道以及采用I2S I2C等集成方式将音频信息与视频连接融合(如文献[39]所述)。同时为了满足不同应用场景需求此类解决方案正在或仍在不断优化其设计特性例如是否支持摄像头或其他显示设备的不同配置会导致其内部处理的内容和所需的硬件配置产生显著差异进而影响其兼容性和适应性表现

因此,在优化实施过程中, 实施者可以根据具体情况选择合适的像素链接方案以实现优化. 然而, 这些连接无法实现互通, 这种做法并不值得提倡. 值得提及的是,在汽车数据传输中, 并非所有像素链路都用于整体网络传输. 每个像素链路都是独立运作的, 而并非传统的连接方式, 其主要功能是为了实现两个单元之间物理层的单向点对点通信. 当供应商发生变化时, 并不是整个网络而是仅有两个 ECU 需要进行相应调整.
7、消费链接
消费领域持续致力于开发新型通信技术。一个常见疑问是:为什么不直接将这些先进技术整合到汽车中?其原因在于汽车制造商仅在必要时引入相关连接。具体来说:
1、时间轴:在较长的时间跨度内拥有超过十年的老车是常见现象。例如,在2015年对德国注册的汽车进行调查时发现约有38%超过了这一车龄;这一比例在过去几十年中持续上升。最近一位车主刚添置了一台新型车载收音机以确保车内也能接收最新的科技资讯。展望未来,在消费行业快速变迁的大背景下难以预见到,在未来十年内若这些技术仍存在,则可能面临更高的技术要求与开发挑战。因此将这些新兴的技术应用于车载网络系统则意味着这些系统必须具备相当的高度适应性。
2、质量:相比车内应用的质量要求而言, 消费行业对产品技术标准的规定极为宽松. 若要实现汽车质量的技术, 则需通过高昂的连线成本及耗时认证流程. 在整合各类车载设备时, 汽车制造商往往不得不采用消费级接口. 这也成为了一种不可避免的现象. 它最终导致了另一个质量问题: 即车载集成功能的质量往往与其关联性紧密相连, 即使这些功能主要依赖于消费电子(CE)设备.
网络功能:通用串行总线(USB)是一种非常流行的且大多数汽车以某种方式支持的消费技术。它通过多种途径得到了广泛的采用,并在信息娱乐系统、通信系统以及许多微控制器(μC)和数字信号处理器(DSP)中得到应用。自2006年以来,在汽车内部设备中逐渐成为车载消费类设备的标准接口之一。尽管如此,在某些情况下也会用于ECU内部的数据传输。然而,在最初的目的在于将外部设备连接至计算机。
该系统支持的具体拓扑结构、通信方案及网络功能具有明确性,在应用于车内大规模网络时,则通常会面临高昂的成本或采用昂贵的解决方案。其中USB技术专为星形拓扑设计,在这种架构中以一个主计算机为核心来负责管理单个外围设备或其他连接设备。这将导致车内大规模布线问题,并且由于汽车内部对USB连接范围有限的需求而不得不采用昂贵且复杂的屏蔽电缆技术来满足需求。然而尽管如此 USB 连接仍是一个广泛使用的消费级链接例子 但就其实际应用而言它可能并不完全适合车载网络的需求 但是也不能说车载所有类似的接口都必须具备联网功能。
4、新要求:音频的、特别是视频的数字化不仅带来了质量的提高,并且增加了复杂性,并伴随着一个非友好的设计(Digital Rights Management, DRM)。 DRM要求数据进行加密操作,并将带来组件中的工作量与成本上的增加。使用 DRM并非消费者所选择的技术方案;同样地,在汽车制造领域也没有这样的选择权。即使汽车构成一个封闭系统,
汽车制造商必须在各自的信息娱乐系统中提供相应的DRM功能。(注:原文提到"for each of their respective links")
尤其是那些最为容易获得的技术类型。(注:原文提到"communication technologies")
在这一领域中存在一个问题:高带宽数字内容保护(High Bandwidth Digital Content Protection, HDCP),这也是高清多媒体接口(High Definition Multimedia Interface, HDMI)及其后续版本——移动高清连接(Moving High Definition Connection, MHL)所必需的技术。
基于以上原因,为了避免潜在的技术挑战,汽车制造商将谨慎考虑内部消费链接的应用.这些集成方案通常需要经过严格的验证流程,并只能在明确定义、有限且隔离的应用场景中实施.目前还没有找到任何实证数据表明有线式消费接口能够可靠地替代现有技术方案.
小结
车载网(...),即汽车联网系统的发展过程,在经历了汽车电子设备数量的增长以及车辆智能化与网联化需求不断提升的情况下逐步发展而成。
早期阶段
在汽车网络技术发展的初期阶段, 各类控制器之间的通信主要依靠硬线连接这一手段进行. 这种基于直接通信模式的设计在 controller 数量较少时能够有效运行, 但在 controller 数量显著增加的情况下, 硬线连接的数量会呈指数级增长, 进而导致布线复杂性加剧和系统成本相应上升等问题
总线技术的出现
为了应对硬件总线连接所面临的挑战,BOSCH公司创新性地提出了基于CAN(Ctrlntl Regnry Network,控制器局域网)的技术框架.该技术采用双绞线作为数据传输介质,显著提升了传输速度并确保系统运行的可靠性,因此逐渐成为车载网络领域的重要技术方案.
LIN总路:作为一种辅助通信网络,在不依赖标准CAN总路的情况下为车辆提供高动态性的通信需求而存在。该技术通过独特的单根线路连接方式实现了对整车线路束成本及重量的有效优化目的。此外,在设计上也充分考虑了其在各种特殊行驶条件下的适用性与可靠性需求。
高级总线技术的发展
伴随技术的持续进步与创新需求的增长, FlexRay网络体系逐步形成并得到广泛应用。该系统不仅具备强大的冗余能力, 还能够显著提升通信效率, 其核心功能模块设计充分考虑了复杂交通环境下的实时性和可靠性需求, 最终实现了对车辆关键系统的全面保护。为了确保系统稳定运行, 系统架构设计时充分考虑了各子系统间的协调工作流程安排, 并通过引入先进的同步机制来保障数据传输过程中的准确性和安全性, 从而为后续开发奠定了坚实的技术基础。
该技术用于表示...
车载以太网的发展
背景:随着现代汽车中车载电子设备数量的持续增长,其中激光雷达、角雷达以及毫米波雷达等先进传感器技术的应用,使得道路信息流量呈现出爆发式的增长趋势.这一变化对网络带宽和实时性提出了越来越高的要求.在面对日益增长的信息流量时,传统的CAN总线、LIN总线以及FlexRay等通信协议仍显力不从心,因此在21世纪初,车载以太网技术逐渐成为解决这些问题的有效解决方案.
发展历程:
2004年:宝马公司启动了初步探索,在车辆中采用以太网技术,并预期将在2008年前将其量产车型配置上部署网络功能以支持多样的实时音频、视频以及传感器采集的数据传输需求。
2008年份:宝马7系车型上得以实现了基于以太网的芯片更新技术,并预示着车载以太网技术进入实用阶段。
2013年:BROADR-reach 技术在宝马5系的环视系统中实现了量产,并成功地促进了车载以太网技术的应用。
近年来:OPEN Alliance SIG、IEEE等组织持续推动发展车载以太网标准使其逐步演变为通用标准并得到了广泛应用在智能网联汽车领域。
该技术方案基于单对双绞线的技术架构实现数据传输,并遵循PoDL通信协议标准以同时支持信号与电源的双向传输功能。其显著优势包括优异的带宽性能优异(最高可达100Mbps甚至1Gbps)、成本低廉且设备体积小、重量轻的特点。
未来趋势
随着汽车智能化与网联化程度的不断提升,在智能网联汽车领域中,车载以太网有望发展成为主导型骨干网络。展望未来,在智能网联汽车领域中,车载以太网有望发展成为主导型骨干网络。该技术将为车辆实现数据传输速度更快、可靠性更高以及操作更加灵活的能力提升奠定基础。与此同时,在 conjunction with 这些新技术的不断演进,在 conjunction with 这些新技术的不断演进,在 conjunction with 这些新技术的持续创新下,在 conjunction with 这些新技术的持续创新下,在 conjunction with 这些新技术的支持与协同下,在 conjunction with 这些新技术的支持与协同下,在 conjunction with 5G、V2X等前沿技术的应用背景下,在 conjunction with 5G、V2X等前沿技术的应用背景下,在 conjunction with 5G、V2X等前沿技术的支持下及协同作用下

