[渝粤教育] 南通大学 模拟电子技术 参考 资料
教育
-模拟电子技术-章节资料考试资料-南通大学【】
1.2-1.3 随堂练习
1、【单选题】根据信号的连续性和离散性分析,水银温度计显示的温度值属于( )。
A、时间连续,数值连续
B、 时间离散,数值连续
C、时间连续,数值离散
D、时间离散,数值离散
参考资料【 】
2、【判断题】非周期信号的频谱是离散的。
A、正确
B、错误
参考资料【 】
3、【判断题】信号在频域中表示的图形或曲线称为信号的频谱。
A、正确
B、错误
参考资料【 】
1.4 随堂练习
1、【单选题】为了减小负载电阻对电压放大电路电压增益的影响,就要求在电路设计时努力使( )。
A、Ro << RL
B、Ro >> RL
C、Ro < RL
D、Ro > RL
参考资料【 】
2、【单选题】在设计电流放大电路时,电路中的输入电阻Ri 和输出电阻Ro应如何调整?
A、尽量减小Ri,提高Ro
B、尽量减小Ri和Ro
C、尽量提高Ri,减小Ro
D、尽量提高Ri和Ro
参考资料【 】
3、【判断题】在理想性状态下,互阻放大电路要求输入电阻Ri =0,输出电阻Ro =∞。
A、正确
B、错误
参考资料【 】
1.5 随堂练习
1、【单选题】放大电路的电压增益和电流增益在工程上常用“分贝”表示,其表达式分别是( )。
A、电压增益 = 20 lg|AV | dB,电流增益 = 20 lg|Ai | dB
B、电压增益 = 10 lg|AV | dB,电流增益 = 20 lg|Ai | dB
C、电压增益 = 20 lg|AV | dB,电流增益 = 10 lg|Ai | dB
D、电压增益 = 10 lg|AV | dB,电流增益 = 10 lg|Ai | dB
参考资料【 】
2、【判断题】信号在频域中表示的图形或曲线称为信号的频谱。
A、正确
B、错误
参考资料【 】
3、【判断题】放大电路的频率响应指的是,在输入正弦信号情况下,输出随输入信号频率连续变化的稳态响应。
A、正确
B、错误
参考资料【 】
第1章 单元作业
第1章 单元测验
1、【单选题】根据信号的连续性和离散性分析,气候属于( )。
A、时间连续,数值连续
B、时间离散,数值连续
C、时间连续,数值离散
D、时间离散,数值离散
参考资料【 】
2、【单选题】电压放大电路适用于( )的场合。
A、信号源内阻Rsi 较大,负载电阻RL 较小
B、信号源内阻Rsi 较小,负载电阻RL 较大
C、信号源内阻Rsi 较大,负载电阻RL 较大
D、信号源内阻Rsi 较小,负载电阻RL 较小
参考资料【 】
3、【单选题】对于电流放大电路而言,只有当( )时,才可以使电路具有较理想的电流放大效果。
A、Ro >> RL和Ri >> Rsi
B、Ro << RL和Ri >> Rsi
C、Ro >> RL和Ri << Rsi
D、Ro << RL和Ri << Rsi
参考资料【 】
4、【单选题】某放大电路输入信号为50 mV时,输出为1 A,该放大电路的增益和类型分别是( )。
A、20S,互阻
B、20S,互导
C、20S,电压
D、20S,电流
参考资料【 】
5、【判断题】在理想性状态下,互导放大电路要求输入电阻Ri = ∞,输出电阻Ro = ∞。
A、正确
B、错误
参考资料【 】
6、【判断题】描述放大电路输出量与输入量关系的曲线,称为放大电路的传输特性曲线。
A、正确
B、错误
参考资料【 】
7、【判断题】相位频谱是相位随角频率变化的分布曲线。
A、正确
B、错误
参考资料【 】
8、【判断题】通过傅立叶变换可以实现信号从频域到时域的变换。
A、正确
B、错误
参考资料【 】
9、【判断题】在时间上和幅值上均是连续的信号称为模拟信号。
A、正确
B、错误
参考资料【 】
10、【判断题】放大电路的增益实际上反映了电路在输入信号控制下,将供电电源能量转换为信号能量的能力。
A、正确
B、错误
参考资料【 】
随堂测验 2.1
1、【单选题】理想运算放大器的放大倍数Avo =( ),输入电阻ri =( ),输出电阻ro =( )。
A、 ∞,0,∞
B、 0,∞,∞
C、 ∞,∞,0
D、 0,∞,0
参考资料【 】
2、【单选题】理想运放的特性:虚短( )和虚断( )。
A、vP-vN <0,ii <0
B、vP-vN ≈0,ii ≈0
C、 vP-vN ≈0,ii <0
D、vP-vN <0,ii ≈0
参考资料【 】
3、【单选题】集成运算反放大电路一般分为两个工作区域,它们分别是( )。
A、虚短与虚断
B、正反馈与负反馈
C、线性与非线性
D、虚短与虚地
参考资料【 】
4、【判断题】集成运放的核心电路是高电压放大倍数、高输入电阻和低输出电阻的电路。
A、正确
B、错误
参考资料【 】
5、【判断题】集成运放的两个输入端:同相输入端和反相输入端。前者的极性与输出端相同,后者的极性与输出端相反。
A、正确
B、错误
参考资料【 】
随堂测验 2.2
1、【单选题】在题图所示电路中,设A为理想运放,那么电路中存在关系( )。
A、VN =0
B、VN =Vi-i1R2
C、VN =Vi
D、i1 = -i2
参考资料【 】
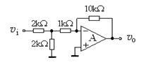
2、【单选题】由理想运放构成的电路如图所示。该电路的电压放大倍数为( )、 输入电阻为( )、输出电阻为( )。该电路起( )作用。
A、∞;∞;0;阻抗变换或缓冲
B、1;∞;∞;阻抗变换或缓冲
C、 1;∞;0;阻抗变换或缓冲 �
D、 1;∞;0;放大
参考资料【 】
3、【单选题】在题图所示电路中,设A为理想运放,已知运算放的最大输出电压Vom =±12V,当vi =8V时,vO =( )。 
A、-16V
B、16V
C、-12V
D、12V
参考资料【 】
4、【单选题】电路如题图所示,设运放是理想的。当输入电压为 +2V 时,则vo =( )。<img src="http://edu-image.nosdn.127.net/0BC1B4511AB483FA85F42445D0F5F701.JPG?imageView
A、1V
B、-1V
C、2V
D、-2V
参考资料【 】
5、【单选题】电路如题图所示,设运放是理想的。当输入电压vi =2V时,则输出电压vO = ( )。
A、2V
B、-2V
C、5V
D、-5V
参考资料【 】
6、【判断题】反馈是指将放大器输出端的信号的一部分或全部通过一定的方式送到输入端的过程。
A、正确
B、错误
参考资料【 】
7、【判断题】在运算电路中,集成运放的反相输入端均为虚地。
A、正确
B、错误
参考资料【 】
8、【判断题】凡是运算电路都可以利用“虚短”和“虚断”的概念求解运算关系。
A、正确
B、错误
参考资料【 】
9、【判断题】 电压跟随器具有输入电阻很大和输出电阻很小的特点,常用作缓冲器。
A、正确
B、错误
参考资料【 】
10、【判断题】同相比例放大电路输入电阻高,输出电阻低,反相比例放大电路与之相反。
A、正确
B、错误
参考资料【 】
第2章 单元作业
第2章 单元测验
1、【单选题】关于理想运算放大器的错误叙述是( )。
A、输入阻抗为零,输出阻抗也为零
B、输入信号为零时,输出处于零电位
C、频带宽度从零到无穷大
D、开环电压放大倍数无穷大
参考资料【 】
2、【单选题】理想运放,不论其工作在线性状态还是非线性状态,它的( )。
A、Ip=In=0
B、Vp=Vn
C、Vp=Vn=0
D、Ip≠In
参考资料【 】
3、【单选题】电压跟随器是( )运算电路的特例。它具有Ri很大和Ro很小的特点,常用作缓冲器。
A、反相比例
B、同相比例
C、积分
D、微分
参考资料【 】
4、【单选题】反相比例运算电路中,运放的反相端( )。
A、接地
B、虚地
C、与地无关
D、短路
参考资料【 】
5、【单选题】一个由理想运算放大器组成的同相比例运算电路,其输入、输出电阻是( )。
A、输入电阻高,输出电阻低
B、输入、输出电阻均很高
C、输入、输出电阻均很低
D、输入电阻低,输出电阻高
参考资料【 】
6、【单选题】差模输入信号是两个输入信号的( )。
A、和
B、差
C、比值
D、平均值
参考资料【 】
7、【单选题】欲将正弦波电压叠加一个直流量,应选用( )。
A、加法运算电路
B、减法运算电路
C、积分运算电路
D、微分运算电路
参考资料【 】
8、【单选题】欲将方波电压转换成三角波电压,应选用( )。
A、反相比例运算电路
B、反相比例运算电路
C、积分运算电路
D、微分运算电路
参考资料【 】
9、【判断题】同相比例运算电路的闭环电压放大倍数数值一定大于或等于1。( )
A、正确
B、错误
参考资料【 】
10、【判断题】在运算电路中,集成运放的反相输入端均为虚地。( )
A、正确
B、错误
参考资料【 】
11、【判断题】集成运放构成放大电路不但能放大交流信号,也能放大直流信号。( )
A、正确
B、错误
参考资料【 】
12、【判断题】反相输入式集成运放的虚地可以直接接地。( )
A、正确
B、错误
参考资料【 】
13、【判断题】只要集成运放引入正反馈,就一定工作在非线性区。( )
A、正确
B、错误
参考资料【 】
14、【判断题】集成运算放大电路未接反馈电路时的电压放大倍数称为开环电压增益。( )
A、正确
B、错误
参考资料【 】
15、【判断题】集成运算放大器在开环状态下,输入与输出之间存在线性关系。( )
A、正确
B、错误
参考资料【 】
16、【判断题】集成运算放大电路使用时不接负反馈,电路中的电压增益称为开环电压增益。( )
A、正确
B、错误
参考资料【 】
17、【填空题】理想集成运放开环差模输入电阻ri = 。
A、
参考资料【 】
18、【填空题】理想集成运放开环差模输出电阻ro= 。
A、
参考资料【 】
19、【填空题】 集成运算放大器的同相输入端的信号电压与输出端信号 。
A、
参考资料【 】
20、【填空题】 集成运算放大器的反相输入端的信号电压与输出端信号 。
A、
参考资料【 】
21、【填空题】 比例放大电路中存在虚地现象。
A、
参考资料【 】
22、【填空题】设图中的运放为理想器件,图中电路输出电压vo= V。
A、
参考资料【 】
23、【填空题】设图中的运放为理想器件,图中电路输出电压vo= V。
A、
参考资料【 】
24、【填空题】设图中的运放为理想器件,图中电路输出电压vo= V。
A、
参考资料【 】
25、【填空题】设图中的运放为理想器件,图中电路输出电压vo= V。
A、
参考资料【 】
随堂测试
1、【单选题】关于本征半导体,下列描述错误的是()
A、本征半导体受到热激发,会产生自由电子;
B、本征半导体中,电子和空穴总是成对产生;
C、温度越高,本征半导体中电子和空穴浓度越高;
D、本征半导体中的电子和空穴浓度不受外界环境影响。
参考资料【 】
2、【单选题】关于杂质半导体,下列描述正确的是( )
A、在本征半导体中掺入施主杂质,可以获得N型半导体,掺杂后电子为多子,空穴为少子;
B、 在本征半导体中掺入施主杂质,可以获得P型半导体,掺杂后电子为多子,空穴为少子;
C、在本征半导体中掺入受主杂质,可以获得N型半导体,掺杂后空穴为多子,电子为少子;
D、在本征半导体中掺入受主杂质,可以获得P型半导体,掺杂后电子为多子,空穴为少子。
参考资料【 】
3、【判断题】由于P型半导体中含有大量空穴载流子,N型半导体中含有大量电子载流子,所以P型半导体带正电,N型半导体带负电。
A、正确
B、错误
参考资料【 】
随堂测验
1、【单选题】PN结加正向电压时,其正向电流是由于( )
A、多数载流子扩散形成;
B、 多数载流子漂移形成;
C、少数载流子漂移形成;
D、少数载流子扩散形成。
参考资料【 】
2、【单选题】PN结反向偏置电压的数值增大,但小于击穿电压( )。
A、其反向电流增大;
B、其反向电流减小;
C、其反向电流基本不变;
D、其正向电流增大。
参考资料【 】
3、【单选题】下列关于PN结反向击穿的描述,错误的是 ( )。
A、雪崩击穿和齐纳击穿都属于电击穿,在允许的耗散功率内,击穿是可逆的;
B、一般情况下,雪崩击穿要求二极管掺杂浓度较高;
C、热击穿会导致二极管烧毁,应当避免;
D、通常,雪崩击穿的击穿电压高于齐纳击穿的击穿电压。
参考资料【 】
4、【判断题】扩散电流是由半导体的杂质浓度引起的,即杂质浓度大,扩散电流大;杂质浓度小,扩散电流小。
A、正确
B、错误
参考资料【 】
随堂测验
1、【判断题】点接触型二极管的结面积小,所以允许的工作频率较低
A、正确
B、错误
参考资料【 】
2、【填空题】在常温下,硅二极管导通后在较大电流下的正向压降约 V;
A、
参考资料【 】
随堂测试
1、【单选题】下图中所示的二极管等效电路模型,对应的是 。
A、理想模型;
B、恒压降模型;
C、折线模型;
D、小信号模型。
参考资料【 】
2、【单选题】下图描述了小信号模型的V-I特性和电路模型,关于二极管小信号模型,描述错误的是( )。<img src="http://edu-image.nosdn.127.net/9F5741CEDE9867FC976C650D2192663F.jpg?imageView
A、小信号模型适用于二极管电压电流在Q点附近小范围变化状况下;
B、小信号模型建立在二极管正向导通状态下;
C、rd跟静态工作点相关;
D、rd跟二极管生产参数相关,常温下为一恒定值。
参考资料【 】
3、【判断题】对于理想二极管,当其正偏时,结电阻为零,导通压降为零;当其反偏时,结电阻为无穷大,流过的电流为零;
A、正确
B、错误
参考资料【 】
随堂测验
1、【单选题】稳压二极管是利用PN结的( )。
A、单向导电性;
B、反偏截止特性;
C、电容特性;
D、反向击穿特性。
参考资料【 】
2、【单选题】下列符号中,肖特基二极管是( )
A、
B、
C、
D、
参考资料【 】
3、【判断题】变容二极管在电路中使用时,其PN结处于反偏。
A、正确
B、错误
参考资料【 】
第3章 单元作业
第3章 单元测验
1、【单选题】在杂质半导体中,多数载流子的浓度主要取决于( ),而少数载流子的浓度与( )有很大关系。
A、杂质浓度;环境温度;
B、环境温度;杂质浓度;
C、杂质浓度;外加电场;
D、杂质价态;杂质浓度;
参考资料【 】
2、【单选题】当PN结外加正向电压时,扩散电流 漂移电流,耗尽层 ;当外加反向电压时,扩散电流 漂移电流,耗尽层 。
A、大于,变宽,小于,变窄;
B、大于,变窄,小于,变宽;
C、小于,变窄,大于,变宽;
D、小于,变宽,大于,变窄。
参考资料【 】
3、【单选题】PN结正偏时,其电容效应主要体现为 。
A、扩散电容;
B、势垒电容和扩散电容;
C、势垒电容;
D、耗尽电容;
参考资料【 】
4、【单选题】二极管加正向电压时,其正向电流是由( )。
A、多数载流子扩散形成;
B、多数载流子漂移形成;
C、少数载流子漂移形成;
D、少数载流子扩散形成;
参考资料【 】
5、【单选题】2. 二极管两端电压大于 电压时,二极管才导通。
A、导通;
B、击穿;
C、门坎;
D、饱和;
参考资料【 】
6、【单选题】稳压二极管工作时,处于 状态。
A、正向导通
B、反向截止
C、齐纳击穿
D、雪崩击穿
参考资料【 】
7、【单选题】下图中所示的二极管等效电路模型,对应的是 。
A、理想模型;
B、恒压降模型;
C、折线模型;
D、小信号模型;
参考资料【 】
8、【单选题】下图描述了小信号模型的V-I特性和电路模型,关于二极管小信号模型,描述错误的是( )。
A、小信号模型适用于二极管电压电流在Q点附近小范围变化状况下;
B、 小信号模型建立在二极管正向导通状态下;
C、rd跟静态工作点相关;
D、 rd跟二极管生产参数相关,常温下为一恒定值。
参考资料【 】
9、【单选题】如图所示的限幅电路,VREF=3V,vI=0V和4V时,二极管采用理想模型,对应输出电压vo为( )。
A、0V,4V;
B、0V,0V;
C、0V,3V;
D、0V,3.7V;
参考资料【 】
10、【单选题】如图所示的开关电路,二极管采用理想模型,vI1=0V,vI2=5V,则二极管D1,D2工作状态和vo的值为()。
A、导通,导通,0V;
B、导通,截止,0V;
C、截止,导通,5V;
D、截止,截止,5V;
参考资料【 】
11、【单选题】下列二极管中,利用二极管正向特性的是( )。
A、齐纳二极管
B、变容二极管
C、光电二极管
D、发光二极管
参考资料【 】
12、【判断题】在N型半导体中,掺入高浓度的三价元素杂质,可以改为P型半导体( )。
A、正确
B、错误
参考资料【 】
13、【判断题】扩散电流是由半导体的杂质浓度引起的,杂质浓度越大,扩散电流越大。
A、正确
B、错误
参考资料【 】
14、【判断题】本征激发过程中,激发与符合处于动态平衡时,两种作用相互抵消,激发与复合停止。
A、正确
B、错误
参考资料【 】
15、【判断题】温度升高时,PN结的反向饱和电流将减小。
A、正确
B、错误
参考资料【 】
16、【判断题】PN结在无光照无外加电压时,结电流为0。
A、正确
B、错误
参考资料【 】
17、【判断题】雪崩击穿属于电击穿,是可逆的。
A、正确
B、错误
参考资料【 】
18、【判断题】点接触型二极管的结面积小,所以允许的工作频率较高( )。
A、正确
B、错误
参考资料【 】
19、【判断题】对于理想二极管,当其正偏时,结电阻为零,导通压降为零;当其反偏时,结电阻为无穷大,流过的电流为零;( )
A、正确
B、错误
参考资料【 】
20、【填空题】PN结加正向电压时,空间电荷区将 。
A、
参考资料【 】
21、【填空题】在N型半导体中 为多数载流子, 为少数载流子。
A、
参考资料【 】
22、【填空题】稳压二极管利用的是 击穿原理。
A、
参考资料【 】
随堂测验:4.1
1、【单选题】三极管工作在放大状态时,其内部两个PN结应满足()。
A、发射结正偏,集电结正偏
B、发射结反偏,集电结反偏;
C、集电结正偏,发射结反偏;
D、发射结正偏,集电结反偏。
参考资料【 】
2、【单选题】测得晶体管三个电极的静态电流分别为0.06mA,3.66mA和3.6mA。则该管的β值为( )
A、1.02;
B、50;
C、60;
D、61。
参考资料【 】
3、【单选题】BJT 正常放大时,应工作于( )。
A、饱和区;
B、放大区;
C、截止区;
D、线性区。
参考资料【 】
4、【判断题】BJT的发射极e和集电极C可以交换使用。
A、正确
B、错误
参考资料【 】
随堂测验 4.2
1、【单选题】关于基本共射极放大电路,下列说法错误的是( )
A、在放大电路中应设置合适的静态工作点;
B、为使输入信号不失真放大,电路中BJT必须始终工作在放大区域;
C、在直流信号基础上叠加交流信号,电路处于动态工作情况;
D、交流通路,既能反应电路的静态,又能反应电路动态工作。
参考资料【 】
2、【判断题】放大电路放大的是交流信号。 ( )
A、正确
B、错误
参考资料【 】
3、【判断题】放大电路可以是对电压进行放大,也可以是对电流进行放大。( )
A、正确
B、错误
参考资料【 】
随堂测验4.3
1、【单选题】引起饱和失真的原因是( )
A、输入电阻太小;
B、静态工作点偏低;
C、静态工作点偏高;
D、输入电阻太大。
参考资料【 】
2、【判断题】在PNP管单级共射放大电路中,若输入电压为正弦波形,而输出波形出现了底部被削平的现象,这种失真属于饱和失真。( )
A、正确
B、错误
参考资料【 】
3、【判断题】 用万用表的“Ω”档测量b、e两极之间的电阻,即为BJT小信号模型中的rbe。( )
A、正确
B、错误
参考资料【 】
4、【判断题】 BJT小信号模型可看作为受控电流源。( )
A、正确
B、错误
参考资料【 】
随堂测验4.4
1、【判断题】环境温度变化是造成放大电路静态工作点不稳定的重要因素。( )
A、正确
B、错误
参考资料【 】
随堂测验4.5
1、【单选题】关于BJT单级放大器三种组态,下面说法错误的是( )
A、共发射极放大电路既有电压放大作用又有电流放大作用。
B、共集电极放大电路只有电流放大作用,没有电压放大作用;
C、共基极放大电路只有电压放大作用,没有电流放大作用;
D、三种组态中,共集电极输入电阻最低。
参考资料【 】
2、【判断题】共集电极电路又可以称为电压跟随器。( )
A、正确
B、错误
参考资料【 】
第4章 单元作业
第4章 单元测验
1、【单选题】BJT的电流分配关系中,下面描述错误的是( )。
A、IC=βIB;
B、IE=IC+IB;
C、 IE =(1+β)IB;
D、IB =IC
参考资料【 】
2、【单选题】BJT 正常放大时,应工作于( )
A、饱和区;
B、放大区;
C、截止区;
D、线性区;
参考资料【 】
3、【单选题】下面组态中,属于共集电极组态的是( )
A、
B、
C、
D、
参考资料【 】
4、【单选题】下列图示的三极管,一定处于放大区的是( )。
A、
B、
C、
D、
参考资料【 】
5、【单选题】静态工作点过低,会引起( )。
A、饱和失真
B、截止失真
C、顶部失真
D、线性失真
参考资料【 】
6、【单选题】某三极管处于放大状态,三个电极A、B、C的点位分别是-9V、-6V和-6.2V,则三极管的集电极是 ,基极是 ,发射极是 ,三极管由 材料制成。
A、A,B,C,硅
B、A,C,B,锗
C、B,A,C,锗
D、C,A,B,硅
参考资料【 】
7、【单选题】图中给出了某单管共射极放大电路中三极管的输出特性和交、直流负载线,从图中可以得出Vcc、IBQ、β的值分别为( )。
A、6V,20µA,50
B、4.5V,20µA,100
C、4.5V,1000µA,50
D、6V,20µA,100
参考资料【 】
8、【单选题】BJT三极管的三个工作区域分别是 、 和 。( )
A、饱和区、放大区、截止区
B、线性区、饱和区、截止区
C、可变电阻区、饱和区、截止区
D、安全区、放大区、线性区
参考资料【 】
9、【单选题】下面关于放大器的说法,错误的是( )。
A、放大器的放大倍数反应放大器信号放大的能力。
B、输入电阻反应了放大器带负载的能力。
C、输出电阻反映了放大器驱动负载的能力。
D、在放大器的分析中,存在静态和动态两种状态。
参考资料【 】
10、【判断题】温度升高,BJT的β值增大。( )
A、正确
B、错误
参考资料【 】
11、【判断题】BJT小信号模型可看作为受控电压源。( )
A、正确
B、错误
参考资料【 】
12、【判断题】不同的静态工作点对应的BJT小信号参数是相同的。( )
A、正确
B、错误
参考资料【 】
13、【判断题】PNP管和NPN管对应的小信号模型是相同的。( )
A、正确
B、错误
参考资料【 】
14、【判断题】环境温度变化是造成放大电路静态工作点不稳定的重要因素。( )
A、正确
B、错误
参考资料【 】
15、【填空题】双极性三极管是指它内部的 有两种。
A、
参考资料【 】
16、【填空题】工作在放大区的某三极管,如果当IB从12μA增大到22μA,IC从1mA变为2mA,那么它的β约为 。
A、
参考资料【 】
17、【填空题】有两个放大倍数相同,输入电阻和输出电阻不同的放大电路A和B,对同一个具有内阻的信号源电压进行放大。在负载开路的条件下,测得A放大器的输出电压小,这说明A的输入电阻 。
A、
参考资料【 】
18、【填空题】NPN三极管输出电压的底部失真都是 失真。
A、
参考资料【 】
随堂测验:5.1
1、【单选题】场效应晶体管是用_______来进行放大控制的的。
A、电流
B、电压
C、功率
D、电流和电压
参考资料【 】
2、【单选题】MOSFET的类型有_______种。
A、2
B、4
C、6
D、8
参考资料【 】
3、【单选题】场效应管靠_________导电。
A、电子
B、空穴
C、电子或空穴
D、电子和空穴
参考资料【 】
4、【判断题】没有加偏置电压就已经有导电沟道存在的场效应管是增强型场效应管
A、正确
B、错误
参考资料【 】
随堂测验:5.2
1、【单选题】JFET发生预夹断后,管子_________ 。
A、关断
B、进入恒流区
C、漏极电流增大
D、进入可变电阻区
参考资料【 】
2、【单选题】为了使JFET正常工作,栅源间需要加__________电压来改变沟道的宽度。
A、反向
B、正向
C、零偏
D、任意偏置
参考资料【 】
3、【单选题】P沟道JFET中的导电载流子是________ 。
A、电子
B、空穴
C、电子或空穴
D、电子和空穴
参考资料【 】
4、【单选题】当JFET工作在________ 时,转移特性可用一条曲线来表示。
A、可变电阻区
B、饱和放大区
C、截止区
D、击穿区
参考资料【 】
5、【多选题】下面符号中错误表示结型场效应管的有________ 。
A、
B、
C、
D、
参考资料【 】
随堂测验: 5.3
1、【单选题】增强型PMOS管的开启电压 ________ 。
A、大于0
B、小于0
C、等于0
D、大于或小于0都可以
参考资料【 】
2、【单选题】下述有源器件中,输入电阻最高的是 _________ 。
A、BJT
B、JFET
C、MOSFET
D、无法判断
参考资料【 】
3、【单选题】下面符号中,对应耗尽型PMOS管的是 _______ 。
A、
B、
C、
D、
参考资料【 】
4、【单选题】绝缘栅场效应管的栅极电流_________ 。
A、为0
B、较大
C、较小
D、为负值
参考资料【 】
5、【单选题】MOSFET出厂时,如果衬底未与源极相连,则 在使用时可互换。
A、栅极与源极
B、漏极与源极
C、栅极与漏极
D、衬底与源极
参考资料【 】
6、【判断题】耗尽型FET的栅源电压在工作时,可正可负,也可以为零。
A、正确
B、错误
参考资料【 】
7、【判断题】场效应管的突出优点是具有很高的输出电阻。
A、正确
B、错误
参考资料【 】
8、【判断题】对于N沟道增强型MOSFET,在正常工作时,栅源电压只能为正。
A、正确
B、错误
参考资料【 】
随堂测验: 5.4
1、【单选题】分压式偏置结构的场效应管放大电路,在参数合适的情况下,可以适用于 。
A、JFET
B、耗尽型FET
C、增强型FET
D、各类FET
参考资料【 】
2、【单选题】增强型FET的栅源电压与漏源电压的极性_________。
A、相同
B、相反
C、不确定
D、相同或相反都可以
参考资料【 】
3、【单选题】分压偏置电路中,栅极的电阻Rg一般很大,目的是__________。
A、设置合适的静态工作点
B、减少栅极电流
C、提高电路的电压放大倍数
D、提高电路的输入电阻
参考资料【 】
4、【判断题】场效应管在工作时,需要合适的偏置电压与偏置电流。
A、正确
B、错误
参考资料【 】
5、【判断题】自给偏置电路在参数合适时,也适用于增强型MOSFET。
A、正确
B、错误
参考资料【 】
6、【判断题】自给偏压电路的源极电阻Rs的选择范围通常比分压式偏置结构要大。
A、正确
B、错误
参考资料【 】
7、【判断题】分压式偏置电路工作在饱和区的时候,漏源电压需满足:
A、正确
B、错误
参考资料【 】
随堂测验:5.5
1、【单选题】场效应管的低频跨导gm_________ 。
A、是常数
B、与工作点无关
C、单位通常为毫西门子
D、与栅源电压无关
参考资料【 】
2、【单选题】源极跟随器的输出电阻与___________有关。
A、跨导gm
B、源极电阻Rs
C、跨导gm与源极电阻Rs
D、负载
参考资料【 】
3、【单选题】由于场效应管的输入电阻较大,因此场效应管放大电路的输入电阻 _________ 。
A、较大
B、较小
C、较大与较小都有可能
D、由场效应管自身决定
参考资料【 】
4、【判断题】跨导主要反应了栅源电压对漏源电压的控制能力。
A、正确
B、错误
参考资料【 】
5、【判断题】共漏极放大电路主要用于输入电阻大,输出电阻小的场合。
A、正确
B、错误
参考资料【 】
6、【判断题】FET小信号模型中,由于输出电阻较大,往往可当做开路来简化处理。
A、正确
B、错误
参考资料【 】
7、【判断题】在FET的动态参数分析中,如果已知跨导gm值,一般可以不再求解静态工作点。
A、正确
B、错误
参考资料【 】
第5章 单元作业
第5章 单元测验
1、【单选题】场效应管是用 __________ 控制漏极电流的。
A、栅源电流
B、栅源电压
C、栅漏电流
D、栅漏电压
参考资料【 】
2、【单选题】增强型NMOS管的开启电压________ 。
A、大于零
B、小于零
C、等于零
D、大于或小于零都可以
参考资料【 】
3、【单选题】下面转移特性对应耗尽型NMOS管的是_________。
A、
B、
C、
D、
参考资料【 】
4、【单选题】下面关于JFET描述正确的是 。
A、vGS=0,则沟道中无法流过电流
B、P沟道JFET工作时,应满足栅源电压vGS<0
C、JFET的沟道电流,主要受到栅源电压vGS的影响
D、N沟道JFET工作时,应满足栅源电压vGS<0
参考资料【 】
5、【单选题】7. 下面关于JFET的描述,错误的是_________。
A、沟道夹断前,iD与vDS呈近似线性关系
B、沟道夹断前,iD主要受vGS影响
C、沟道夹断后,vDS增大,夹断长度增加
D、沟道夹断后,iD趋于饱和
参考资料【 】
6、【单选题】下面关于MOSFET的跨导gm,说法错误的是________。
A、MOSFET跨导是静态参数
B、表征了MOSFET的放大能力
C、表示MOSFET将栅源电压转换为漏极电流的能力
D、随MOSFET工作点变化而变化
参考资料【 】
7、【单选题】下面关于MOSFET开启电压,说法正确的是_________。
A、增强型NMOSFET开启电压为负
B、耗尽型NMOSFET开启电压为正
C、增强型PMOSFET开启电压为负
D、耗尽型PMOSFET开启电压为正
参考资料【 】
8、【单选题】对于N沟道JFET,对应栅源电压vGS ,漏源电压vDS,夹断电压vP,描述正确的是 。
A、vGS=0,vDS=0时,沟道不存在,漏极电流iD=0
B、vGS=0,vDS=∣vP∣时,沟道夹断,漏极电流iD=0
C、vGS=0,vDS=∣vP∣时,沟道夹断,漏极电流饱和
D、vGS=0,vDS>∣vP∣时,沟道夹断,漏极电流iD继续增大
参考资料【 】
9、【多选题】关于场效应管外加电压与导电沟道之间关系说法正确的是__________。
A、栅源电压可以使导电沟道呈楔形
B、栅源电压可以使导电沟道呈等宽形
C、漏源电压可以使导电沟道呈楔形
D、漏源电压可以使导电沟道呈等宽形
参考资料【 】
10、【多选题】自给偏压电路中,栅极连接电阻Rg的作用是
A、提供偏置电压
B、提供偏置电流
C、防止输入信号短路
D、泄放栅极可能出现的感应电荷,防止管子击穿
参考资料【 】
11、【多选题】源极跟随器的输出电阻与 有关。
A、栅极分压电阻Rg
B、直流偏置电压
C、跨导gm
D、源极电阻Rs
参考资料【 】
12、【多选题】下面符号对应P沟道场效应管的是 ________。
A、
B、
C、
D、
参考资料【 】
13、【判断题】FET属于电流控制器件,BJT属于电压控制器件。
A、正确
B、错误
参考资料【 】
14、【判断题】对于增强型N沟道MOS管,VGS只能为正。
A、正确
B、错误
参考资料【 】
15、【判断题】由于场效应管中多数载流子参与导电,所以又称其为双极型的。
A、正确
B、错误
参考资料【 】
16、【判断题】JFET发生预夹断后,管子的漏极电流加大。
A、正确
B、错误
参考资料【 】
17、【判断题】JFET实际上是一种耗尽型场效应管。
A、正确
B、错误
参考资料【 】
18、【判断题】JFET栅极与沟道之间PN结可以正偏,也可以反偏。
A、正确
B、错误
参考资料【 】
19、【判断题】增强型MOS场效应管由于预先在SiO2绝缘层中掺入了大量的离子,因此存在原始的导电沟道。
A、正确
B、错误
参考资料【 】
20、【判断题】自给偏置与分压式偏置电路均可适用于耗尽型场效应管。
A、正确
B、错误
参考资料【 】
6.1 随堂测验
1、【单选题】实际电流源的输出电流( )
A、恒定不变
B、相对稳定
C、无穷大
D、为0
参考资料【 】
2、【单选题】实际电流源的输出电阻( )
A、无穷大
B、较大
C、较小
D、为0
参考资料【 】
6.2 差分式放大电路(1)——随堂测验
1、【多选题】关于差模信号和共模信号,以下说法正确的是:( )
A、都是交流信号
B、差模信号是大小相等,相位相反的两个输入信号
C、共模信号是大小相等,相位相同的两个输入信号
D、差模信号和共模信号共同构成了差分放大电路输入端的输入信号
参考资料【 】
2、【判断题】差分式放大电路多处于多级放大电路的输出级。
A、正确
B、错误
参考资料【 】
3、【判断题】差分放大电路可视为由两个结构对称、参数一致的共射放大电路构成。
A、正确
B、错误
参考资料【 】
4、【判断题】产生零点漂移现象产生的主要原因是差分放大电路中对应的元件参数不一致。
A、正确
B、错误
参考资料【 】
6.2 差分放大电路(2)——随堂测验
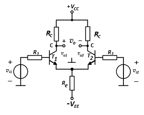
1、【单选题】放大电路如图所示,Vi1和Vi2分别为两个输入端的差模输入信号,Vo1和VO2分别为两个输出端的输出信号,则Vi1和Vo1,Vi1和VO2的相位关系分别为( )
A、同相,同相
B、同相,反相
C、反相,同相
D、反相,反相
参考资料【 】
2、【单选题】图示差分放大电路,若RS =1KΩ,RC = 5.1KΩ,Re=6.8KΩ,rbe1= rbe2=1.5KΩ,β=50,则当Uid=10mV时,Vo ≈( )。
A、-500mV
B、+500mV
C、-1V
D、+1V
参考资料【 】
3、【判断题】差分放大电路双端输出时的共模抑制比趋于无穷大,而单端输出的共模抑制比很高。
A、正确
B、错误
参考资料【 】
4、【判断题】对于差分放大电路,共模信号都是双端输入的。
A、正确
B、错误
参考资料【 】
5、【判断题】如图所示的长尾式差分放大电路,不论是单端输入还是双端输入,在差模交流通路中,射极电阻Re可视为短路。

A、正确
B、错误
参考资料【 】
第6章 单元作业
第6章 单元测验
1、【单选题】差分式放大电路多用在多级放大电路的( )
A、输入级
B、中间级
C、输出级
D、各级均可
参考资料【 】
2、【单选题】差分放大电路是为了( )而设计的。
A、稳定电压放大倍数
B、提高带负载能力
C、抑制零漂
D、展宽频带
参考资料【 】
3、【单选题】差分放大电路产生零点漂移的主要原因是( )。
A、环境温度变化
B、电压增益太大
C、采用直接耦合方式
D、采用阻容耦合方式
参考资料【 】
4、【单选题】差分放大电路如图所示,Re上的直流电流IEQ近似等于单管集电极电流ICQ的( )倍。<img src="http://edu-image.nosdn.127.net/1F53D2B2B199E0DA42EF57A56CFFE545.png?imageView
A、1
B、2
C、4
D、0.5
参考资料【 】
5、【单选题】差分放大电路用恒流源代替Re是为了( )。
A、提高差模电压放大倍数
B、提高共模电压放大倍数
C、提高共模抑制比
D、提高差模输入电阻
参考资料【 】
6、【单选题】集成运算放大器的共模抑制比越大,表示该组件( )。
A、差模信号放大倍数越大
B、共模信号放大倍数越大
C、带负载能力越强
D、抑制零点漂移的能力越强
参考资料【 】
7、【单选题】共模抑制比是( )之比。
A、差模输入信号与共模输入信号
B、输出量中差模成分与共模成分
C、差模电压放大倍数与共模电压放大倍数
D、交流电压放大倍数与直流电压放大倍数
参考资料【 】
8、【单选题】A、B两个直接耦合放大电路,A的电压放大倍数为100,B的电压放大倍数为1000,当温度由20℃变化到30℃时,A电路输出电压漂移了2V,B电路漂移了10V,以下说法正确的是( )。
A、A电路更好,因为A电路的电压漂移小
B、A电路更好,因为A电路抑制零漂的能力更强
C、B电路更好,因为B电路的放大能力更强
D、B电路更好,因为B电路抑制零漂的能力更强
参考资料【 】
9、【单选题】理想双入双出的差分放大电路,两个输入端的电压分别为:US1 = 250mV,US2 = 150mV,则共模输入电压uic和差模输入电压uid分别为( )。
A、200mV,100mV
B、400mV,50mV
C、200mV,50mV
D、400mV,100mV
参考资料【 】
10、【单选题】图示为一理想双入双出结构的差分放大电路,已知vo1 = -0.1V,则vo =( )。
A、-0.1V
B、+0.1V
C、-0.2V
D、+0.2V
参考资料【 】
11、【单选题】图示双入双出差分放大电路,已知静态时UC1 = UC2 = 10V,Uo = UC1-UC2 = 0,设|Avd| = 100,Avc = 0,vi1 = 10mV,vi2 = 5mV,则输出电压 vo = ( )。
A、125mV
B、200mV
C、250mV
D、500mV
参考资料【 】
12、【判断题】理想的双入双出型差分放大电路的共模抑制比趋向于无穷大。
A、正确
B、错误
参考资料【 】
13、【判断题】差动放大电路是由两个参数完全相同的单管共射电路组成的。因此,双端输出差动电路的差模电压放大倍数为单管共射电路的两倍。
A、正确
B、错误
参考资料【 】
14、【判断题】理想的双端输出的差分放大电路能够完全抑制共模输入信号。
A、正确
B、错误
参考资料【 】
15、【判断题】差分放大电路只有在双端输出的情况下才能有效抑制共模输入信号,单端输出的结构则不能。
A、正确
B、错误
参考资料【 】
16、【判断题】零点漂移产生的因素很多,其中以温度变化所引起的漂移最为严重。
A、正确
B、错误
参考资料【 】
17、【判断题】差分放大电路输入端上大小相等、相位相同的两个输入信号,称为差模输入信号。
A、正确
B、错误
参考资料【 】
18、【判断题】差分放大电路输入端上大小相等、相位相反的两个输入信号,称为共模信号。
A、正确
B、错误
参考资料【 】
19、【判断题】共模信号都是直流信号,差模信号都是交流信号。
A、正确
B、错误
参考资料【 】
20、【判断题】如图所示长尾式差分放大电路,不论是单端输入还是双端输入,在共模交流通路中,射极电阻Re可视为短路。<img src="http://edu-image.nosdn.127.net/D33DA79EDBF9BCD1F52AB5B0006D78F4.png?imageView
A、正确
B、错误
参考资料【 】
21、【判断题】工作在线性范围内的差分放大电路,只要其共模抑制比足够大,则不论何种输入方式,输出电压与两输入端的电压之差成正比,而与输入电压本身的大小无关。
A、正确
B、错误
参考资料【 】
22、【判断题】理想差动放大电路有四种输入输出连接方式,其差模电压增益仅与输出方式有关,而与输入方式无关。
A、正确
B、错误
参考资料【 】
23、【判断题】理想差动放大电路有四种输入输出连接方式,其共模输出电压增益仅与输入方式有关,而与输出方式无关。
A、正确
B、错误
参考资料【 】
