【MATLAB源码-第96期】基于simulink的光伏逆变器仿真,光伏,boost,逆变器(IGBT)。
发布时间
阅读量:
阅读量
操作环境:
MATLAB 2022a
1、算法描述
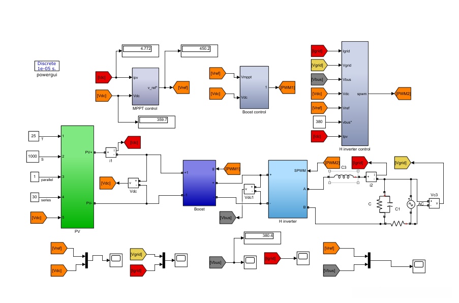
1. 光伏单元(PV Cell)
- 工作原理 :在光伏系统中利用光电效应将太阳辐射转化为直流电能。其输出性能受光照强度、组件温度及负载条件等多种因素影响。
- Simulink建模 :在Simulink建模过程中,则是通过特定组件来构建光伏单元模型。这些组件能够模拟多种工作状态下的电气特性变化,并可通过调节参数来模拟不同的光照强度与温度组合对系统性能的影响
2. Boost变换器
- 功能方面:Boost变换器是一种DC-DC电源转换器设备,在提高工作电压方面具有重要作用。该设备利用电感等储能元件以及晶体管等开关元器件进行调控。
- 在仿真软件Simulink中进行建模时,则采用电感组件、开关器件以及其他基础组件来进行构建。另外还可以模拟PWM脉宽调制的控制逻辑以优化电压转换效率与响应速度
3. 逆变器(IGBT)
- 核心作用:逆变器的作用是将直流电转换为交流电,在光伏系统中这一过程对于实现太阳能向家庭或电网提供可使用的交流电具有重要意义。
- IGBT特点:特别适合于高电压和电流应用的IGBT作为高效率、高速度的半导体设备。
- Simulink建模:其Simulink模型通常包含IGBT开关模块、滤波电路以及控制系统模块。通过模拟逆变器的开关行为(如采用SPWM技术——正弦波脉宽调制),可以产生所需频率和波形的交流输出。
控制策略和算法
- MPPT(最大功率点跟踪) 是一种能量转化算法,在光伏系统中被广泛采用以实现高效能量转化。通过在Simulink模型中构建相应的电路仿真模块组,在不同光照强度与环境温度变化的情况下, 该算法能够动态优化系统参数设置, 最大限度地提高光伏单元的能量转化效率.
- 逆变器的主要职责是保证直流转交流过程中的稳定运行, 这一过程涉及多个关键环节: 频率调节、电压调节以及同步控制等.
2、仿真结果演示


3、关键代码展示
略
4、MATLAB 源码获取
V
点击下方名片
全部评论 (0)
还没有任何评论哟~
