浅析分布式光伏发电运维平台的设计与实现
王兰
安科瑞电器股份有限公司 上海嘉定 201801
摘要
关键词:互联网+光伏发电站;远程运维平台;数据采集;TCP协议;UDP协议
0、前言
随着光伏发电技术的不断进步,“互联网+”时代框架下人们对光伏发电系统的监控需求日益强烈。这一理念已推动科技生产效率提升并促进产业升级与技术创新。本文基于“互联网+”技术开发了一种实时采集和处理分散式光伏电站运行数据的技术方案,并提供移动应用程序支持下的实时监测与日常维护功能。
1、系统设计
1.1总体设计思路
该系统中光伏组件吸收太阳能后通过储存在蓄电池中转化为电能,在夜晚光照强度减弱时蓄电池便开始向家用电器供电,在整个运行周期中既有效节约了不可再生资源又使得光伏系统的线路架构简单便于维护 系统采用互联网技术整合分散式的光伏发电使其实现了分散式发电系统的网络化统一管理
本系统运行中,在数据采集传输单元的基础上对光伏电站的数据采集控制单元进行实时监控,并通过多种网络接入方式实现互联网络通信系统与后台服务器的数据对接。本地监控控制系统通过光伏发电监控主机对服务器接收的数据进行分类汇总、分析处理,并生成相应的图表等信息;手机端APP应用可同步显示实时数据并提供数据分析功能;同时具备对光伏电站的日常管理作用,在实现远程实时监管的同时还可以降低运营成本;总体架构如图1所示;具体功能模块包括光伏电站数据采集控制单元、数据采集传输单元、网络通讯系统、后台服务器以及光伏发电监控主机等五个核心组件

1.2光伏电站数据采集控制、传输单元硬件设计
该系统由温度测量装置、光能检测模块、温湿度综合传感器、风速风向监测仪等核心组件构成,并配备数字编码器、电磁继电器等辅助设备。其中包含STM32F106单片机作为主控制器,并通过网络通信模块与外部服务器实时交互。该系统能够接收监控主机发出的所有控制指令,并通过远程操作实现发电组件的操作。后台服务器不仅负责存储、监控并部署整个控制系统,并通过网络连接到控制端实现系统间的联动工作

1.3移动监控平台软件系统设计
手机能够基于Android系统平台开发相应的APP来实现对系统的监控。该系统采用TCP和UDP协议作为通信手段,在确保数据传输的同时实现了与网络后台服务器的实时交互。该应用能够实时连接至后台服务器,并提供光伏电站运行状态的数据采集与自动化控制功能。手机上的APP客户端软件架构图如图3所示。该应用通过TCP协议实现了远程服务器的登录功能以及客户端核心参数的信息交互;当完成客户端基础运行参数的数据传输后,在云端端点设备上建立完整的光伏电站模型,并同步获取各光伏发电组件电压电流数据;随后将收集到的数据按照预设规则进行分类整理,并将结果信息反馈至云端存储;最后完成本地端点设备的基本配置工作并退出程序执行流程;同时支持多种光伏发电组件类型的在线识别以及对应的电压电流曲线拟合计算工作

2、系统测试分析及结论
该研究课题中的一个重点方向是开发一套完整的光伏电站运维管理解决方案,在其中构建了基于移动端的应用程序架构作为基础支撑技术。在该方案中包含有专门的移动端光伏监测软件平台作为核心功能单元。为了实现统一管理目标,在前端设备数据采集环节采用了多种类型传感器对现场参数进行精确捕捉,并通过GPRS技术实现了对这些数据的远程传输至后端服务器端存储数据库中;而该监测软件不仅能够实现与后端系统的实时互动,并且能够动态呈现各发电组件的工作状态;同时可根据实际需求向相关部分发出指令以调控现场设备运行状态以保证系统的稳定性和可靠性运行;经过实际测试验证表明该监测软件在各项性能指标上均达到了预期的设计目标;下一步工作将是在此基础上进一步完善这套系统的功能使其具备多维度同步观测能力以及开展电站级电网调度指挥系统的联合实验研发工作
3、安科瑞分布式光伏运维云平台介绍
3.1概述
AcrelCloud-1200分布式光伏运维云平台致力于实现对光伏站点的各种关键设备进行实时监控。该平台旨在协助用户高效管理分布在各地的光伏资源。主要功能涵盖了:实时监控光伏站点的各种关键设备运行状态等具体指标;生成完整的逆变器运行曲线图;记录操作日志;提供各类告警信息;完成环境数据采集与分析;维护完整的设备档案信息;提供全面的运维管理系统;支持不同角色用户的权限配置与管理等核心功能模块。通过WEB端与APP端两种渠道的应用程序服务让用户能够实时监控光伏发电效率与收益情况
3.2应用场所
我国当前存在两类主要分布式应用形式:家用光伏发电系统与企业屋顶光伏发电。今年这两类分布式光伏发电项目发展态势良好。
3.3系统结构
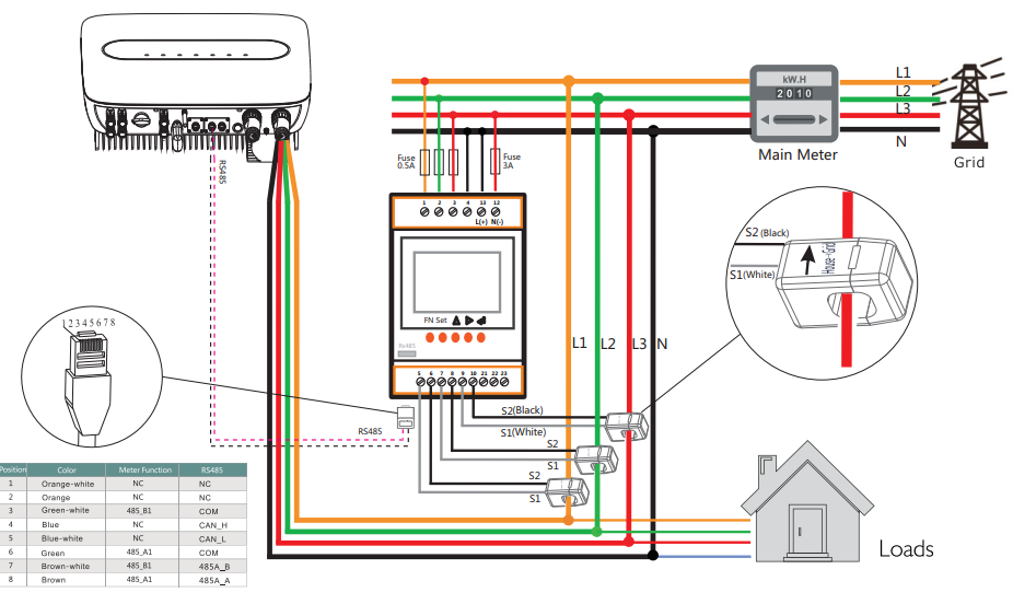
在光伏变电站配置逆变器及多功能电力计量仪表,并借助网关将采集的数据传输至服务器并实施统一存储与管理。用户可通过PC端访问平台随时掌握电站运行状态及各逆变器的工作状态。平台整体架构如图所示。

3.4系统功能
基于B/S架构设计的AcrelCloud-1200分布式光伏运维云平台软件,在Web浏览器中访问时即可根据权限范围实时监控位于该区域内的各个建筑的所有光伏电站的各项运行参数和状态信息。
3.4.1光伏发电
3.4.1.1综合看板
●显示所有光伏电站的数量,装机容量,实时发电功率。
●累计日、月、年发电量及发电收益。
●累计社会效益。
●柱状图展示月发电量
3.4.1.2电站状态
●电站状态展示当前光伏电站发电功率,补贴电价,峰值功率等基本参数。
●统计当前光伏电站的日、月、年发电量及发电收益。
●摄像头实时监测现场环境,并且接入辐照度、温湿度、风速等环境参数。
●显示当前光伏电站逆变器接入数量及基本参数。

3.4.1.3逆变器状态
●逆变器基本参数显示。
●日、月、年发电量及发电收益显示。
●通过曲线图显示逆变器功率、环境辐照度曲线。
●直流侧电压电流查询。
●交流电压、电流、有功功率、频率、功率因数查询。

3.4.1.4电站发电统计
●展示所选电站的时、日、月、年发电量统计报表。

3.4.1.5逆变器发电统计
●展示所选逆变器的时、日、月、年发电量统计报表

3.4.1.6配电图
●实时展示逆变器交、直流侧的数据。
●展示当前逆变器接入组件数量。
●展示当前辐照度、温湿度、风速等环境参数。
●展示逆变器型号及厂商。

3.4.1.7逆变器曲线分析
●展示交、直流侧电压、功率、辐照度、温度曲线。

3.4.2事件记录
●操作日志:用户登录情况查询。
●短信日志:查询短信推送时间、内容、发送结果、回复等。
●平台运行日志:查看仪表、网关离线状况。
●报警信息:将报警分进行分级处理,记录报警内容,发生时间以及确认状态。

3.4.3运行环境
●视频监控:通过安装在现场的视频摄像头,可以实时监视光伏站运行情况。对于有硬件条件的摄像头,还支持录像回放以及云台控制功能。

3.5系统硬件配置
3.5.1交流220V并网
交流220V并网的光伏发电系统主要用于居民屋顶光伏发电,并且其装机功率通常在8kW左右。

一部分小型光伏发电站采用自发自用的方式运作;这些采用余电上行模式的发电站需要配置逆流保护装置以防止向电网输送多余电力。规模较小且分布较为分散的小型光伏发电站从管理者的角度来看是非常重要的;因此他们通常会使用云平台来进行集中管理和监控。安科瑞针对这类小型光伏发电站提供了一系列涵盖通信系统、储能设备以及智能监控系统的解决方案;这些措施有助于提升整体系统的可靠性和效率
| 名称 | 图片 | 型号 | 功能 | 应用 |
|---|---|---|---|---|
| 光伏运维云平台 |

AcrelCloud-1200|记录光伏系统的运行功率及输出电能总量并绘制工作状态曲线;生成每日每日的发电统计报告;收集设备运行参数;提供故障预警系统;记录天气状况;AcrelCloud-1200|用于单台逆变器的数据采集与云端传输

|ANet-1E1S1-4G|基于Linux的操作系统,采用socket协议实现网络通信,支持基于XML格式的数据压缩与上传,提供AES加密算法和MD5身份认证功能以满足安全需求,具备断点续传功能,并且支持以下协议:Modbus/ModbusTCP(适用于工业自动化通信)、DL/T645-1997及DL/T645-2007(适用于特定工业通信标准)以及数字签名标准(如数字签名算法);防逆流装置选用方案

|ACR10R-D10TE|防止光伏系统向电网输送功率,用于单相光伏发电系统||
|户用逆变器|逆变器推荐: 华为户用逆变器SUN2000-5/6/8/10/12KTL-M1 固德威GW8000-DT 锦浪GCI-1P(4-6)K,GCI-1P(9-10)K|推荐通讯方式RS485|||
3.5.2交流380V并网
依据《Q/GDW1480-2015分布式电源接入电网技术规范》的规定可知,在该类电力设计中规定了以下接网方式:对于容量在8千瓦至4百千瓦之间的光伏发电系统,则可采用3.8伏特电压等级的并网方式;而容量超出这一范围的光伏电站,则可采取多点3.8伏特并网方案;具体采用何种接网方式则需参考当地电力部门的具体审批意见。此类分布式光伏发电系统主要应用于工商业企业屋顶,并实行自发电自用策略,在余电无法供给用户的时侯则将多余电量输入电网系统中运行。在进行光伏发电系统的接入前,则需明确设置计量基准点;其中该基准点的设置除需综合考虑产权分界与系统出口至用户自用电线路之间的关联外,并且还应考虑到单体发电源出口至用户自用电线路之间的关联因素。每个基准点均应配备双向电能测量装置,并保证其设备选型及技术指标均能达到DL/T 448 标准的要求以及相关行业规范的技术要求标准;其中所选用的电能测量设备建议选用智能化电能表,在此情况下其技术性能指标必须满足国家电网公司对于智能化电能表的相关技术规范要求标准;在结算电费以及考核发电效益的过程中,则必须安装相应的采集装置,并将其接入用电信息采集管理系统中,在此过程中则能够实现用电信息数据的远程自动采集过程

光伏阵列可采用组串式光伏逆变器进行接入, 或者经由汇流箱将逆变器纳入系统后向企业380V电网供电, 实现自发电并网能力, 并将多余发电可通过并网方式返回电力系统。在380V配电站前沿部署功率测量装置以监测太阳能发电量, 同时在企业主电源网络与公共输配电力网络之间也需要配置双向功率测量设备, 所有记录的数据需同步至供电公司用电信息管理系统中, 以便于开展太阳能发电补助及多余电力入网计算工作。
部分接线端设有电能质量监测需求,在该区域应重点关注供电频率波动特征及供电电压水平等关键参数的变化情况,并需配置专门的电能质量检测设备以确保系统稳定运行。对于采用自发自用模式的光伏电站群组,在系统设计阶段需配备逆流保护装置以防止能量反向输送至电网中以保障电网的安全性和稳定性

该并网模式下单体光伏发电系统的规模适中,并可通过云端平台整合光伏发电数据以及储能系统的运行数据。安科瑞针对此类光伏电站提供了一系列解决方案:
| 名称 | 图片 | 型号 | 功能 | 应用 |
|---|---|---|---|---|
| 光伏运维云平台 |

|AcrelCloud-1200|涵盖光伏发电功率输出、总发电量以及功率曲线分析,并提供每日月度的年报表数据和设备运行信息,并实时监控设备故障并发出报警信息|主要应用于多台逆变器系统及其计量仪表的数据采集与上传至云平台|
智能网关

|ANet-1E2S1-4G| 嵌入式Linux系统采用Socket通信方式,并支持基于XML格式的数据压缩上传功能。该系统不仅提供AES加密算法以及MD5算法的身份认证服务以保障数据传输的安全性,并且还具备断点续传功能以提升数据传输效率。此外该系统支持Modbus ModbusTCP协议以及DL/T645-1997 DL/T645-2007 101 103和104协议确保复杂场景下的高效通信需求

|APView500|电网频率,电压、电流有效值,有功功率、无功功率、视在功率及功率因数,电压偏差,频率偏差,三相电压不平衡度、三相电流不平衡度;三相电压、电流各序分量;基波电压、电流,功率、功率因数、相位等,谐波(2~50次)。包括电压、电流的总谐波畸变率、各次谐波电压、电流含有率、有效值、功率等,谐波群,间谐波电压波动、闪变。可输入57.7V/100V或220V/380V。||
|静态无功补偿|

|ANSVG100-400|光伏并网时主要向电网输送有功功率,在电网侧的有功电流减少的同时保持无功电流不变;这将导致系统的功率因数下降;通过配置无功补偿装置能够有效提升系统的功率因数。
|防逆流装置|

ACR10R-D10TE4产品设计旨在阻止光伏系统输出至电网,并可应用于三相光伏发电系统

DJSF1352|电压输入端为DC750V,在电流输入端为DC300A/75mV的情况下,在分布式光伏发电系统中被用作储能回路等直流信号设备的电量测量与电能计量装置的理想选择||

|DJSF1352RN||||
|

|PZ96L-DE||||
|逆变器|逆变器推荐: 阳光电源组串式逆变器SG(30~110)CX系列、SG136TX、SG225HX、SG320HX 华为商用逆变器SUN2000-30/36/40KTL-M3、SUN2000-60KTL-M0、SUN2000-100KTL-M0 固德威GW(25~80)K-MT、GW100K-HT、GW120K-HT、GW136K-HTH等 锦浪GCI-3P(12-25)K、GCI-(25-110)K、GCI-(125-230K)-EHV-5G等|推荐通讯方式RS485|||
3.5.3 10kV或35kV并网
依据《国家能源局关于2019年风电、光伏发电项目建设有关事项的通知》(国发新能[2019]第49号),针对申请国家补贴的新型工商业分布式光伏发电项目须满足单体并网发电容量不超过6兆瓦且不涉及居民用户的条件,在符合电网运行安全标准的前提下被允许通过内部多点接入配电系统
此类分布式光伏项目的装机规模通常较大,在连接过程中可能会给公共电网带来较大的影响;因此供电部门对于此类规模的分布式光伏发电项目而言,在稳态控制、电力质量以及与调度系统的通信等方面的要求都较为严格
光伏电站的并网点应配备用于监测该区域电能质量的装置,并涉及指标包括电源频率、电源电压大小及其波动情况(如电压不平衡)、电压突变(包括骤升、骤降及中断)、快速变化的电压波形特征(如快速上升或下降速率)以及谐波与间谐波含量(如THD值)等特殊现象。建议配置独立的电能质量检测设备以实现精准监控。

上图展示了1MW级分布式光伏电站的配置示意图。其中光伏阵列通过汇流箱连接至直流系统;经直流汇流系统汇集后输入至集中式逆变器组;其中直流汇流系统可根据具体情况选择性投入。最后经升压变压器升压至10kV或35kV后并入中压电网。该电站由于装机容量较大,在保护装置和测量监控设备数量方面也相应增加较多
| 名称 | 图片 | 型号 | 功能 | 应用 |
|---|---|---|---|---|
| 光伏运维云平台 |

ACR-1200型电力监控系统

|Acrel-2000|电力监控系统具备对光伏发电站的实时监控能力。该系统具备多种功能包括异常报警记录与分析以及故障处理能力,并根据调度中心指令完成光伏电站的调节与自动化控制任务。
|
|并网柜|

AZG光伏并网柜具备容量范围广的特点能够满足2000A以下用户的并网需求;其设计简洁安装便捷且外观设计大气雅致;该设备可选配多种保护功能如断路器合闸和电压监测失压跳闸等;特别地它还支持对光伏系统进行失压欠压保护以及自动合闸操作;为了便于直观了解光伏发电情况该设备可预留独立的铅封计量区域;同时可根据客户需求选用国内外知名品牌的光伏组件以满足不同场合的应用需求;另外该设备还配备功率因数监控装置能够实时监测并记录各电参数数据;通过配置与远方监控中心的数据通信系统能够实现对光伏发电系统的实时监控和管理;此外它还具备防孤线过流保护和逆功率方向性保护等功能以确保系统的安全运行;AZG光伏并网柜采用RS485通讯接口结合ModBus-RTU协议实现了高效的信息传输

|APV光伏汇流箱|防护等级达到IP67标准,并适用于室内外环境;该设备采用霍尔传感器进行隔离式测量,并支持最多16路输入;其耐压性能可达DC1kV,并可根据需求调节熔断电流;该产品具备可选的电压测量功能,在DC1kV范围内提供准确测量;配备RS485通讯接口及ModBus-RTU协议支持;根据客户需求可以选择搭配来自国内外品牌的光伏专用断路器、熔断器以及防雷保护装置。
||智能网关

|ANet-1E2S1-4G|嵌入式Linux系统采用Socket通信方式,并通过XML格式实现数据压缩上传功能。该系统具备AES加密功能和基于MD5的身份认证能力,并且能够实现数据的断点续传功能。在协议兼容性方面,该设备支持Modbus与ModbusTCP通信协议,并遵循DL/T645-1997和DL/T645-2007通信标准以及相关技术规范(如IPV4/IPv6地址转换配置)。此外该设备还支持与调度系统的远方遥动通讯接口(包括OPC-TCP/OPC-U型远动通讯)以及相关端口配置(如RS-232C串口通讯)。
|
微机保护测控装置

| AM5SE | 在35kV及10kV电压等级下执行线路保护测量、变压器差动检测以及后备保护控制等功能 |
|---|---|
| 电能质量监测 | 电能质量监控 |

|APView500|电网频率,电压、电流有效值,有功功率、无功功率、视在功率及功率因数,电压偏差,频率偏差,三相电压不平衡度、三相电流不平衡度;三相电压、电流各序分量;基波电压、电流,功率、功率因数、相位等,谐波(2~50次)。包括电压、电流的总谐波畸变率、各次谐波电压、电流含有率、有效值、功率等,谐波群,间谐波电压波动、闪变。可输入57.7V/100V或220V/380V。||
|弧光保护装置|

该设备具备全面的功能集成优势,将保护性操作(PO)与电流采样(CS)相结合,实现了对电压采样(VS)以及电压互感器(CT)和电流互感器(PT)等关键环节的高度管理,同时具备强大的数据采集与通信能力,能够精准实时监控并记录弧光信号特性,并在发生异常情况时能够快速响应并采取相应的措施以确保电流的安全性。

|AGF-M16T|一次电流采用穿孔式接线方式接入,并配置有20A电流输出;该系统采用穿孔式接线方式设计较为简便,并具有较高的安全性;该设备集成有三路开关量状态监控线路;可对汇流箱内的防雷设备及断路器状态进行实时监控;内置有内测温装置;支持母线电压达1500V的实时检测;配备RS485通讯接口,并使用Modbus-RTU协议将采集到的数据上传至后台系统;
|直流电表|

| DJSF1352 | 电压输入值为DC 750V(伏特),电流输入值包括DC 300A(安培)和DC 75mV(毫伏),该产品适用于分布式光伏项目中的储能回路以及其他直流信号设备的电量测量与电能计量 ||

|DJSF1352RN||||
|

|PZ96L-DE||||
|多功能电表|

|APM800|各电压等级全电气参数测量、计量和状态量采集||
|逆变器|逆变器推荐: 阳光电源集中式逆变器SG500MX等 华为商用逆变器SUN2000-196KTL-H3、SUN2000-175KTL-H0等 固德威GW100K-HT、GW120K-HT、GW136K-HTH等 锦浪GCI-(125-230K)-EHV-5G等|推荐通讯方式RS485|||
【参考文献】
尹汪宏, 蒋家欣.基于互联网+光伏发电监控系统中的移动监控平台设计与实现[J].科教导刊, 2020年份第3期1月(下).
尚德威、张丽红与倪晋平合著. 采用单片机进行控制的嵌入式低功耗数字调制解调器[J]. 电子产品世界,
参考文献
尹汪宏、蒋家欣基于互联网+光伏发电监控系统的移动监控平台开发与构建[J].科教导刊, 2020年 第3期 1月 (下).
尚德威, 张丽红, 倪晋平.采用单片机控制的嵌入式低功耗调制解调器系统设计[J].电子产品世界, 第1期(2003年): 第61至第66页
安科瑞企业微电网设计与应用手册.2022.05版
