嵌入式开发——ADC模拟信号和数字信号
模拟信号和数字信号

模拟信号
自然界中大部分物理量呈现持续性变化特征。例如,在声学领域中涉及声压级的变化,在力学系统中则体现为力的变化等现象。这些现象在特定时间段内可发展出无限多不同的状态或数值;这些现象即为模拟信号。而模拟信号则是通过持续性变化的物理量来表征信息的形式。
自然界中的物理量都需要通过传感器将其信号转换为电信号,才能进行后续的数据处理。在模拟物理量的变化过程中,模拟信号是对原始物理量连续变化状态的一种近似表示。
数字信号
由离散数值构成的数字信息是一种重要的信息载体;这些数值反映了特定物理量在固定时间点上的测量结果;模拟信号经采样与量化处理后可转化为数字形式;此外,在数字化设备中直接生成数字信息也是可行的;二进制编码是表示和存储信息的一种常见方法;其处理与传输过程均依赖于现代电子技术的发展水平。
ADC原理
ADC被定义为模数转换器。该电子元件的作用是将模拟形式的电信号转化为数字形式的电信号。负责对模拟信息进行数字化处理和采集过程。在嵌入式系统中,ADC被广泛应用在包括传感器数据采集、电源调节以及环境监测等多个关键环节。

采样
采样过程是指ADC按照固定的时间间隔对模拟信号的振幅值进行测量,并将其转换为对应的数字量。

通过采样获得的信号一般被称作抽样信号,在时间维度上呈现离散特性的同时,在幅度维度上则是连续分布的
量化
ADC通过模数转换技术将每个采样信号转换为与其最接近的数字代码,并称此过程为量化。在量化过程中,模拟信号通过量化技术被转换为对应的数字编码。


量化之后的波形

量化误差

当量化间距减小时,在采样后得到的波形分辨率会提高。同时,在输入与输出信号间差异减少的情况下,系统的精度水平也会提升。

量化间隔越小,分辨率越高
ADC(模数转换器)具有分辨能力指其能区分的最小数值间隔通常用二进制位数(bit)来衡量。该参数直接决定了ADC将输入信号转换为一定数量的数字值的能力其数值越高所捕捉到的信息越精确从而显著影响着数字信号处理系统的性能表现。


以下将介绍ADC的基本概念相关内容
常见ADC类型
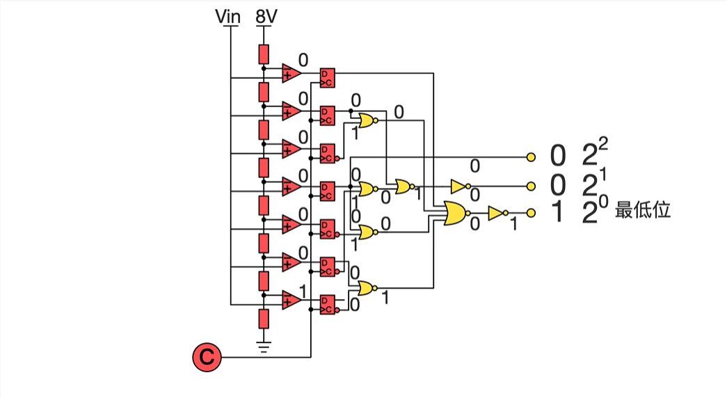
Flash ADC
闪存型模数转换器
通过并行比较的方式实现模数转换,在速度和准确性上均表现优异。该方法广泛应用于高速数据采集与处理以及通信等相关领域。


| 模拟电压 | 输出 | 二进制值 |
|---|---|---|
| 0-1V | 0 0 0 0 0 0 0 | 000 |
| 1-2V | 0 0 0 0 0 0 1 | 001 |
| 2-3V | 0 0 0 0 0 1 1 | 010 |
| 3-4V | 0 0 0 0 1 1 1 | 011 |
| 4-5V | 0 0 0 1 1 1 1 | 100 |
| 5-6V | 0 0 1 1 1 1 1 | 101 |
| 6-7V | 0 1 1 1 1 1 1 | 110 |
| 7-8V | 1 1 1 1 1 1 1 | 111 |
●该方案的范围为[...]并能达到[...]等参数设置要求
●在本设计中存在一定的局限性
●随着对比度要求的变化
SAR ADC
逐次逼近型模数转换器
通过逐步逼近的方式完成模数转换,完成模拟信号的高精度转换.该方法常见于低功耗且追求高质量输出的场景中.

GD32F470的ADC

