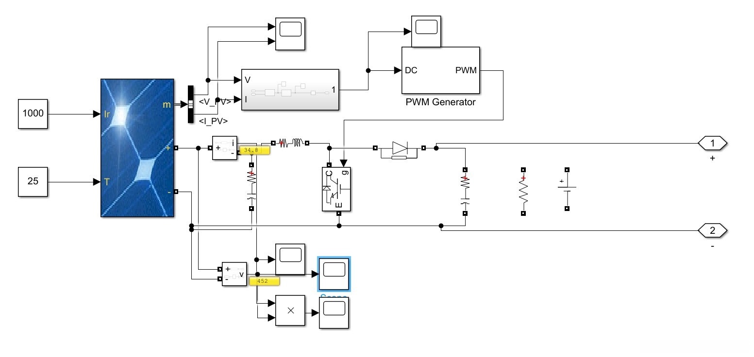
光伏储能微电网 光伏PV采用boost电路做mppt控制
光伏储能系统
光伏PV通过升压电路实现最大功率跟踪控制
蓄电池?双向升压转换器配置了电压电流双闭环控制策略,直流母线电压为40kV
后级三相逆变模块

ID:31200689678022312







全部评论 (0)
相关文章推荐
光伏储能微电网 光伏PV采用boost电路做mppt控制
光伏储能微电网 光伏PV采用boost电路做mppt控制 文章探讨了光伏PV系统利用Boost电路进行最大功率点跟踪(MPPT)控制,并结合蓄电池使用双向Buck-Boost变换器,通过电压电流双闭环...
光伏建模+MPPT+BOOST电路+并网逆变器控制
光伏建模 温度25辐射度1000时光伏VI和VP特性曲线 温度25辐射度800时光伏VI和VP特性曲线 MPPT控制+BOOST电路 MPPT使用电导增量控制算法 温度25辐射度分别为1000和800...
光伏PV三相并网逆变器MATLAB仿真 光伏+MPPT控制(boost+三相桥式逆变)
光伏PV三相并网逆变器MATLAB仿真 好评后赠送相关参考 模型内容: 1.光伏+MPPT控制(boost+三相桥式逆变) 2.坐标变换+锁相环+dq功率控制+解耦控制+电流内环电压外环控制+spwm...
光伏监控系统+光伏发电预测+光伏项目+光伏运维+光伏储能项目
基于Java语言的光伏监控系统+光伏发电系统+光伏软件系统+光伏监控系统源码+光伏发电系统源码智电云 一、介绍 基于Java语言的光伏监控系统+光伏发电系统+光伏软件系统+光伏监控系统源码+光伏发电系...
光伏-混合储能微电网能量管理系统模型 系统主要由光伏发电模块、mppt控制模块、混合储能系统模块
光伏混合储能微电网能量管理系统模型 系统主要由光伏发电模块、mppt控制模块、混合储能系统模块、直流负载模块、soc限值管理控制模块、hess能量管理控制模块。
基于Java语言的光伏监控系统+光伏发电预测+光伏项目+光伏运维+光伏储能项目
基于Java语言的光伏监控系统+光伏发电系统+光伏软件系统+光伏监控系统源码+光伏发电系统源码智电云 一、介绍 基于Java语言的光伏监控系统+光伏发电系统+光伏软件系统+光伏监控系统源码+光伏发电系...
光储并网simulink仿真模型,直流微电网 光伏系统采用扰动观察法是实现mppt控制
光储并网simulink仿真模型,直流微电网。 光伏系统采用扰动观察法是实现mppt控制,储能可由单独蓄电池构成,也可由蓄电池和超级电容构成的混合储能系统,并采用lpf进行功率分配。 并网采用pq控制...
光伏储能并网发电模型,根据储能电池SOC的工作区间,光伏有MPPT、恒功率输出两种控制方式
光伏储能并网发电模型,根据储能电池SOC的工作区间,光伏有MPPT、恒功率输出两种控制方式,在电池健康工况下光伏处于MPPT模式,在电池处于极限工况下,光伏处于恒功率模式,通过boost连接到公共点,...
两级式光伏并网逆变器,DCDC环节采用boost电路,通过增量电导法实现光伏最大功率跟踪MPPT
两级式光伏并网逆变器,DCDC环节采用boost电路,通过增量电导法实现光伏最大功率跟踪MPPT。 逆变器采用二电平逆变器,通过双闭环控制,实现并网单位功率因数,并网电流与电网电压同相位,并网电流TH...
光伏监控系统+光伏发电系统+光伏软件+光伏监控系统源码+光伏发电系统源码
基于Java语言的光伏监控系统+光伏发电系统+光伏软件系统+光伏监控系统源码+光伏发电系统源码智电云 一、介绍 基于Java语言的光伏监控系统+光伏发电系统+光伏软件系统+光伏监控系统源码+光伏发电系...
