风光储、风光储并网直流微电网simulink仿真模型 系统有光伏发电系统、风力发电系统、储能系统
风光储、风光储并网直流微电网simulink仿真模型。
系统有光伏发电系统、风力发电系统、储能系统、负载、逆变器lcl大电网构成。
附参考文献。
同时可附逆变器控制参数,lcl参数计算m文件(另议)。
模型问题可解答。
光伏系统采用扰动观察法实现mppt控制,经过boost电路并入母线;
风机采用最佳叶尖速比实现mppt控制,风力发电系统中pmsg采用零d轴控制实现功率输出,通过三相电压型pwm变换器整流并入母线;
储能系统由蓄电池构成,通过双向DCDC变换器并入母线。
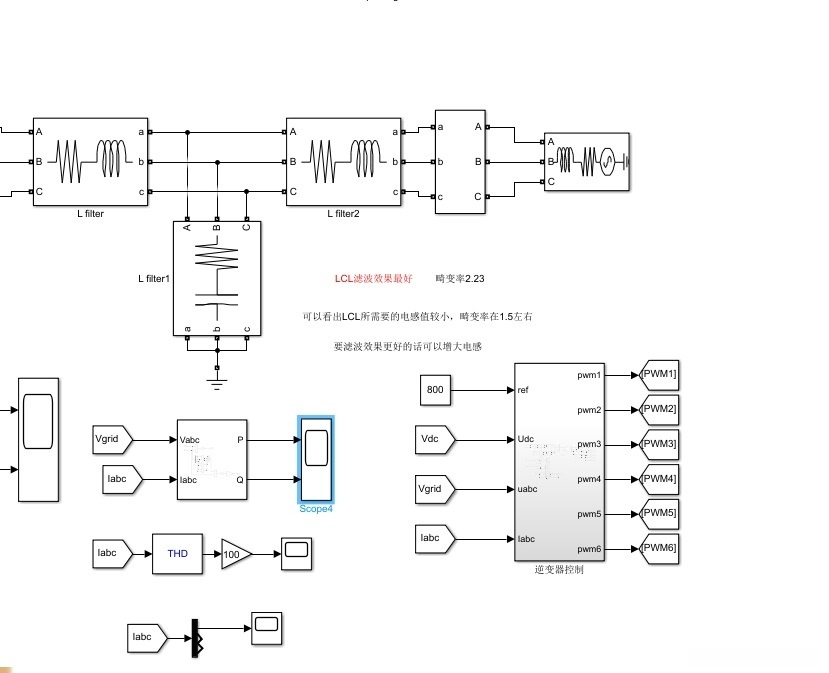
并网逆变器VSR采用基于电网电压定向矢量控制双闭环,经过lcl滤波器并入大电网。
负载单元为直流负载
附参考文献。









风光储并网直流微电网Simulink仿真模型
介绍
随着可再生能源的快速发展和电力系统的不断改善,集成可再生能源的微电网系统在工业和民用电力领域得到了广泛应用。本文提供了一个风光储并网直流微电网Simulink仿真模型,系统由光伏发电系统、风力发电系统、储能系统、负载、逆变器LCL大电网构成。风光储并网直流微电网模型可以有效地解决电力系统的能源利用问题。
光伏发电系统
光伏系统采用扰动观察法实现MPPT控制,经过Boost电路并入母线。扰动观察法是实现MPPT的常用方法之一,它通过对电池电压施加小的扰动来观察到电池电流的变化,从而实现MPPT。
风力发电系统
风机采用最佳叶尖速比实现MPPT控制,风力发电系统中PMSG采用零D轴控制实现功率输出,通过三相电压型PWM变换器整流并入母线。最佳叶尖速比指的是在一定的转速范围内,使得风机输出的功率最大的叶尖速比。零D轴控制可以有效地控制PMSG的输出功率和转速,从而实现风力发电的最大化利用。
储能系统
储能系统由蓄电池构成,通过双向DC-DC变换器并入母线。储能系统可以有效地抵消风光储进行出现的瞬时波动,从而使得微电网系统更加稳定可靠。
负载
负载单元为直流负载。直流负载的特点是电流稳定,容易控制,适合于微电网系统的应用。
逆变器
并网逆变器VSR采用基于电网电压定向矢量控制双闭环,经过LCL滤波器并入大电网。电压定向矢量控制可以有效地保护逆变器和并网电网的安全,同时实现对电网电压的控制。LCL滤波器可以有效地抑制并网逆变器的高频噪声,从而使得微电网系统更加稳定可靠。
本文提供了一个风光储并网直流微电网Simulink仿真模型,通过对光伏发电系统、风力发电系统、储能系统、负载、逆变器等关键组件的描述,阐述了模型的原理和实现方法。该模型可以有效地解决电力系统的能源利用问题,具有一定的实用性和推广价值。
相关代码,程序地址:http://lanzouw.top/684643515728.html
