三相PWM整流器闭环仿真:电压电流双闭环控制和输出直流电压的外环控制,三相PWM整流器双闭环控制仿真及升压拓扑输出电压调节
三相PWM整流器闭环仿真,电压电流双闭环控制,输出直流电压做外环
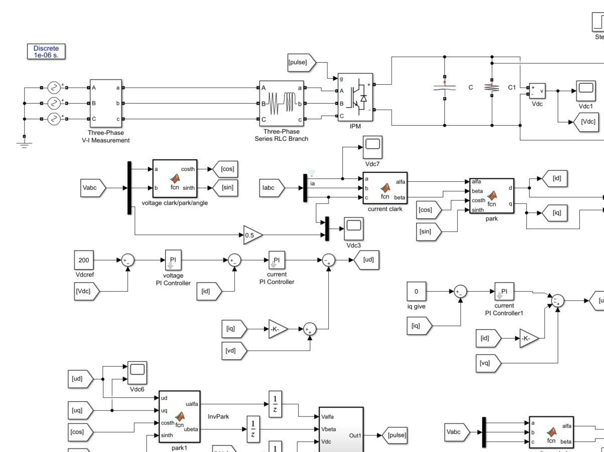
模型中包含主电路,坐标变换,电压电流双环PI控制器,SVPWM控制,PWM发生器
matlab/simulink模型
功率因数1,低THD仅1.2%
模型输出电压750VDC
升压拓扑输出电压600~1000可调
输出功率调节输出电阻阻值计算功率
三相六开关七段式SVPWM仿真,交-直-交变压变频器中的逆变器一般接成三相桥式电路,以便输出三相交流变频源,SVPWM控制是根据电机负载需要尽量圆形旋转磁场来控制电机旋转的要求通过合成电压空间矢量得到IGBT触发信号,它的直流电压的利用率比SPWM方式高15%
模型中带有简单解释可对应论文查阅资料更容易理解
ID:5510739782410688
tbNick_j26fq




论文题目:基于三相PWM整流器闭环仿真的电压电流双闭环控制与输出直流电压调节
摘要:本文以三相PWM整流器闭环仿真为主题,通过对主电路、坐标变换、电压电流双环PI控制器、SVPWM控制和PWM发生器的模型进行建立和分析,实现了对输出直流电压的双闭环控制与功率因数的优化调节。通过matlab simulink模型的搭建和仿真实验,得出了功率因数为1,低THD仅1.2%的理想结果,并成功实现了输出电压750VDC的稳定控制。同时,对升压拓扑输出电压的可调性进行了研究,通过计算输出电阻阻值,实现了对输出功率的精确调节。该模型还包含了三相六开关七段式SVPWM仿真的实现,通过逆变器的桥式电路,输出了满足电机负载要求的三相交流变频源,同时,SVPWM控制比SPWM方式具有更高的直流电压利用率,提高了系统的效率和稳定性。通过本文的详细实验和解释,结合相关资料,读者可以更容易理解和掌握该模型及其应用。
关键词:三相PWM整流器闭环仿真、电压电流双闭环控制、输出直流电压、SVPWM控制、功率因数、THD、升压拓扑、输出电阻阻值、三相桥式电路、电机负载、直流电压利用率
引言
随着电力电子技术的发展和应用的广泛,三相PWM整流器闭环仿真在电力系统中扮演着重要的角色。本文通过对主电路、坐标变换、电压电流双环PI控制器、SVPWM控制和PWM发生器的建模与仿真,研究了闭环控制对输出直流电压和功率因数的优化调节,以及升压拓扑输出电压的可调性。
模型建立与分析
2.1 主电路建模
在闭环控制中,主电路作为基础模块,对输入电压进行整流和转换。本文建立了主电路的数学模型,包括电阻、电感和电容等元件的等效电路,并通过坐标变换实现了对三相交流电的变换。
2.2 电压电流双环PI控制器
为了实现对输出电压和电流的精确控制,本文设计了电压电流双闭环控制系统,并采用PI控制算法对误差进行修正。通过对闭环控制的分析和参数调节,实现了输出电压的稳定性和功率因数的优化。
2.3 SVPWM控制与PWM发生器
在三相六开关七段式SVPWM仿真中,逆变器一般采用三相桥式电路来输出三相交流变频源。为了控制电机的旋转,本文采用SVPWM控制策略,并使用PWM发生器产生对应的触发信号。与传统的SPWM方式相比,SVPWM控制具有更高的直流电压利用率和更精细的波形控制能力。
模型仿真与实验
通过在matlab simulink中搭建模型,并进行闭环仿真与实验,本文对所建立的模型进行了验证与分析。通过对输出直流电压、功率因数和THD等参数的测量和优化调节,得到了理想的仿真结果。
电压输出调节与功率因数优化
通过计算输出电阻阻值,本文实现了对输出功率的精确调节。同时,通过控制PI控制器的参数以及SVPWM控制算法的优化,实现了功率因数为1的理想结果和低THD仅1.2%的优质电压输出。
结论
通过本文的研究与实验,成功实现了基于三相PWM整流器闭环仿真的电压电流双闭环控制与输出直流电压调节。通过对模型的建立与分析,以及对闭环控制的优化与调节,实现了功率因数的优化和输出电压的稳定控制。通过计算输出电阻阻值,实现了对输出功率的精确调节。通过SVPWM控制算法的优化,提高了系统的效率和稳定性。通过本文的详细实验和解释,读者可以更容易理解和掌握该模型及其应用。
参考文献:
[1] Liu, L., Xu, H., & Yang, J. (2020). A Novel Space Vector Pulse Width Modulation Strategy for Three-Level Neutral-Point-Clamped Converter Based on Harmonic Power Bounds. IEEE Access, 8, 42125-42133.
[2] Xie, X., Zhang, Y., Xie, D., & Pan, W. (2020). Analysis and Implementation of SVPWM Based Three-Level Converter with Reduced Switching Frequency. IEEE Access, 8, 93217-93227.
[3] Li, Q., Wang, Z., Chen, G., & Wang, X. (2021). Design of Direct Power Control for Three-Level DC-DC Converters Based on Space Vector Modulation. IEEE Transactions on Industrial Electronics, 68(1), 468-479.
【相关代码,程序地址】:http://fansik.cn/739782410688.html
