[渝粤教育] 西南交通大学 工程流体力学 参考 资料
课程
单选题
单选题
单选题
单选题

单选题
单选题
单选题

多选题
单选题
单选题
单选题
单选题

填空题
填空题

A、
参考资料【 】
47、【填空题】平板面积为 40×1125mm2,厚度为 25mm,质量 m=5kg,沿着涂有厚度=1.0mm油的斜面向下作等速运动, 其速度u=1.0m/s,带动油层的运动速度呈直线分布,则油的粘度μ=**************,ν =****************_(油的密度ρ=950 kg/m3)。

A、
参考资料【 】
48、【填空题】自然界容易流动的物质称为 。
A、
参考资料【 】
49、【填空题】运动黏度

和动力黏度

的关系为

填空题
填空题
填空题
填空题

单选题
单选题

单选题
单选题
单选题

单选题
单选题
单选题
单选题

单选题
单选题

A、A-A
B、B-B
C、C-C
D、D-D
参考资料【 】
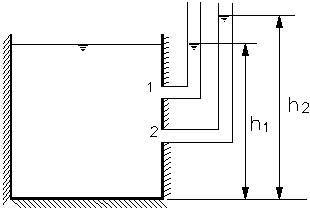
15、【单选题】图示四个容器内的水深均为H,则容器底面静水压强最大的是:( )

单选题
单选题
单选题

单选题
单选题
单选题
单选题

B、

C、

D、

参考资料【 】
25、【单选题】流体静力学的基本方程是( )。
A、

B、

C、

D、

参考资料【 】
26、【判断题】平衡流体不能抵抗剪切力。( )
A、正确
B、错误
参考资料【 】
27、【判断题】静止流体不显示粘性。( )
A、正确
B、错误
参考资料【 】
28、【判断题】静止流体压强可以毫不改变向各个方向传递。( )
A、正确
B、错误
参考资料【 】
29、【判断题】等压面是指流体中总机械能相等的各点所组成的面。( )
A、正确
B、错误
参考资料【 】
30、【判断题】对于平衡流体,其表面力就是压强。( )
A、正确
B、错误
参考资料【 】
31、【判断题】当受压平面水平放置时,压力中心与平面形心重合。( )
A、正确
B、错误
参考资料【 】
32、【判断题】一个工程大气压等于98kPa,相当于10m水柱的压强。( )
A、正确
B、错误
参考资料【 】
33、【判断题】静止液体自由表面的压强,一定是大气压。( )
A、正确
B、错误
参考资料【 】
34、【判断题】静止液体的自由表面是一个水平面,也是等压面。( )
A、正确
B、错误
参考资料【 】
35、【判断题】当静止液体受到表面压强作用后,将毫不改变地传递到液体内部各点。( )
A、正确
B、错误
参考资料【 】
36、【判断题】当相对压强为零时,称为绝对真空。( )
A、正确
B、错误
参考资料【 】
37、【判断题】某点的绝对压强小于一个大气压强时即称该点产生真空。( )
A、正确
B、错误
参考资料【 】
38、【判断题】水深相同的静止水面一定是等压面。( )
A、正确
B、错误
参考资料【 】
39、【判断题】在平衡条件下的流体不能承受拉力和剪切力,只能承受压力,其沿内法 线方向作用于作用面。( )
A、正确
B、错误
参考资料【 】
40、【判断题】平衡流体中,某点上流体静压强的数值与作用面在空间的方位无关。( )
A、正确
B、错误
参考资料【 】
41、【判断题】平衡流体中,某点上流体静压强的数值与作用面在空间的位置无关。( )
A、正确
B、错误
参考资料【 】
42、【判断题】平衡流体上的表面力有法向压力与切向压力。( )
A、正确
B、错误
参考资料【 】
43、【判断题】直立平板静水总压力的作用点就是平板的形心。( )
A、正确
B、错误
参考资料【 】
44、【判断题】静止液体中同一点各方向的静水压强数值相等。( )
A、正确
B、错误
参考资料【 】
45、【判断题】作用于平衡流体中任意一点的质量力矢量垂直于通过该点的等压面。( )
A、正确
B、错误
参考资料【 】
46、【判断题】相对压强必为正值。( )
A、正确
B、错误
参考资料【 】
47、【判断题】图示为一盛水容器。当不计瓶重时, 作用于地面上的力等于水作用于瓶底的总压力。( )<img src="http://edu-image.nosdn.127.net/A0FA0B18087B47816F487E7B89F0A7B5.jpg?imageView
A、正确
B、错误
参考资料【 】
48、【判断题】静水总压力的压力中心就是受力面面积的形心。( )
A、正确
B、错误
参考资料【 】
49、【判断题】一个任意形状的倾斜平面与水面的夹角为a。则该平面上的静水总压力P=rgyDAsina。(yD 为压力中心D的坐标,r 为水的密度,A 为斜面面积) ( )<img src="http://edu-image.nosdn.127.net/A7C75D6D840CEFA1049DBF23B7BBA47B.jpg?imageView
A、正确
B、错误
参考资料【 】
50、【判断题】作用于两种不同液体接触面上的压力是质量力。( )
A、正确
B、错误
参考资料【 】
51、【判断题】静水压强仅是由质量力引起的。( )
A、正确
B、错误
参考资料【 】
52、【判断题】在一盛水容器的侧壁上开有两个小孔A、B,并安装一 U 形水银压差计,如图所示。由于A、B两点静水压强不等,水银液面一定会显示出 Dh 的差值。( )<img src="http://edu-image.nosdn.127.net/795DE9D0352ACE42028A37AB166DC379.jpg?imageView
A、正确
B、错误
参考资料【 】
53、【判断题】物体在水中受到的浮力等于作用于物体表面的静水总压力。( )
A、正确
B、错误
参考资料【 】
54、【判断题】在盛有几种不同液体的连通器中,只要两点的高程相同,则这两点的压强就相同。( )
A、正确
B、错误
参考资料【 】
55、【判断题】液体随容器作等角速度旋转,液体的等压面是旋转抛物面。( )
A、正确
B、错误
参考资料【 】
56、【判断题】液体随容器作等角速度旋转,液体的等压面是旋转抛物面。( )
A、正确
B、错误
参考资料【 】
57、【判断题】开口玻璃测压管的水柱高度称为测压管水头。( )
A、正确
B、错误
参考资料【 】
58、【判断题】大气的相对压强为760mmHg。( )
A、正确
B、错误
参考资料【 】
59、【填空题】液体中,测管水头 (z + p/rg) 的能量意义是**************。
A、
参考资料【 】
60、【填空题】液体中,位置高度 z 的能量意义是********;压强高度 p/rg 的能量意义是________。
A、
参考资料【 】
61、【填空题】真空压强的最小值是_________;真空压强的最大值是____________。
A、
参考资料【 】
62、【填空题】比重为 0.81 的物体放入比重为 0.9 的液体中,则出露部分体积与总体积之比为__________________。
A、
参考资料【 】
63、【填空题】静水面下3m深处的相对压强是___________Pa。
A、
参考资料【 】
64、【填空题】列车以匀加速度a驶离车站时,测得车厢里盛水容器内的水面与水平面的夹角为θ,此时列车的加速度a=。
A、
参考资料【 】
65、【填空题】挡水平板的面积为1m2,平板中心的淹深为2m,则平板受到的总水压力为__________N。
A、
参考资料【 】
66、【填空题】用U形水银压差计测量两根同高程的输油管道中心的压强差。已知油的密度ρ=800kg/m3,水银的密度ρ’=13600kg/m3,U形管两边的水银面的高差为25mm,则两根油管中心的压强差等于____________Pa。
A、
参考资料【 】
67、【填空题】半径为R的圆球浸没于密度为ρ的液体中,球的下半表面的总水压力与球的下半表面的总水压力的差值为____。
A、
参考资料【 】
第5次作业
第6次作业
第7次作业
第3次测验
1、【单选题】非恒定流是( )
A、əu/ət=0
B、əu/ət≠0
C、əu/əS=0
D、əu/əS≠0
参考资料【 】
2、【单选题】恒定流是( )
A、流动随时间按一定规律变化
B、流场中任意空间点上的运动要素不随时间变化
C、各过流断面的速度分布相同
D、各过流断面的压强相同
参考资料【 】
3、【单选题】一元流动是( )
A、均匀流
B、速度分布按直线变化
C、运动参数是一个空间坐标和时间变量的函数
D、恒定流
参考资料【 】
4、【单选题】均匀流是( )
A、当地加速度为零
B、迁移加速度为零
C、向心加速度为零
D、合加速度为零
参考资料【 】
5、【单选题】变直径管,直径d1=320mm,d2=160mm,流速V1=1.5m/s,V2为:( )

单选题
单选题

A、p1=p2
B、p3=p4
C、

D、

单选题
单选题
单选题
单选题
单选题

单选题
单选题

单选题
单选题
单选题

单选题
单选题
单选题

B、

C、

D、

单选题
多选题
多选题
多选题
多选题
多选题
判断题
判断题
判断题
判断题
判断题
判断题
判断题

填空题

A、
参考资料【 】
71、【填空题】已知流速场

单选题

B、

C、

D、

参考资料【 】
2、【单选题】速度v、密度ρ、压强p的无量纲的组合是( )
A、

B、

C、

D、

参考资料【 】
3、【单选题】速度v、长度l、时间t的无量纲组合是( )
A、

B、

C、

D、

参考资料【 】
4、【单选题】压强差Δp、密度ρ、长度l和 流量Q的无量纲组合是( )
A、

B、

C、

D、

参考资料【 】
5、【单选题】进行水力模型实验,要实现有压管流的动力相似,应选用的准则是( )
A、雷诺准则
B、弗劳德准则
C、欧拉准则
D、伯努利准则
参考资料【 】
6、【单选题】密度ρ,动力粘滞系数µ,流速v和长度l的无量纲组合是( )
A、

B、

C、

D、

单选题
单选题
单选题
单选题
单选题
单选题

来计算。
A、正确
B、错误
参考资料【 】
20、【判断题】在流体力学中,加速度比尺常写为

填空题
填空题
填空题
填空题
填空题
填空题

=
A、
参考资料【 】
