双向DC DC蓄电池充放电储能matlab simulink仿真模型-双闭环控制电流与电压均可控,双向DC-DC蓄电池充放电储能控制模型及Simulink仿真
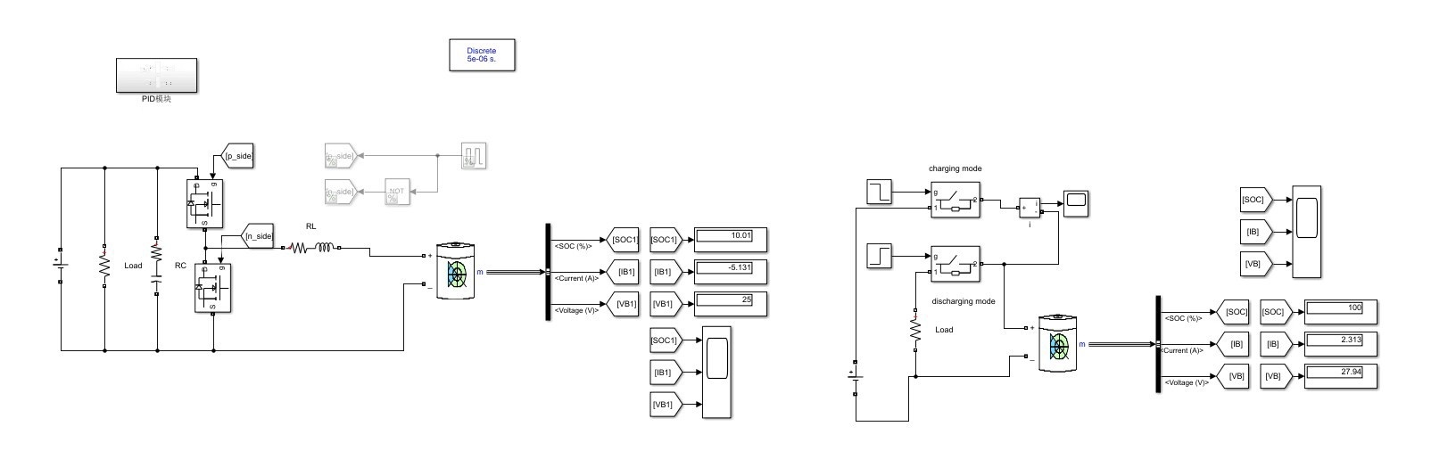
该系统采用双闭环控制系统架构进行Matlab/Simulink仿真建模,在动态充放电过程中可实现电流与电压双重调节功能。当电路中流过负向电流时表明处于充电状态,在正向电流作用下则代表放电过程。该系统通过当前环与电压环协同作用实现了对充放电全过程的有效管控
该系统通过当前环实现电池充放电电流调节功能(电流闭环),而通过电压环完成电池充放电端电压调控任务(电压闭环)。具体而言,在电路中流过负向电流时表明处于充电状态,在正向电流作用下则代表放电过程
ID:9114723077914282
东魏稳重的程序猿




双向DC-DC蓄电池的充放电储能是一种关键的技术手段,在本研究中我们将会阐述一种基于Matlab Simulink仿真平台设计的双向式DC-DC蓄电池充放电储能系统的具体架构。该系统采用了先进的双闭环控制系统架构,在动态调优过程中实现了对充电与放电电流及电压的有效管理。
让我们深入了解这个双向型DC-DC转换器在储存在电池中的能量进行充放电操作的核心组件。该设备的关键在于调节开关管的状态以实现能量的有效转移与储存。具体而言,在充电需求下, 电源施加一个反向电流至储存在电池中的能量;而在放电要求下, 则会将存储的能量释放出来并返回外部电路系统中。根据所需的充放电状态, 我们可以通过调整电流方向来完成相应的操作流程
为了精确地管理电池充放电过程中的电流特性,则采用了一种基于电流闭环控制的技术方案。这种系统的核心原理在于通过测量并调节充放电电路中的实际工作状态与设定目标之间的差异(误差),从而保证系统的稳定性运行。具体来说,在系统运行过程中,则会首先测量实际的充放电电压值,并将其与设定的目标值进行比较以计算误差。接着运用PID(比例-积分-微分)调节算法对这些误差进行处理并生成相应的控制指令。这些指令则会被发送至相关的电路控制器中去执行相应的动作调整,在此过程中不断优化并纠正当前的实际输出与预期目标之间的偏差
此外
采用双闭环控制策略后,在此系统中实现了对电池充放电电流和电压的精准调节。该双向DC-DC蓄电池充放电储能系统的显著特点包括高效性和可靠性,在太阳能发电、风能发电等可再生能源领域中具有重要的应用价值。此外,在Matlab Simulink仿真平台基础上设计的模型方法为工程师提供了快速验证设计方案的有效途径,并显著降低了研发周期和成本。
综上所述
【相关代码,程序地址】:http://fansik.cn/723077914282.html
