安科瑞分布式光伏监控系统在上海某公司屋顶光伏发电(二期)项目中应用
摘 联结: 基于"双碳"战略推动下, 可再生能源大规模开发利用已成为不可逆转的趋势。新能源发电作为一种重要途径, 已经得到了广泛重视与深入研究。相较于集中式的大容量、高电压、长距离输送的传统发电方式, 分布式光伏系统具有容量小、电压低、就近消纳等显著的技术优势而被广泛应用, 近年来呈现出快速发展的态势, 研究其对配电网的影响对于提升电网运行效率及安全性具有重要意义。本文以分布式光伏系统为研究核心, 通过实际案例分析, 探讨其在配电网中的电气二次优化配置及通信管理系统设计与实现
关键词: 新能源发电;分布式光伏;电气二次配置;通信管理
概述
上海宝钢阿赛洛激光拼焊有限公司在二期建设的屋顶上的分布式光伏发电系统(简称"本项目")是为了积极响应国家"优化能源结构 提供更加清洁、可靠的能源"号召而进行建设和投资的示范工程
该项目设在宝钢阿赛洛激光拼焊公司厂区内。基于现有屋顶建设分布式光伏发电系统。总装机规模约为712.8千瓦时。该项目的投资方是上海宝钢节能环保技术有限公司。光伏组件则设于上海市嘉定区安亭镇百安公路1369号位置。通过用户配电站接入公共电网系统属于嘉定供电公司管理范围
本文阐述光伏发电站接入系统方案的技术论证。该文对光伏电站系统的继电保护和自动化装置、通信网络以及调度自动化方案的研究进行了详细论述,并结合当前电网运行状况进行分析。
现有用户的配电站配置为10千伏电压变电站,在其内部配置了三台容量均为10千伏安的变压器组成了电网系统总负载能力达4999千瓦的运行环境
现有供电示意图如下:

图4 用户配电站现供电示意图
新增分布式光伏设计
本项目中的光伏组件、支架及相关设备等均布设在一至二期屋面的低跨区域,并紧邻已投用一期光伏设备的高跨屋面。其中一二期生产业务区(低跨)采用彩钢瓦 roofing system架构设计,在屋面板选用角驰Ⅲ型 steel structure材料进行搭建。整个屋顶建筑跨度达55米(长),总长度为189米(宽),覆盖总面积约为10,000平方米。在扣除设置在屋面上用于采光及通风排风等功能的部分后,在线可利用面积约为总屋顶覆盖面积的75%,而该类光伏设备所占面积约为总屋顶覆盖面积的一半(约5,000平方米)。
宝钢阿赛洛一二期厂房屋面上原来的恒荷载标准值定为0.3千牛每平方米,在本光伏发电项目实施过程中新增光伏组件及支架后导致屋面上的恒荷载增加了0.13千牛每平方米。通过计算得知其中部分区域未能达到足够的强度和稳定性要求因而需要对屋面檩条以及刚架梁柱的部分局部区域实施相应的加强措施。其中对屋面檩条则可在下方增加隅撑以加强而对于梁与柱则在不满足条件的部位两侧覆盖加厚钢板以确保结构的安全性与稳定性。




图5 光伏组件示意图
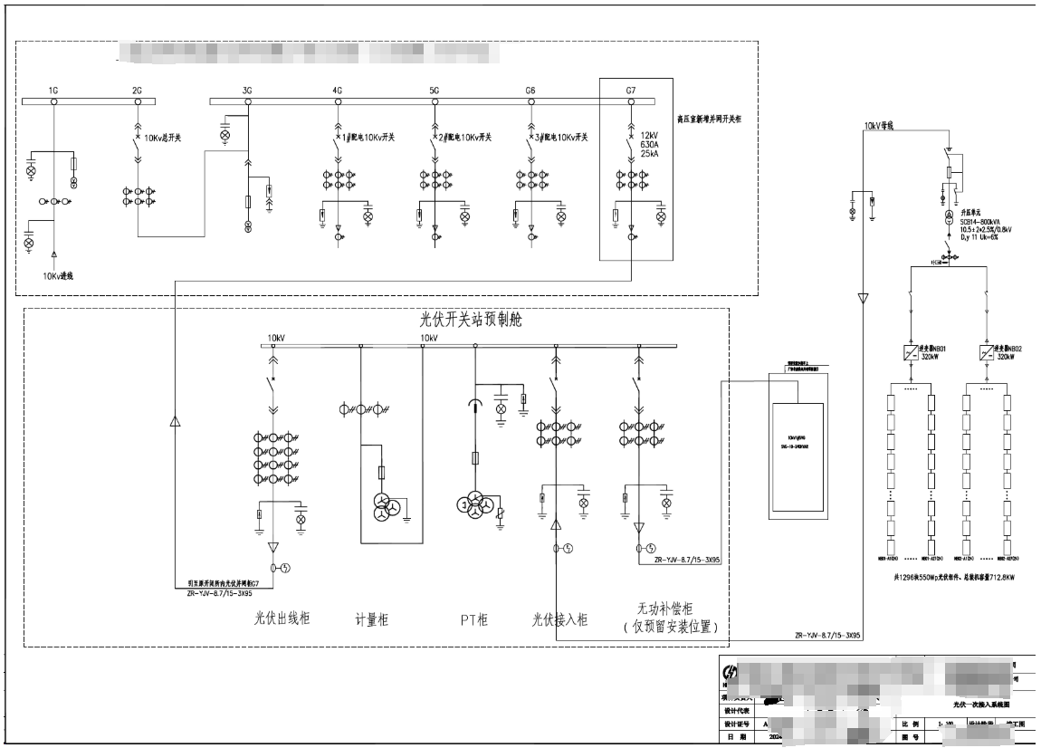
在厂房东侧紧邻电气室外侧的绿化带内布置本项目计划安装升压变压器及配套并网设备,并采用箱式变电站形式进行规划布局。该箱式变电站预计占据约40平方米的空间用于容纳相关设备设施。经逆变器升压后的交流电将提升至10千伏电压水平后接入高压开关柜系统中,在母线排处通过一条出线连接至一期电气室内厂用10千伏母线排,在此位置完成高压并网进线柜的拼装工作以实现最终并网连接目标。具体设备布局请参考下文示意图,请以详细设计完成后出具的设计图纸为准
另外,在该区域内已建成一个光伏电站的组件冲洗水箱。因此,二期工程将在此区域新增设一套冲洗管网系统。

图6 平面关系示意图
技术方案
本项目的建设规模约为712.8kWp, 该工程拟基于厂房屋顶开发的光伏发电系统, 关键设备包括光伏组件、逆变器及变压器等, 均选用国产产品以确保技术可靠性。
升压变压器及高低压配电设备
本项目配置了一台三相交流800KVA的干式变压器。该变压器具有额定工作电压为 10.5±2×2.5%/0.38kV,并采用接线组 Dy-Ⅰ型。其额定工况下的频率为 50Hz,并可在户外环境下使用;符合相关技术规范要求。
该变电站一次侧电路可直接接入自交流汇流站或低压出站端子站的出口线路。其中交流汇流站内部具备断路与合闸双重保护功能。该变电站二次侧出口端子经一次侧出口端子接到10kV进回母线,并配置了开关站、电流互感器站及计量装置,并采用预制舱形式安装设计。开关站出口后的 electrical path 将通过 1 回 10kV 高压交流电缆直接连接至光伏并网进线母联箱,并将该母联箱与厂用 10kV 进线主母联箱进行电气连接;其中母排采用标准型式,并根据具体工程要求实现可靠的电气连接;具体接线方式将依据设计图纸执行
继电保护及安全自动装置
本光伏电站的主要电气设备采用了微型计算机保护系统,并以实现信息传输的目的为前提进行设计与安装。遵循《继电保护和安全自动装置技术规程》的要求进行元件保护的配置设置。
1)并网线路继电保护及安全自动装置
分布式光伏项目线路发生短路故障时,线路保护装置需迅速投入动作,在最短时间内确保跳开对应并网电源断路器以可靠切除所有 faults. 为安装光伏发电项目的用户变电站10kV母线配备故障解列装置以实现对频率电压异常情况的紧急控制功能, 并通过操作相关断路器(或开关)来完成相应的切除操作.
2)防孤岛检测
分布式光伏项目逆变器不仅具有高效的故障定位能力,在发生孤岛时能够立即切除与电网的连接。其防孤岛方案应当与继电保护配置、安全自动装置以及低电压检测装置等设备协同工作,并在时间上做到精确同步。该逆变器的防孤岛检测策略应当遵循电网的相关规范要求。
逆变器配置有极性反接保抦、短路保抦等多种功能,并且还具有低电压穿越特性以及防止孤岛效应发生的功能;高压开关柜上安装了测控保抦装置,在发生故障时能够自动配置有过电流保抦和零序过电流保抦;该装置通过通信手段将所有实时数据传输至光伏本地监控系统中进行处理
本项目光伏电站具备在故障或异常运行状态下迅速脱离与系统的电网连接的能力,并能在不中断现有系统运作的情况下停止向电网输送电力

图 7新建光伏一次图
系统结构
本项目旨在配置一台集保护装置运行与控制操作以及实时数据传输与网络通信于一体的光伏电站综合自动化控制系统。该控制系统具备对光伏发电装置运行状态及开关站运行状态的全程实时监控能力,并能有效整合所有逆变器与高低压设备的状态参数进行统一管理。通过该平台可以实现对发电过程中的各个环节进行精确监测与优化调控。
该光伏电站监控系统由两个主要组成部分构成:站控层和就地层;其网络架构采用了开放式分层架构与分布式架构相结合的方式。
监控系统通过以太网实现了与就地层的数据连接,在不同功能区和系统间划分为相对独立的部分分别位于逆变器区域或箱变中,在站控层及面临可能出现的问题时仍能独立完成对各电气设备的监测任务。计算机监控系统利用远方 Automation Workstation 以及 GPRS 公网设备与上海市电力公司建立了数据通信渠道。
站控层由通过网络连接的服务器、操作人员站点以及远方操作站等构成,并配置了运行于内部的人机界面。该系统能够实现对相关设备进行管理控制,并形成了全站监控与管理功能;同时具备远方控制通信接口。
该系统由智能测控单元、网络通讯单元、逆变器采集单元及多功能电能表等核心组件构成;其主要电气设备涵盖微机保护装置、防孤岛故障保护系统、在线监测装置集合箱等关键设备;此外还包括多功能仪表、逆变器调节模块以及箱变测控单元等辅助设施。系统实时采集并处理现场原始数据信息;通过专用网络传输至主站进行监控;同时接收主站发送的控制指令;经过有效性检验、闭锁检测以及同步校准等步骤;对相关设备实施操作控制。
每个光伏发电单元配备了具有无线发射功能的数据采集装置,并对每组光伏组件运行数据以及逆变器的技术参数进行监测与记录;同时收集测控装置与智能计量表计的工作数据,并将这些信息打包后通过无线网络传输至监控系统以实现对系统的实时监控。

图 8监控系统网络结构图
项目配置设备清单如下表所示:
表 方案设备列表
| 安装位置 | 型号 | 数量 | 功能 |
|---|
| 光伏二次舱 本地监控屏(1面) | Acrel-Cloud1200 分布式光伏监控主机 | 1 | 具备保护、控制、通信以及测量等功能;可实现对光伏发电系统及开关站的全方位自动化管理 |
| 即使在极端天气条件下也能稳定运行 | 无 | 1 | 采用5G技术构建高速数据传输通道;通过加密技术实现发电侧数据直接上传至调度主站 |
| 纵向加密认证装置 | 1 | 用于电力控制系统安全区 I/II 的广域网边界保护;作为安全区域 I/II 的关键防护装置 |
| S1224F交换机 | 1 | 站内通信组网;与箱变测控通信组环网 |
光伏二次舱安全自动装置屏(1面) AM6-K公用测控装置 1 实时采集站内二次设备出现的异常信号
当出现孤岛现象时 可以迅速切除断开点 使得本地与电网侧迅速分离 从而确保电站及相关人员的安全
| APView500PV
电能质量在线监测装置 | 1 | 采集监测谐波分析、电压暂升/暂降/中断、闪变监测、电压不平衡度、事件记录、测量控制 |
|AM5SE-FA故障解列装置|1|适用于负荷侧或小电源侧的故障解列|
| 原10kV开关站
光伏接线柜 | AM5SE-F保护控制装置 | 1 | 具备三相短路电流保护、电流速动保护、电压跌落跳闸及过电压防护功能;在电路发生故障时,则会切除本柜断路器并终止故障电流 |
| 光伏预制舱
光伏出线柜 | AM5SE-F保护控制装置 | 1 | 具备三相短路电流保护、电流速动保护、电压跌落跳闸及过电压防护功能;在电路发生故障时,则会切除本柜断路器并终止故障电流 |
| 光伏预制舱
光伏接线柜 | AM5SE-F保护控制装置 | 1 | 具备三相短路电流保护、电流速动保护、电压跌落跳闸及过电压防护功能;在电路发生故障时,则会切除本柜断路器并终止故障电流 |
| 箱变 | 箱变综合 protection and control system | 1 | 针对光伏及风能升压变不同要求而设计的集成了全面的 protection, measurement, 和 communication 功能的一体化装置 |
系统功能
光伏发电效率监测
利用现场测控装置与数据采集器获取相关信息,并实施涵盖对数据合理性的验证在内的多种预处理工作;持续更新数据库;其涵盖的内容涉及模拟信号、数字信号以及脉冲信号等多种类型。
(1)模拟量
模拟量包含了多种电量参数和日照强度等其他非电量参数。
(2)数字量
数字量采集装置包括逆变器运行状态下的工作参数、故障指示信息以及各种继电器的动作参数等关键数据;同时采集开关位置信息、隔离开关状态信息以及接地刀闸位置信息等基础参数;并对这些数据进行实时处理和监控

图9 实时监测主界面图
分布式光伏电站运维管理
事故报警机制分为两种:第一种是非操作引发的断路器跳闸及保护装置动作情况;第二种是设备运行状态异常导致的提示报错等信息。第一种事故报警情况主要包括:由于人为操作未干预导致的断路器发生跳闸现象;保护装置在正常运行中触发的动作信号;其他未预见的操作失误导致的异常状况;模拟量超出设定阈值的情况;计算机站控系统中的各个组成部分出现故障或异常状态。第二种事故报警则涉及以下情况:设备运行中出现的状态异常;模拟量超出正常范围的情况;计算机站控系统的各组件出现故障或异常状态。
(1)事故报警
当事故报警发生时,在场的公用事故报警器将立即发出声音信号进行警报,并在监控画面中使用颜色变化和闪烁效果来指示设备出现异常状态的同时会显示红色警示标识打印机会打印出相关警报信息而数据转发装置则负责将这些警报信息传递给远方的控制系统以确保信息能够准确传达
(2)预告报警
当预告报警发生时,其处理方式不同于事故报警的处理方法,在音响信号和信息呈现的颜色上有所区分,并且能够根据需要选择性地将重要信息传递给远处。

图10 报警界面图
人机界面
该显示器能够实时监控主要的电气设备运行参数及其状态。该画面具备双屏显示功能,并可实现任意比例缩放。画面操作可实现任意比例缩放,并能够实现平滑过渡切换。该画面具有导游图功能,并且具有网络拓扑分析功能。此外还能够对被监测到的带电设备进行动态着色处理以确定其颜色状态。主要显示画面包括:
运行监视图不仅呈现设备运行状态,并且涵盖各主要电气量(如电流、电压等)以及环境数据(如气温等)的实时数值信息;
网络监控图表能够直观地呈现计算机监控系统中的设备配置和连接状态,并通过图形化的方式以及颜色变化来反映这些信息。
(3)发电量实时监控图表中展示了通过柱状图与数据表格相结合的方式直观呈现每台逆变器的实时发电量信息,并且用户可通过链接功能进一步进行详细的数据比对;此外,在图表下方部分还设计了动态曲线展示区域以便于观察不同时间段内的发电趋势变化情况
发电单元监控系统能够呈现各个发电机组的详细运行数据,并支持人工干预和操控各个发电机组的工作状态。
(5)各种保护信息及报表
(6)二次保护配置图,反映各套保护投切情况、整定值等
(7)控制操作过程记录及报表
(8)事故追忆记录报告或曲线、事故顺序记录报表
(9)趋势曲线图、棒状图
(10)各种统计及功能报表等。

图11 人机界面一次图
结语
分布式光伏发电系统主要得益于其清洁、可持续的优势而被广泛采用,在全球范围内展现出显著的应用前景。然而该系统输出功率呈现出明显的波动性特征这对其所在电力系统的稳定性运行以及整体经济收益构成了严峻挑战为此,在进行并网时必须接受调度主站系统的调控以保障客户与电网之间能够实现高比例有序并网从而进一步强化分布式光伏项目的统一规划进而推动整个系统与大电网之间的协调运作最终构建一个具有数据化透明化处理能力且能实现调控便捷化操作下的新型分布式新能源调度管理体系
参考文献
[1] 史钺平.分布式光伏对区域配电网的影响研究[D].上海应用技术大学,2022.
[2] 杨丽娜.分布式光伏发电并网对配电网的影响[J].科技资讯,2024,22(11)
[3] 丁坚.利用深度学习技术实现分布式光伏发电系统的优化及其性能评估[J].电力技术与经济,2024,(07):308-310.
