基于RLS递归最小二乘法的车辆前后轮胎侧偏刚度估算及其应用
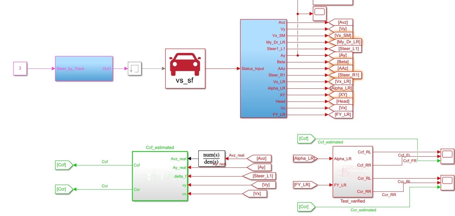
基于递归最小二乘法(RLS)估算的车辆前后轮胎的侧偏刚度,如仿真结果图可知,在恒定转角,变化车速度工况下,能够良好的估算出前后轮胎的平均刚度,该估算算法可生成代码,能够用于实车实验验证其他的算法参数需要,如横摆稳定性控制,路面附着系数估算算法等,为开发和学习节省大量时间。
ID:33100694314583935
想剁手书屋14



基于递归最小二乘法(RLS)估算的车辆前后轮胎的侧偏刚度,是一种有效的算法,可以应用于车辆的横摆稳定性控制和路面附着系数估算算法的开发和学习过程中。这种算法能够在恒定转角、变化车速度的工况下,准确地估算出前后轮胎的平均刚度。本文将围绕这一算法展开讨论,探讨其原理、实现步骤和应用领域。
首先,我们来介绍递归最小二乘法(RLS)的基本原理。递归最小二乘法是一种基于最小化误差平方和的优化方法,通过不断更新估计值和估计误差的协方差矩阵,逐渐逼近真实值,从而得到精确的估算结果。在车辆前后轮胎的侧偏刚度估算中,递归最小二乘法通过迭代计算车辆的刚度系数,从而得到准确的刚度估算结果。
接下来,我们将介绍基于递归最小二乘法的车辆前后轮胎侧偏刚度估算的具体步骤。首先,需要收集一定数量的实验数据,包括车辆的横向加速度、转角速度和轮胎侧偏角等信息。然后,利用递归最小二乘法的算法,对这些实验数据进行处理,不断更新估计值和估计误差的协方差矩阵。通过迭代计算,最终得到车辆前后轮胎的侧偏刚度估算结果。
仿真结果图显示,在恒定转角、变化车速度的工况下,基于递归最小二乘法的车辆前后轮胎侧偏刚度估算算法能够良好地估算出前后轮胎的平均刚度。这意味着该算法具备较高的准确性和精度,可以为实际车辆的侧偏刚度估算提供可靠的支持。
除了车辆前后轮胎侧偏刚度估算外,基于递归最小二乘法的算法还可以生成代码,用于实车实验验证其他的算法参数需要。例如,横摆稳定性控制和路面附着系数估算算法都需要准确的车辆模型和刚度参数来进行有效的控制和估算。基于递归最小二乘法的侧偏刚度估算算法提供了一种快速、准确的刚度估算方法,可以为这些算法的开发和学习节省大量时间。
总结而言,基于递归最小二乘法的车辆前后轮胎侧偏刚度估算算法具有较高的准确性和精度,在车辆横摆稳定性控制和路面附着系数估算算法的开发和学习过程中具有重要的应用价值。通过递归计算和迭代更新,该算法能够估算出车辆前后轮胎的平均刚度,并生成相应的代码,为实车实验验证和其他算法参数的估算提供支持。这一算法的应用将大大提高开发效率和学习效果,为车辆控制领域的研究和实践带来新的机遇和挑战。
【相关代码 程序地址】: http://nodep.cn/694314583935.html
