Day2-智慧教室项目驱动开发
- 配置PF6-PF10为输出模式
- PF6默认输出低
- PF7-PF10默认输出高

2.人机交互驱动开发

FSMC
SRAM
原理图分析
通过下图所示:
- 采用IS61LV51216 SRM 为1MB,其实为了节约成本焊接的为IS61LV25616 为512KB
- 占用地址总线为18bit,数据总线为16bit
- 内存访问起始地址为0x6800 0000

数据手册分析
read周期
地址建立时间 <7ns
数据建立+保持时间 = 7 + 2.5ns = 10ns

write周期
数据建立周期 = 5 + 3 = 8 + 5ns = 13ns

FSMC读写周期
read

write

外设配置
1.打开FSMC外设
2.配置FSMC
1. 选择存储块为NE3
2. 内存类型为SRAM
3. 寻址长度为18bit
4. 数据宽度为16bit
3.配置FSMC时序
- 地址建立时间为1分频 1/168 = 0.005 = 5ns
- 数据建立时间为3分频

4.字节访问使能

LCD
原理图分析
1.如下图所示,LCD采用8080接口,CS片选,D/C命令/数据切换,RD读操作,WR写操作,D[23:0]数据总线

2.如下图所示,数据总线D[0:15]连接FSMC总线接口处,RS起始就D/C接口,连接到FSMC地址总线A0,CS片选总线连接到FSMC_NE4上,WR写操作连接FSMC_NWE总线上,RD读操作总线连接到FSMC_NOE上,背光控制连接到PC7上

3.写命令操作0x6C00 0000
4.写数据操作0x6C00 0002
数据手册分析
分析LCD驱动芯片时序图,计算得出地址和数据总线建立时间
地址保持周期 = 2ns
数据建立周期 = 12 + 1ns = 15ns


外设配置
打开FSMC外设
配置FSMC参数
1. 内存块为NE4
2. 内存类型为LCD
3. LCD数据/命令切换映射到A0
4. 数据宽度为16bit

3.配置PC7为输出模式
- 上电默认输出高电平

SPI
FLASH
原理图分析
如下图所示,SPI接口,CS连接到PH2,MISO连接到PB4,MOSI连接到PB5,CLK连接到PA5

数据手册分析
1.时钟极性及相位
通过时序图分析,SPI CLK 高有效 时钟极性为高
时钟边沿为奇数边沿

2.SPI速率
满足数据传输速率,最大不能超过33MHz

外设配置
- 配置SPI时钟和数据引脚
- 配置SPI为全双工主机模式
- 配置SPI参数
1. 通信速率为系统时钟4分频
2. 时钟极性为低电平
3. 相位为奇数边沿

4.配置片选引脚PH2默认输出高
Touch
原理图分析
- 如下图所示,SPI接口,CS连接到PG15,MISO连接到PI2,MOSI连接到PI3,SCK连接到PI1
- 触摸中断连接到PG7

数据手册分析
-
通过计算TCH+TCL得出SPI通信速率
-
通过时序图分析,SPI不工作时为低电平

-
时钟边沿为奇数边沿
-
通信速率最小为400ns,大概2Mbit/S左右

外设配置
- 配置SPI时钟和数据引脚
- 配置SPI为全双工主机模式
- 配置SPI参数
1. 通信速率为系统时钟32分频
2. 时钟极性为低电平
3. 相位为奇数边沿

4.配置SPI片选引脚
1. 配置PG15为输出模式
2. 配置PG15上电默认输出高,SPI低电平有效

3.WebServer驱动开发

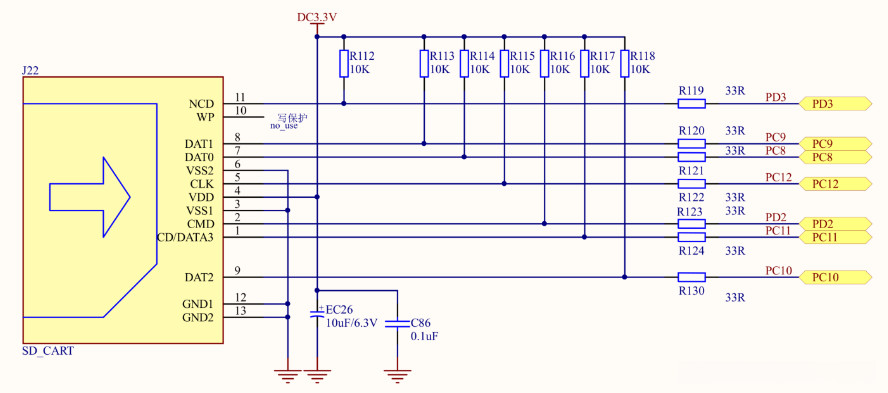
SDIO
原理图分析
根据原理图分析,我们采用SD总线,4bit

外设配置
- 打开SDIO外设
- 配置SD总线为4bit位宽
- 配置DMA接收和发送

4.使能sdio全局中断 重点配置DMA优先级小于SDIO优先级

ETH
原理图分析
1.如下图所示,以太网PHY采用DP83848芯片,通信模式采用RMII接口

数据手册分析

PHY地址

PHY寄存器
BMCR
自我介绍一下,小编13年上海交大毕业,曾经在小公司待过,也去过华为、OPPO等大厂,18年进入阿里一直到现在。
深知大多数嵌入式工程师,想要提升技能,往往是自己摸索成长或者是报班学习,但对于培训机构动则几千的学费,着实压力不小。自己不成体系的自学效果低效又漫长,而且极易碰到天花板技术停滞不前!
因此收集整理了一份《2024年嵌入式 &物联网开发全套学习资料》,初衷也很简单,就是希望能够帮助到想自学提升又不知道该从何学起的朋友,同时减轻大家的负担。



既有适合小白学习的零基础资料,也有适合3年以上经验的小伙伴深入学习提升的进阶课程,基本涵盖了95%以上嵌入式 &物联网开发知识点,真正体系化!


由于文件比较大,这里只是将部分目录大纲截图出来,每个节点里面都包含大厂面经、学习笔记、源码讲义、实战项目、讲解视频,并且后续会持续更新
如果你觉得这些内容对你有帮助,可以+V:Vip1104z获取!!! (备注:嵌入式)

最后
资料整理不易,觉得有帮助的朋友可以帮忙点赞分享支持一下小编~
你的支持,我的动力;祝各位前程似锦,offer不断,步步高升!!!
存中…(img-ZRxrEpvL-1712238544217)]
由于文件比较大,这里只是将部分目录大纲截图出来,每个节点里面都包含大厂面经、学习笔记、源码讲义、实战项目、讲解视频,并且后续会持续更新
如果你觉得这些内容对你有帮助,可以+V:Vip1104z获取!!! (备注:嵌入式)

最后
资料整理不易,觉得有帮助的朋友可以帮忙点赞分享支持一下小编~
你的支持,我的动力;祝各位前程似锦,offer不断,步步高升!!!
