车辆动力学模型/二自由度动力学模型 matlab/simulink
发布时间
阅读量:
阅读量
模型搭建需使用到matlab/simulink;
依据以下公式:

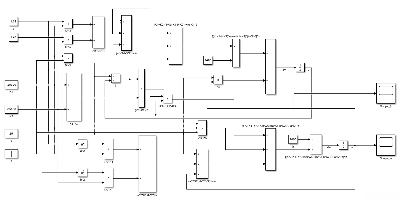
根据公式,使用相应加减乘除模块完成搭建,在模块中编辑对应的数值:
Constant:常数模块
Sum:加减模块
Product:乘法模块
Divide:除法模块
Step:阶跃输入
Integrator:积分器
Square:平方模块



编辑好车轮速度u以及阶跃输入δ,运行:

全部评论 (0)
还没有任何评论哟~

模型搭建需使用到matlab/simulink;
依据以下公式:

根据公式,使用相应加减乘除模块完成搭建,在模块中编辑对应的数值:
Constant:常数模块
Sum:加减模块
Product:乘法模块
Divide:除法模块
Step:阶跃输入
Integrator:积分器
Square:平方模块



编辑好车轮速度u以及阶跃输入δ,运行:
