[渝粤教育] 三峡大学 电力电子技术(Ⅱ) 参考 资料
单选题
单选题
单选题
单选题

单选题

单选题
单选题

单选题

单选题
单选题

A、升压斩波电路
B、降压斩波电路
C、升降压斩波电路
D、不构成斩波电路
参考资料【 】
12、【单选题】用充电器给充电宝(移动电源)充电的时候属于什么变流方式?
A、整流
B、逆变
C、直流-直流变换
D、交流-交流变换
参考资料【 】
13、【单选题】直流-直流变换中,关于伏秒平衡,以下哪一段描述是正确的?
A、一个开关周期内,电感电压平均值为零。
B、一个开关周期内,电感电流平均值为零。
C、一个开关周期内,电容电压平均值为零。
D、一个开关周期内,电容电流平均值为零。
参考资料【 】
14、【单选题】直流-直流变换中,关于安秒平衡,以下哪一段描述是正确的?
A、一个开关周期内,电感电压平均值为零。
B、一个开关周期内,电感电流平均值为零。
C、一个开关周期内,电容电压平均值为零。
D、一个开关周期内,电容电流平均值为零。
参考资料【 】
第五章 第一次作业
第五章 第二次作业
第五章 第三次作业
第五章 单元测验(1)
1、【单选题】在电力电子变换电路分析过程中,通常认为开关器件为理想器件,以下关于理想开关器件的描述,正确的是?
A、关断时其反向漏电流较大
B、导通时其管压降约等于零
C、导通时器件两端管压降较大
D、开通与关断过程需要较长时间才能完成
参考资料【 】
2、【单选题】日常生产和生活中,以下哪一种负载可认为是纯电阻性负载?
A、

B、

C、

D、

参考资料【 】
3、【单选题】整流电路带大电感负载,电源电压过零变负后晶闸管能继续导通的原因是什么?
A、晶闸管门极没有施加反向触发信号
B、施加的反偏电压时间小于晶闸管的关断时间
C、晶闸管有继续导通的惯性
D、负载中的的电感需要有释放能量的通路
参考资料【 】
4、【单选题】以下关于单相半波可控整流电路的特点,哪一段描述是正确的?
A、变压器二次侧电流不含有直流分量
B、结构复杂,需要多个触发电路
C、带阻感负载时,通常在负载两端反并联一个二极管
D、输出电压不可调
参考资料【 】
5、【单选题】单相半波可控整流电路,电阻性负载,触发角(控制角)的移相范围是多少?
A、0°—60°
B、0°—90°
C、0°—120°
D、0°—180°
参考资料【 】
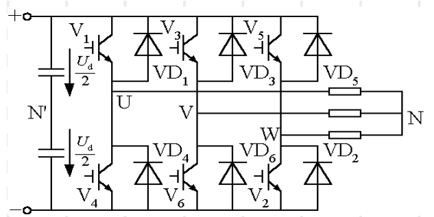
6、【单选题】图示电路的名称是什么?

单选题

单选题
单选题

单选题

单选题
单选题
单选题

A、0°
B、30°
C、60°
D、90°
参考资料【 】
4、【单选题】如图所示三相半波可控整流电路电阻性负载时,负载电压波形,请问此时触发角α为多少?

A、0°
B、30°
C、60°
D、90°
参考资料【 】
5、【单选题】三线半波可控整流电路带电阻性负载,触发角移相范围是多少?
A、0°~30°
B、0°~60°
C、0°~120°
D、0°~150°
参考资料【 】
6、【单选题】关于三相桥式全控整流电路电阻性负载,以下描述正确的是?
A、电流连续时,触发角的移相范围为0°-60°
B、触发角的移相范围为0°-150°
C、晶闸管承受最大正反向电压均为线电压的峰值
D、为确保电路的正常工作,按照导通顺序,先给1个晶闸管触发脉冲,隔60°后再给下一个晶闸管触发脉冲,以此类推,即采用单脉冲触发。
参考资料【 】
7、【单选题】关于三相桥式全控整流电路,大电感负载,以下描述正确的是?
A、触发角的移相范围为0°-180°
B、变压器二次侧电流含有直流分量,平均值不为零
C、晶闸管承受最大正反向电压均为相电压的峰值
D、负载电压平均值表达式为Ud=2.34U2cosα
参考资料【 】
8、【单选题】如图所示三相桥式全控整流电路大电感负载时,负载电压波形和变压器二次侧a相电流波形,请问此时触发角α为多少?

单选题
单选题

单选题
单选题
单选题
单选题

单选题

参考资料【 】
8、【单选题】关于电压源型逆变器的特点,以下哪一段描述是错误的?
A、直流侧为电压源或并联大电容
B、输出电压为矩形波或矩形波的一部分,输出电流因负载阻抗不同而不同
C、逆变桥各臂并联反馈二极管
D、只能采用180°导电方式(方波逆变)
参考资料【 】
9、【单选题】通过附加的换流装置,给要关断的器件强迫施加反向电压或反向电流的换流方式称为什么?
A、器件换流
B、强迫换流
C、电网换流
D、负载换流
参考资料【 】
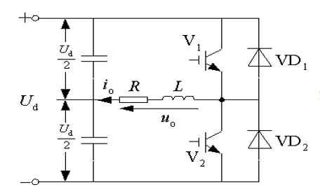
10、【单选题】下图所示电路的名称是什么?

单选题

单选题
单选题
