UML机票预订系统顺序图建模-顺序图
实验4 机票预订系统顺序图建模
一、实验目的
掌握顺序图的建模方法,使用顺序图描述执行系统功能的各个不同角色之间相互协作,传递消息的顺序关系。
二、实验内容
分析购买机票用例的交互过程,建立预订机票功能的顺序图。
三、实验原理/流程
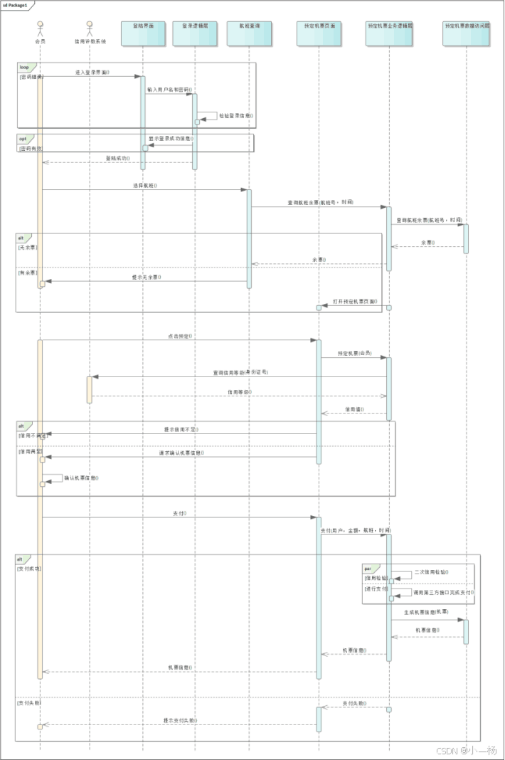
1、确定机票预订系统“购买机票”用例的交互对象。
该用例为会员发起,会员作为参与者是这个交互过程的发起者。
信用评价系统作为参与者在这个交互过程中提供用户信用值的查询。
假设系统采用三层结构(既表示层、业务逻辑层、数据访问层)设计,因此参与这个交互过程的对象还包括用户界面、程序逻辑层和数据访问层,购买机票时用户需要在查询航班页面中选择航班,在预订机票页面中进行购买,因此用户界面可以设计两个:查询航班页面、预订机票页面。
根据以上分析,“购买机票”用例的交互对象有会员、信用评价系统、查询航班页面、预订机票页面、程序逻辑层和数据访问层。
2、确定参与交互的对象间的消息传递。
①会员首先在航班查询页面选择航班。
②航班查询页面将航班信息和预订时间发送给程序逻辑层进行航班余票查询。
③程序逻辑层将航班信息和预订时间发送给数据访问层进行航班余票查询,数据访问层将查询结果返回给程序逻辑层,如果余票不够,程序逻辑层返回余票信息给航班查询页面展示给用户,提示用户余票不足,如果足够,程序逻辑层打开机票预订页面。
④用户在机票预订界面点击预订,机票预订界面将通知程序逻辑层预订该会员机票。
⑤程序逻辑层通知信用查询系统查询会员信用值并发给机票预订界面,如果信用不足,给会员提示信用不足,如果信用足够,则请求会员确认机票信息。
⑥会员确认机票信息后,在机票预订界面进行支付。
⑦机票预订界面通知程序逻辑层完成支付,程序逻辑层调用第三方支付接口完成支付,如果支付不成功,给会员进行提示,如果支付成功,程序逻辑层调用数据访问层生成机票信息,并将机票信息返回给界面展示给会员。
3、使用EA 绘制顺序图
