电源硬件基础知识(总结)
硬件基础知识
1、电阻
电阻选型参数:阻值、封装尺寸、额定功率、精度(电源)、噪声和稳定性。
电阻分类:薄膜电阻、线绕电阻、实心电阻、特殊电阻:热敏、压敏电阻等。
串联电阻,阻值越大功率越高,并联电阻,阻值越大功率越小。
封装与电阻额定功率的关系:封装越大,额定功率越大。
零欧电阻:
• 零欧电阻相当于很窄的电流通路,能够有效地限制环路电流,使噪声得到抑制。
• 电阻在所有频带上都有衰减作用(零欧电阻也有阻抗),这点比磁珠强。
• 0402 0.04英寸、0.02英寸 越小功率越低 耐压值低。

温度与电阻的关系:超过一定温度随着温度的升高,阻值逐渐下降。

确定电阻值的原则在于计算其负载功率,并选择适合该功率水平下的封装形式。
用于电流监测的检流电阻具有极低阻值(通常在毫欧范围内)且能够承受较大电流而不至于导致封装过大。
该类电阻具有两个显著特点:阻值极低(通常在毫欧范围内)且能够承受较大电流而不至于导致封装过大。
其最大可承受电流有限。
在电路设计中,布局与布线必须极其谨慎。由于走线上的总阻抗远高于被测导线本身的阻抗,在系统中会产生额外的测量误差,并可能掩盖被检测的小电流信号。
按照标准要求应采用开尔文接线法以实现检流电阻的标准连接方式。

2、电容
电容器选型需关注以下几个关键参数:容量、额定电压、温度特性以及等效串联电阻(ESR)。
其中常见的类型包括Al type capacitors、Ti type capacitors及CaCO3·μAl2O5·3SiO2 capacitors。

不同电容在同一电路中滤波效果对比实验 :

作用:储能,使工作电压保持稳定、滤波,退耦。
3、电感
磁珠类器件:具有较高的电阻率和磁导率特性,在高频电子线路中作为能量损耗型器件使用,并有效抑制高频噪声干扰。
电感器:作为能量存储装置,在中频及以下的滤波网络中应用。
4、MOS管
NMOS:其门极具备更强的驱控能力,在电源供应上展现出更卓越的性能表现;同时提供更为丰富的配置选项,并具有较低的经济成本。

PMOS:其门极端仅需比源极低的电压作为驱使;无需施加高于其源极的电压;其电路结构设计相对简单

MOSFET重要参数:
1.Drain-source 截止电压-VBR(DSS),在温度升高时呈现出上升趋势。

2.导通电阻RDS(on)
特点:

• 该二极管元件呈现正温度系数特性,在电路设计中特别适用于并联电路;
• 当二极管的导通电阻值减小时,则对应的导通损耗也随之减小;
• 当二极管的导通电阻值进一步减小时(即Qg值增大),则会导致其开关速度随之减缓;
• 在高频电子设备中运行时会导致更高的开关损耗……因此,在高频工作条件下需要权衡取舍以达到最佳性能表现。
3.最大结温

• 不得超过极限温度、
• 仅能测得外壳温度,并通过热阻计算得出内部结点温度、
• 适当降低热降额能够保证系统稳定运行。
4.动态电容和Qg
其数值由工作环境决定。在开关状态下需迅速导通,并配备驱动芯片以输出瞬时高幅值电流;采用缓启动结构的MOS管则需逐渐导通,在此过程中可有效防止过流保护。
5.体二极管
• 注意方向
• 性能和普通二极管类似(大的正向压降,大的反向恢复时间)


5、二极管
整流管:
• 常见二极管
• 快速恢复二极管
• 肖特基二极管
稳压管:
• 长期承受低功率状态
TVS:
• 快速击穿, 高功率防护
6、电感参数
• 电感值
• 额定工作电流
• 饱和工作电流
• 低的电感值与低的直流电阻率结合,则能实现高饱和工作电流,并带来更优的动态响应和更高的纹波电流幅度
• 大的电感值对应较小的纹波工作current
7、单点接地和多点接地的区别
工作频率低,采用单点接地,工作频率高,采用多点接地。
8、LDO和DC-DC的区别
LDO具有较低的压差和功率损耗;纹波较小;其效率不高。DC-DC转换器的转换效率高达85%-95%;其噪声较大且功率损耗较高。根据所采用的晶体管类型不同,则可分为双极性和CMOS两类结构形式。其中一种是PNP与NPN两种形式;而另一种则分为P-MOSFET与N-MOSFET两个具体类型结构;其中双极性电子器件可简称为BJT(Bipolar Junction Transistor)。
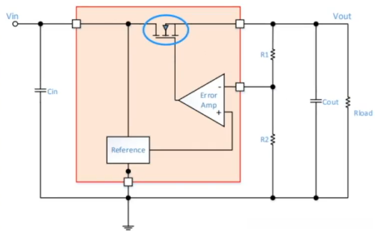
9、LDO工作原理:

1.电路开始启动,恒流源给整个电路提供偏执,基准源电压快速建立。
输出随输入持续上升,在达到预设值时,通过比较器处理后产生了负反馈信号来控制MOS管工作状态,使其以稳定状态工作。
3.该闭环回路通过反馈机制使其输出电压恒定,并具有恒压功能。Vout = Vref * ( R1 + R2 ) / R2。
10、LDO和DC-DC的优缺点
DC-DC转换器以其高效能和宽电压调节能力著称,并具备较高的输出电流能力和较低的静态电流水平。相较于同类产品而言,在效率方面表现更为突出,并可支持较广的工作电压范围;然而,在压差方面与LMC系列稳压器相比存在明显不足,并且动态响应速度不如前者;此外其输出噪声较大。
LMC稳压器以极低的成本著称,并拥有极小的零点偏移和优异的稳定性;同时外设元件数量极少且布局合理;特别适用于那些工作在较低压差条件下的电源系统设计中。
LMC稳压器在功耗方面表现优异,在动态特性上也优于传统稳压器;但其纹波控制能力相对较为薄弱。
11、PCB一般设计原则
布局:
在设计PCB时需要综合考虑尺寸大小以及特殊元件的位置,并以功能分区为基础对所有元器件进行合理布局。以核心功能电路为中心进行模块化设计,在保证美观的同时最大限度地减少和缩短各组件之间的连线长度和接线总长度。对于元器件或导线之间可能存在较高的电压差的情况应采取相应的措施来确保其安全运行并避免可能出现的放电现象导致意外短路发生。此外在高频电路中需要采取相应的措施来确保隔离性能并合理安排元件的位置以提高系统的可靠性
布线:
布局线条整洁有序,在设计中应避免产生锐角。其中电源线路需采用较粗的导线以确保稳定运行;信号线路长度不宜过长以防干扰;晶体振荡信号中通常建议采用退耦电容来滤除噪声并保证稳定工作状态;各条地线下不得相互干扰,并分别连接至主电源端的地线上以保证系统的可靠运行;对于芯片的主电源管脚,则应靠近输入端管脚安装以减少寄生电容带来的延迟问题;发热器件或者芯片则需多打钻孔以防止热量积累并远离其他电子元件和线路板上的元器件以防止干扰和烧毁风险
12、蓝牙低功耗
在硬件选型阶段中涉及的主要元件包括电源管理芯片以及型号如ICM20948和NRF52832;从软件层面来看,在蓝牙通信中采用的数据传输协议状态管理以及对数据进行分组打包处理的基础上取消了磁场传感器功能
蓝牙广播频率即指广播包的发射频率与脱离仿真模式之间的时间间隔。
遵循BLE 5.0标准规定的一组数据大小不应超过244个字节。
本系统采用的数据采集方案包括三轴加速度计和三轴角速度计的数据融合。
改进前方案的工作原理是将每组包含一组数据的报文独立发送,在一秒钟内可连续发送高达50个这样的报文。
改进后方案则是将多个相邻采集周期的数据进行融合编码成单份报文进行传输,在相同的时间段内仅能发送3份编码优化后的报文
休眠模式下的功耗优化设计能够有效解耦IO端口及所有总线资源,在电池供电设备中实现JLink协议的有效维持连接状态。即使程序下载完成并退出仿真运行,在实际应用中也可能出现约2mA的持续电流消耗情况。
13、通信协议
基于 IIC 半单工通信协议设计
IIC协议具备多主端和多从端在同一总线上运行的特点. 若不采用开漏输出方式而改用推挽方式输出, 主端之间将出现短路现象. 原因在于IIC通信线路需具备发送高电平信号的能力
该协议的工作原理包括主端与从端之间的通信机制以及总线自身的运行机制
当多个GPIO口连接到同一根线上时,在某些场景(如总线系统)中可能会出现共用一根传输介质的情况
该协议允许多个主设备和从设备在同一总线上运行,并支持多种通信模式;若采用推挽方式而不使用开漏输出,则可能导致主设备间短路;上拉电阻的作用在于确保主设备能够发送高电平信号
在某些场景中(如总线系统),多个GPIO端子可能会共用同一根传输线。在这种情况下,可能出现一个GPIO端子处于高电平状态而另一个端子处于低电平状态的情形。若采用双极性输出策略,则可以有效避免这种冲突。
