毫米波雷达||基础知识3(MTI、MTD、CFAR)
1、MTI、MTD
注


MTD(动目标检测) 是一种使用多个窄带多普勒滤波器将各具不同速度的目标分辨出来的一种技术。其主要依据在于各具不同速度的目标会产生不同的多普勒频移。当脉冲压缩处理后的信号经过所述的多普勒滤波器组后,在进行速度维 FFT 时,各具特定频率特性的信号会落入对应的速度响应通道中,并利用其对应的速度分辨率进行计算。最终能够推算出目标的具体运动速率。
在FFT之前接一个二次抵消器就可以看作是MTI级联FFT的MTD滤波器组的一个组成部分。由于DFT本质上是一种特殊的滤波器工具,因此在设计滤波器组时,可以选择其系数按照DFT的定义进行设定,并通过快速傅里叶变换算法FFT来实现MTD滤波过程。(值得注意的是,由于对消器对滤波特性的影响,MTI与FFT结合构成的多普勒合成滤波器组中各分量主瓣会出现明显畸变,且各合成多普勒滤波器所呈现的杂波抑制性能存在差异性。基于杂波抑制性能的要求,若直接设计一组性能更为卓越的多普勒合成滤波器组来替代现有的基于MTI级联FFT形式的MTD滤波结构,将能够进一步提升MTD处理器的整体性能水平)
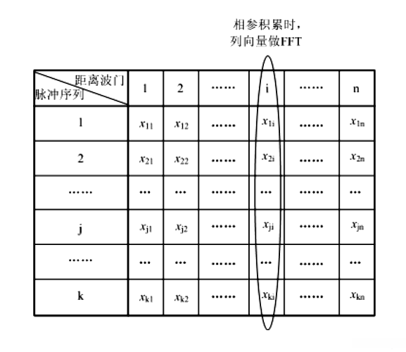
2、相参积累、非相参积累
在信号理论领域中

3、CFAR
CFAR技术是Constant False-Alarm Rate(CFAR)这一术语的简称。该技术主要应用于雷达系统中,在确保虚报概率始终保持恒定的前提下,在接收机输出端将信号与噪声进行区分处理以判断是否存在目标信号。具体而言,在接收端输入前先对其进行预处理后确定一个动态门限值;当输入信号超过此门限值时,则判定为存在目标;否则则判定为无目标。通常情况下,在信源发送典型信号时会受到各种干扰因素的影响,在经过接收器处理后传递至检测器;随后根据设定的标准准则对输入的信号进行识别与判断工作。
N-P奈曼-皮尔逊准则(基于最大化检测率的判别标准),该准则旨在将虚警率控制在一个预先设定的范围内,并在此基础上最大化检测率。这些关键指标之间存在密切关联关系:当虚警率被设定后,在最小化漏检的情况下实现检测率的最大化。


(CA-CFAR) 阈值因子为:



注:OS-CFAR在多目标与杂波边缘环境中具有较好的检测效果,在均匀环境下则存在一定的性能下降。
附:平稳高斯过程
高斯过程是一种概率方法,在处理数据时 能够充分结合先验知识 ,从而实现对数据的有效预测;其最为显著的应用领域在于 将函数与数据进行匹配 ,这一过程被称为回归分析。对于给定的一组训练点,在满足特定条件的情况下存在无限多个可能的函数能够适配数据点;然而高斯过程通过为每个潜在的函数分配相应的概率分布来解决这一问题。这种概率分布的核心特征在于其均值表示了在给定数据下最可能存在的特征;此外这种方法还允许我们在回归结果中整合预测的置信度评估。

高斯分布(通常也称为 正态 分布)是高斯过程的基本组成部分。 特别是这种分布的多变量情况,其中每个随机变量都是正态分布的,它们的联合分布也是高斯的。多元高斯分布由均值向量定义** μ**和协方差矩阵Σ 。均值向量𝜇描述分布的期望值。 它的每个组成部分都描述了相应维度的平均值。Σ对每个维度的方差进行建模,并确定不同随机变量的关联方式。 高斯过程的目标是从 训练数据 中学习这种基础分布。为了对训练数据进行回归,我们将这个问题视为 贝叶斯推理 。 贝叶斯推理的基本思想是随着新信息的出现而更新当前的假设 。 在高斯过程的情况下,此信息是训练数据。
我们现在已经构建了高斯过程的基础架构,在此之后缺少的就是如何设置这个分布以及定义均值μ和协方差矩阵Σ。由其核函数k来决定的协方差矩阵Σ这一核心特征通常被称为高斯过程的核函数。其巧妙之处就在于构建这个协方差矩阵Σ的过程不仅能够描述分布的整体形态,并且最终能精准刻画我们想要预测的函数的关键特性。
②平稳高斯过程是指既具有平稳性质又满足高斯分布的随机过程。具体来说,平稳高斯过程的统计特性(如均值、方差、自相关函数等)不会随时间的推移而变化,且其任意时刻的取值都服从高斯分布。特点 :平稳性:统计特性不随时间变化。高斯性:任意时刻的取值都服从高斯分布。平稳高斯过程的自相关函数和功率谱密度具有特定的形式。应用 :平稳高斯过程在金融、信号处理、通信等领域有广泛应用。例如,股票价格的变动、 噪声信号、高斯白噪声等都可以被建模为平稳高斯过程 。
参考文章:
现代雷达系统分析与设计---运动目标检测(MTD)---XXXXiaojie-开放原子开发者工作坊
