深度图和RGB图对齐
发布时间
阅读量:
阅读量
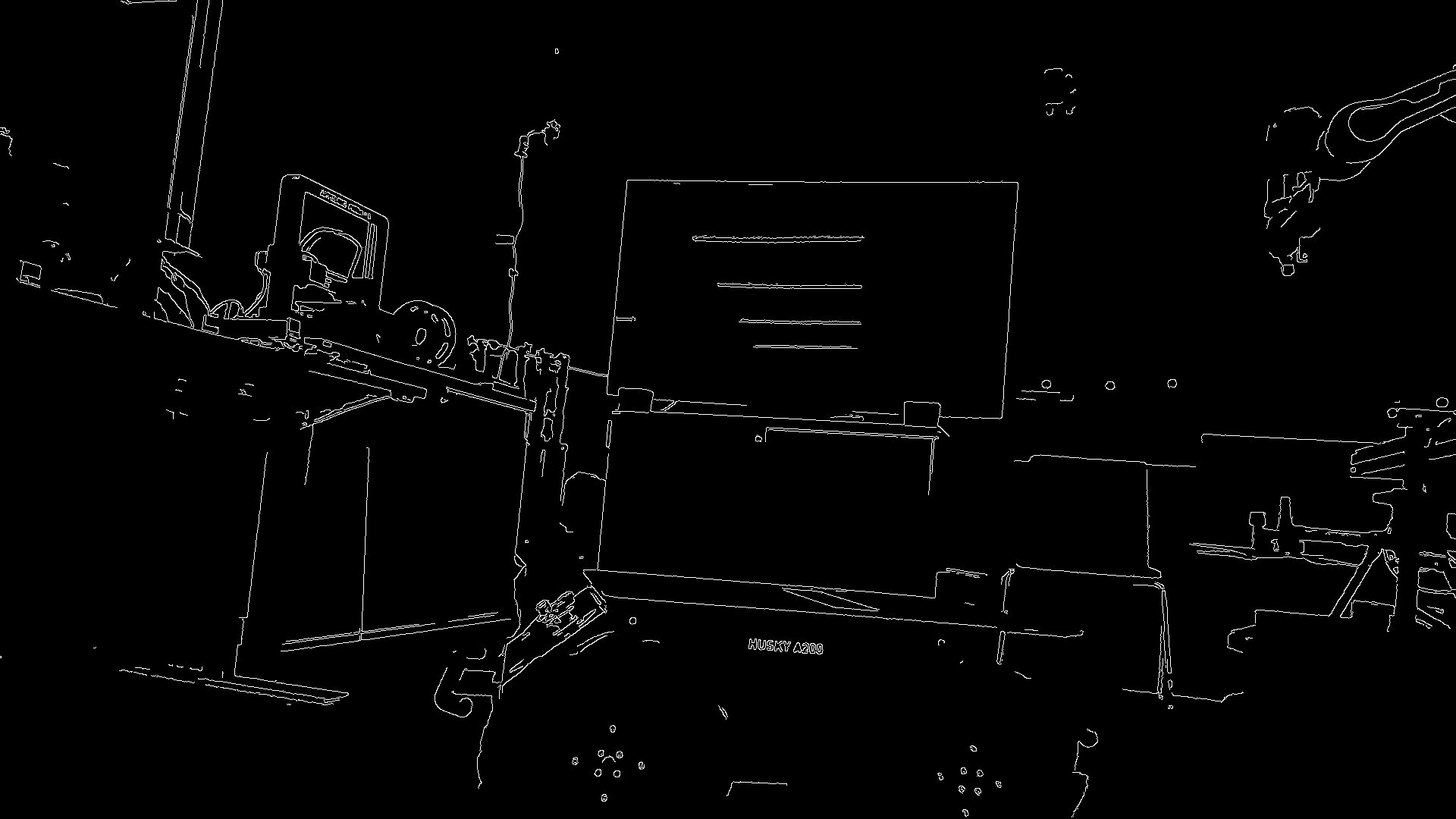
深度图(canny):

RGB(canny):

Alignment:

code:
import cv2
import numpy as np
from matplotlib import pyplot as plt
import threading
imgdd = cv2.imread('./rgbd.jpg', 0)
imgg = cv2.imread('./my.png', 0)
imgd = cv2.Canny(imgdd,100,200)
img = cv2.Canny(imgg,100,200)
def parm_adjust_th():
cv2.namedWindow('Pose_Adjuster')
cv2.createTrackbar('pos_x', 'Pose_Adjuster', 159, 200 * 2, callback)
cv2.createTrackbar('pos_y', 'Pose_Adjuster', 80, 200 * 2, callback)
cv2.createTrackbar('scale', 'Pose_Adjuster', 186, 200, callback)
while(True):
pos_x = (cv2.getTrackbarPos('pos_x', 'Pose_Adjuster') - 200)
pos_y = (cv2.getTrackbarPos('pos_y', 'Pose_Adjuster') - 200)
scale = (cv2.getTrackbarPos('scale', 'Pose_Adjuster') )
# print(img.shape)
# print(imgd.shape[0], imgd.shape[1])
# global trans
trans = [pos_x, pos_y, scale]
print("===>>> Trans : ", trans)
scale_percent = trans[2] # percent of original size
width = int(imgd.shape[1] * scale_percent / 100)
height = int(imgd.shape[0] * scale_percent / 100)
dim = (width, height)
resized = cv2.resize(imgd, dim, interpolation = cv2.INTER_AREA)
# print(resized.shape)
# print(img.shape)
# print("===>>> Trans : ", trans)
for u in range(min(len(resized[:,0]), img.shape[0])):
for v in range(min(len(resized[0,:] - 1), img.shape[1])):
# print(u, v, img.shape[0], img.shape[1])
if resized[u, v] != 0 and trans[1]+ u < img.shape[0] and trans[0]+v < img.shape[1]:
img[trans[1]+ u, trans[0]+v] = resized[u, v]
# print(trans[1], trans[1]+ imgd.shape[0], trans[0], trans[0]+imgd.shape[1])
if cv2.waitKey(10) & 0xFF == ord('q'):
break
cv2.imshow('Pose_Adjuster', img)
cv2.imwrite("cnny_align.png", img)
cv2.destroyAllWindows()
def callback(object):
pass
if __name__ == '__main__':
parm_adjust_th()
全部评论 (0)
还没有任何评论哟~
