继电器逻辑在控制系统中的应用
发布时间
阅读量:
阅读量
继电器逻辑在控制系统中的应用
继电器逻辑的另一个实际应用是在控制系统中,我们希望确保两个不兼容的事件不能同时发生。
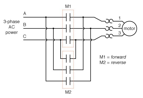
这方面的一个例子是在可逆电机控制中,其中两个电机接触器被连接以将极性(或相序)切换到电动机,我们不希望正向和反向接触器同时通电:

当接触器 M1通电后,3相(A、B和C)分别直接连接到电机的端子1、2和3。
但是,当接触器M2通电,相位 A 和 B 反转,A 转到电机端子 2,B 转到电机端子 1。
相线的这种反转导致电机旋转相反的方向。我们来看看这两个接触器的控制电路:

请注意常闭的"OL"触点,这是由与交流电机的每个相串联的"加热器"元件激活的热过载触点。
如果加热器变得太热,触点将从其正常(关闭)状态变为打开状态,这将阻止任何接触器通电。
这个控制系统将正常工作,只要没有人同时按下两个按钮。
如果有人这样做,相位A和B将一起短路,因为接触器M1将相位 A 和 B 直接发送到电机和接触器 M2反转它们;相位 A 将短路至相位 B,反之亦然。
显然,这是一个糟糕的控制系统设计!
如何防止控制系统设计中的短路?
为了防止这种情况发生,我们可以设计电路,使一个接触器的通电防止另一个接触器通电。
这称为 联锁 ,它是通过在每个接触器上使用辅助触点来实现的,如下所示:

现在,当M1通电后,第二梯级上的常闭辅助触点将断开,从而防止M2从通电,即使"反向"按钮被启动。
同样,M1当 M 时,能量化被阻止2精力充沛。还要注意如何添加额外的电线编号(4 和 5)以反映布线的变化。
应该注意的是,这不是联锁接触器以防止短路情况的唯一方法。
一些接触器配备了 机械 联锁选项:一个将两个接触器的电枢连接在一起的杠杆,以便物理上防止它们同时关闭。
为了增加安全性,仍然可以使用电气联锁,并且由于电路的简单性,除了机械联锁之外,没有充分的理由不使用它们。
评论 :
- 安装在梯形逻辑梯级中的开关触点,设计用于在不满足某些物理条件时中断电路,称为 许可 触点,因为系统需要获得这些输入的许可才能激活。
- 设计用于防止控制系统同时执行两个不兼容操作(例如同时向前和向后为电动机供电)的开关触点称为 互锁 。
全部评论 (0)
还没有任何评论哟~
