matlab simulink 模糊pid结合smith控制温度
发布时间
阅读量:
阅读量
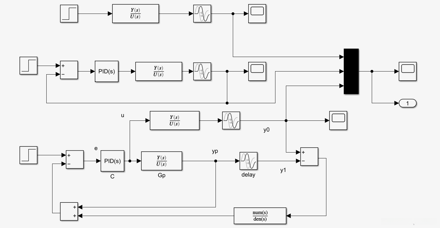
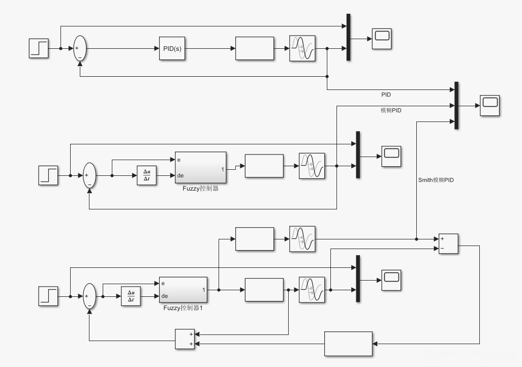
该文本主要讨论温度控制系统的控制方法,指出温度控制属于滞后的控制系统,并建议使用Smith控制方法,其效果优于模糊PID控制。仿真分析部分展示了相关结果,但具体内容未提供。此外,文本中提到参考论文的相关内容。
1、内容简介
略-
471-可以交流、咨询、答疑
2、内容说明
温度控制通常属于滞后型控制系统,因此建议采用Smith控制方法。与模糊PID控制方法相比,其控制效果更为显著。
3、仿真分析



4、参考论文
略
全部评论 (0)
还没有任何评论哟~
