虚拟同步发电机(VSG)逆变控制Simulink仿真
发布时间
阅读量:
阅读量
Simulink仿真模型
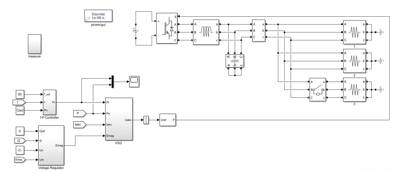
VSG主电路拓扑:

VSG控制框图如下图所示:

f-P下垂控制如下图所示:


虚拟惯性环节:


U-Q下垂控制:


虚拟同步发电机的等效内阻:

参考电压形成:

Simulink仿真结果
设置直流恒压源为800V,逆变输出相电压有效值为220V的交流电,负荷起初为10KW,在0.5S时负荷增加至12KW,仿真结果如下图所示:
输出功率实际值与参考值:

逆变器交流侧频率值:

逆变器交流测三相电压波形图:

输出三相电压电流波形如下图所示:

资源分享
Simulink仿真模型下载:虚拟同步发电机逆变控制仿真Simulink。
全部评论 (0)
还没有任何评论哟~
