新能源充电桩充电枪口标准
依据《电动汽车充电基础设施接口新国标的实施方案》(发改能源〔2016〕2668号),自2017年1月1日起对全部新建或更换后的电动汽车及配套 charging infrastructure要求必须达到新国标水平以确保我国新能源汽车 charging 接口及配套设施实现统一配置

ChaoJi充电接口标准
ChaoJi represents a novel charging interface standard developed by China in recent years, designed to support high-power charging requirements. It offers a comprehensive solution covering charging connectors, control systems, communication protocols, safety measures, and thermal management. The ChaoJi interface is compact yet provides high capacity and supports up to 900kW power.

国际新能源充电桩充电口标准
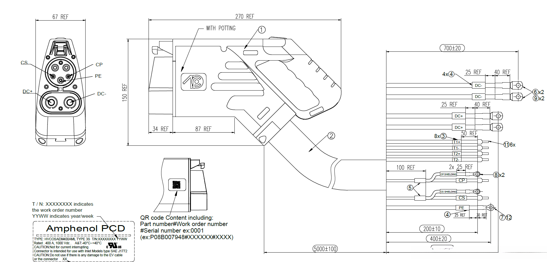
1、CCS1&&NACS(美标)
SAE J1772是最为常见的北美充电接口规范,由美国汽车工程师协会(SAE International)标准化制定。该规范采用插头与插座结合的形式连接设备,其中插入端具备12个接线柱用于稳定可靠地实现电能的传输与分配。


特斯拉作为电动汽车行业的领军企业,在其产品线中也展现了独特的充电系统设计。为了实现高效稳定的能量传输与存储需求, 特斯拉采用了一系列自研的创新充电接口及统一的标准规范, 其中最为著名的便是NACS通用适应性充放电标准。该标准支持同时兼容直流与交流电源的充放电设备, 然而由于当前接口设计的技术限制, 在三相交流电路下无法实现兼容。对于那些仍采用三相交流制的国家和地区而言, 在使用特斯拉 charging 设备时可能需要额外的适配器或转换器来实现兼容。这一创新性的解决方案不仅提升了产品的适用范围, 在全球市场上的影响力也得到了显著提升。

欧洲新能源汽车充电口的标准遵循IEC 62196标准(亦即CCS 2规范),该规范涵盖了充电接口形状、尺寸以及电气参数等多个方面内容。在电压参数设定上分为交流制与直流制两种模式:其中交流制的最大额定电压为480 V AC, 最大电流允许值达63 A;而直流制的最大额定电压则高达1,000 V DC, 最大电流可达到200 A DC(以上数据均基于最新版的标准修订稿;实际新版本可能会相应进行调整)。此外, 欧洲委员会正致力于构建统一的技术规范与互联互通机制, 目前这一领域的标准化工作仍在持续推进中, 其目标便是促进新能源汽车技术的发展与普及


3、CHAdeMO(日标)
作为一种旨在服务于电动汽车与燃料电池汽车快速充电需求的标准, CHAdeMO由日本CHAdeMO协会负责制定规范并推动其普及. 该接口采用带有四个触点的设计, 其中插头端子与较大尺寸插座端子搭配使用, 专为实现快速充电而设计.

尽管各国和地区在新能源汽车充电接口标准上存在差异, 但标准化的趋势正日益明显. 例如, 该国开发了ChaoJi充电接口标准, 特别为大功率(超过1000A)的充电需求留出空间, 同时支持国际主流的标准体系. 这一趋势正日益明显. 综上所述, 各国和地区间新能源汽车充电接口标准确实存在差异, 但这一趋势正日益明显. 通过制定统一的标准体系并加以推广, 可以为全球范围内的电动汽车提供统一的接口解决方案, 进而促进新能源汽车的普及和发展, 提高充电设施的利用率和便捷性.
